- Partiron
- OEM Parts
- Honda
- MOTORCYCLE
- Models With No Year
- SS125AA MOTORCYCLE, JPN, VIN# SS125A-100001
LOWER CRANKCASE + KICK STARTER
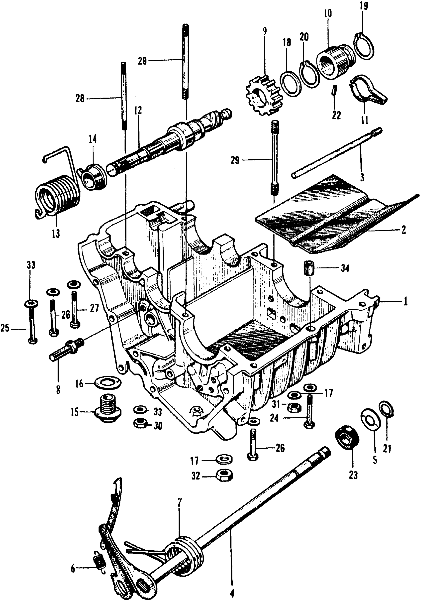
Honda SS125AA MOTORCYCLE, JPN, VIN# SS125A-100001 LOWER CRANKCASE + KICK STARTER Diagram
#
Description
Price
1
CRANKCASE (LOWER)
11200-246-000
Unavailable
2
SEPARATOR, OIL
11751-230-000
Unavailable
3
BAR, OIL SEPARATOR SETTING
11781-230-000
Unavailable
4
SPINDLE, GEARSHIFT (NOT AVAILABLE)
24610-230-020
Unavailable
5
STOPPER, GEARSHIFT SPINDLE (NOT AVAILABLE)
24621-200-000
Unavailable
7
SPRING, GEARSHIFT RETURN
24651-243-000
Unavailable
8
PIN, GEARSHIFT RETURN SPRING (NOT AVAILABLE)
24652-200-000
Unavailable
9
PINION, KICK STARTER (NOT AVAILABLE) | Use from Engine SN 105462
28211-230-010
Unavailable
9
PINION, KICK STARTER (NOT AVAILABLE)
28211-230-000
Unavailable
10
RATCHET, KICK STARTER (NOT AVAILABLE)
28221-230-000
Unavailable
11
SPRING, FRICTION (NOT AVAILABLE) | Use from Engine SN 105462
28239-235-000
Unavailable
11
SPRING, KICK STARTER RATCHET (NOT AVAILABLE)
28223-035-010
Unavailable
12
SPINDLE, KICK STARTER (NOT AVAILABLE) | Use from Engine SN 105462
28250-230-030
Unavailable
12
SPINDLE, KICK STARTER (NOT AVAILABLE)
28250-230-020
Unavailable
13
SPRING, KICK STARTER (NOT AVAILABLE) | Use from Engine SN 105463
28261-235-000
Unavailable
13
SPRING, KICK STARTER (NOT AVAILABLE)
28261-230-000
Unavailable
14
RETAINER, KICK SPRING (NOT AVAILABLE)
28262-230-000
Unavailable
15
BOLT, DRAIN VALVE
90013-230-000
Unavailable
18
WASHER (25MM) (NOT AVAILABLE)
90482-035-000
Unavailable
20
CIRCLIP (25MM) (NOT AVAILABLE)
90602-035-000
Unavailable
21
CIRCLIP (12MM) (NOT AVAILABLE)
90603-200-000
Unavailable
22
PIN, KNOCK (4X15) (NOT AVAILABLE)
90701-216-000
Unavailable
27
BOLT, HEX. (6X75) (SOURCE: VINTAGE PARTS INC.) This part replaces 92000-06075.
92101-06075-0A
Unavailable
27
BOLT, HEX. (6X75) (SOURCE: VINTAGE PARTS INC.)
92101-06075-0A
Unavailable
28
BOLT, STUD (6X93) (NOT AVAILABLE)
92700-06092
Unavailable
28
BOLT, STUD (6X93) (NOT AVAILABLE) This part replaces 92700-06093.
92700-06092
Unavailable
29
BOLT, STUD (8X110) (NOT AVAILABLE)
92700-08110
Unavailable
