Partiron

Yamaha SRX600SC (SRX600 CA) 1986 ELECTRICAL 2 Diagram

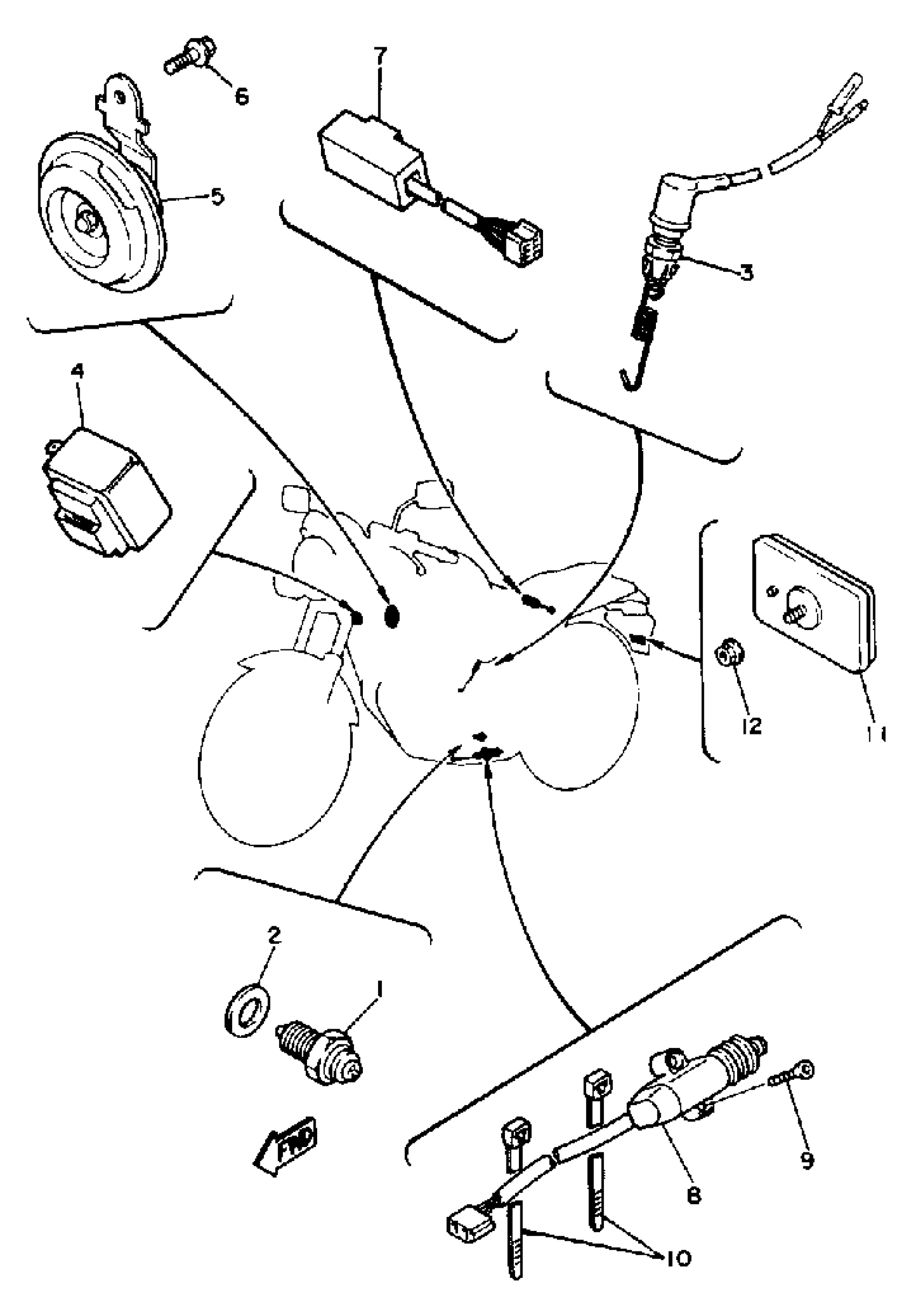
#

Description
Price

1

NEUTRAL SWITCH ASSY

4GY-82540-10-00

$37.99

2

GASKET (5R6)

90430-10171-00

$3.18

3

STOP SWITCH ASSY

1FK-82530-02-00

Unavailable

4

FLASHER RELAY ASSEMBLY

4H7-83350-70-00

Unavailable

5

HORN

30X-83371-20-00

Unavailable

6

BOLT, FLANGE

95812-06010-00

$2.98

7

FLASHER CANCELING UNIT

1A0-83395-03-00

Unavailable

8

SWITCH, SIDE STAND

1XL-82566-00-00

Unavailable

9

SCREW, FLAT

98707-05016-00

$7.99

10

BAND

1UA-82591-00-00

$4.78

11

REAR REFLECTOR ASSY

4KM-85130-00-00

$22.99

12

NUT, FLANGE(3GM)

95707-05500-00

$8.49