- Partiron
- OEM Parts
- Yamaha
- snowmobile
- 1980
- SRX440D 1980
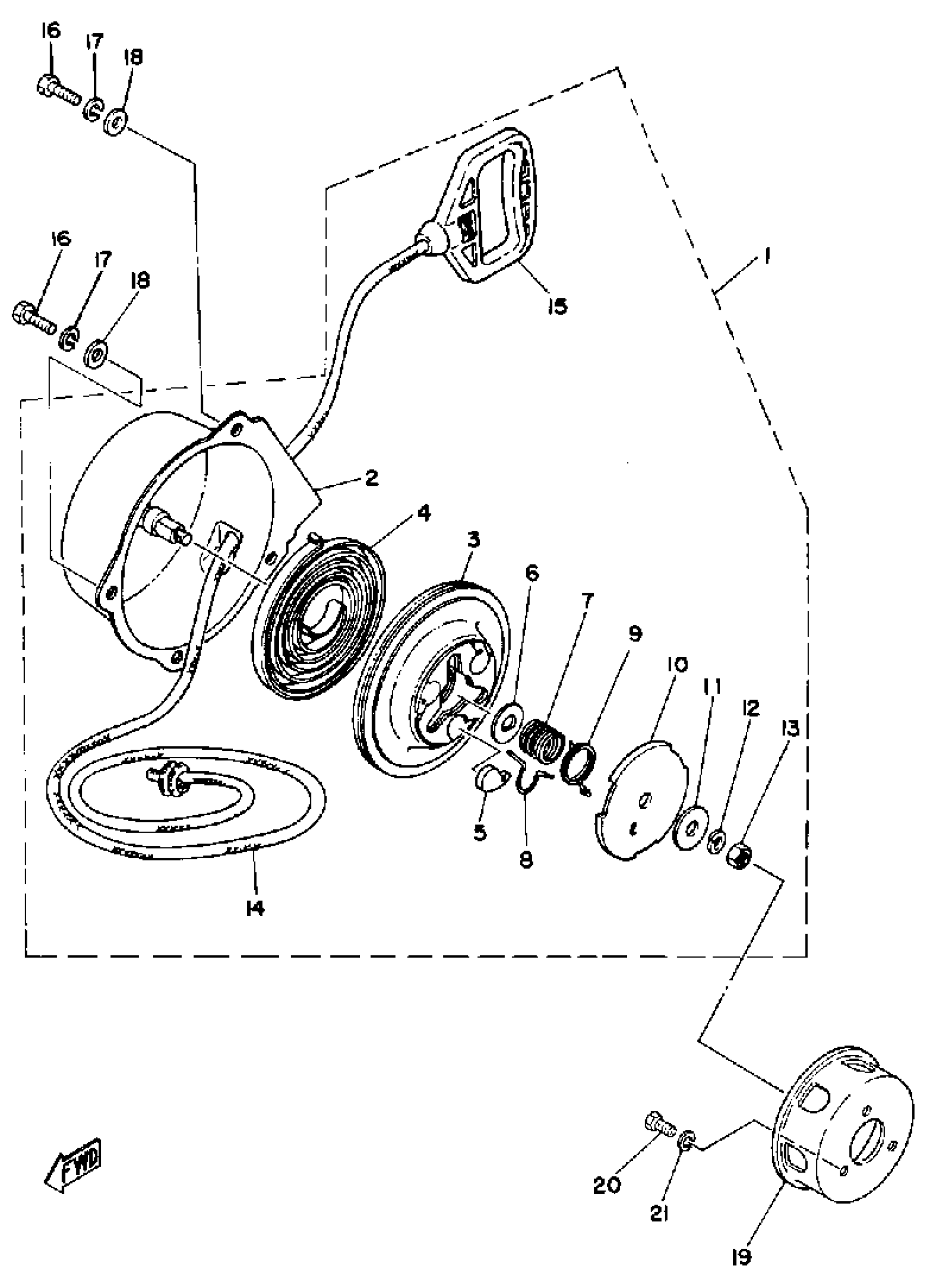
STARTER
Yamaha SRX440D 1980 STARTER Diagram
#
Description
Price
1
STARTER ASSEMBLY
8A7-15710-01-00
Unavailable
2
. CASE, STARTER
8A7-15711-00-00
Unavailable
3
. DRUM, SHEAVE
857-15714-00-00
Unavailable
5
. PAWL, DRIVE
616-15741-01-00
Unavailable
6
. WASHER, THRUST (802-15719-00)
626-15719-00-00
Unavailable
7
SPRING,DRIVE PLATE
626-15715-01-00
Unavailable
8
. SPRING, RETURN
811-15784-00-00
Unavailable
9
. SPRING, RETURN
811-15734-00-00
Unavailable
10
. PLATE, DRIVE
811-15716-00-00
Unavailable
11
WASHER,FLAT
807-15726-01-00
Unavailable
13
. NUT
95380-08700-00
Unavailable
14
ROPE, STARTER
(856-15751-00-00)
Unavailable
16
BOLT, HEXAGON DEEP RECESS
97D95-06016-00
Unavailable
17
WASHER, SPRING
92995-06100-00
Unavailable
18
WASHER, PLATE (8K2)
90201-06778-00
Unavailable
19
PULLEY, STARTER
(8A7-15723-00-00)
Unavailable
20
BOLT,SOCKET
91314-08030-00
Unavailable
