Partiron

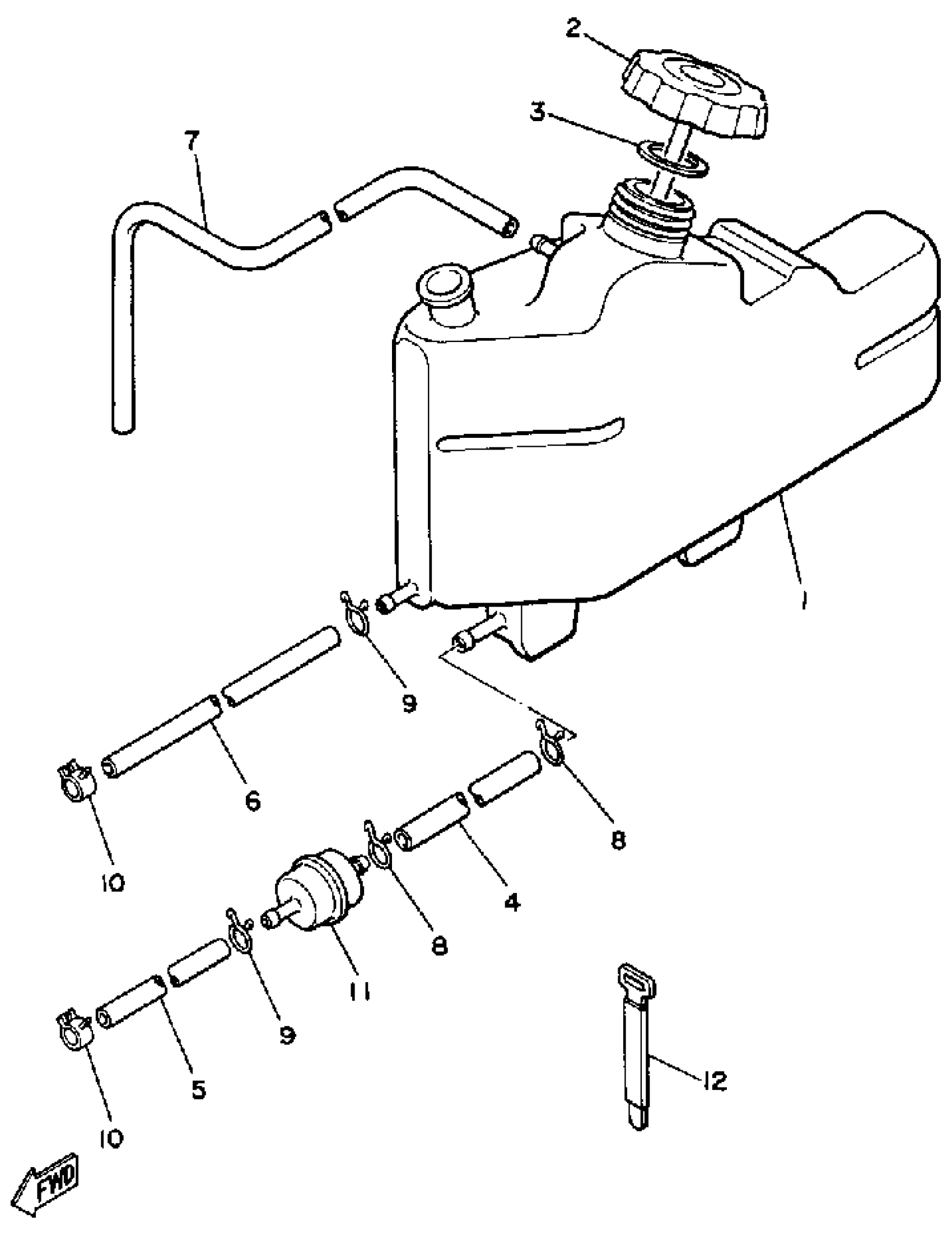
Yamaha SRX440D 1980 OIL TANK Diagram

#

Description
Price

1

TANK, OIL (8K2)

99999-01118-00

Unavailable

2

BODY, CAP

(8K2-21771-00-00)

Unavailable

3

GASKET, TANK (867)

90430-31003-00

$10.49

4

HOSE

90446-11326-00

Unavailable

5

HOSE

90446-09169-00

Unavailable

6

HOSE (806-24319-00)

90446-09051-00

Unavailable

7

TUBE, FLEXIBLE VINYL(8AK)

91A20-05080-00

$14.99

8

CLIP (8J7)

90467-11009-00

$10.49

9

CLIP (8L2)

90467-08017-00

$10.49

10

CLIP (8A1)

90467-09026-00

$3.28

11

HOUSING STRAINER ASSY

8G8-13410-00-00

$28.99

12

BAND, SWITCH CORD

437-83936-01-00

$7.99