- Partiron
- OEM Parts
- Yamaha
- snowmobile
- 1980
- SRX440D 1980
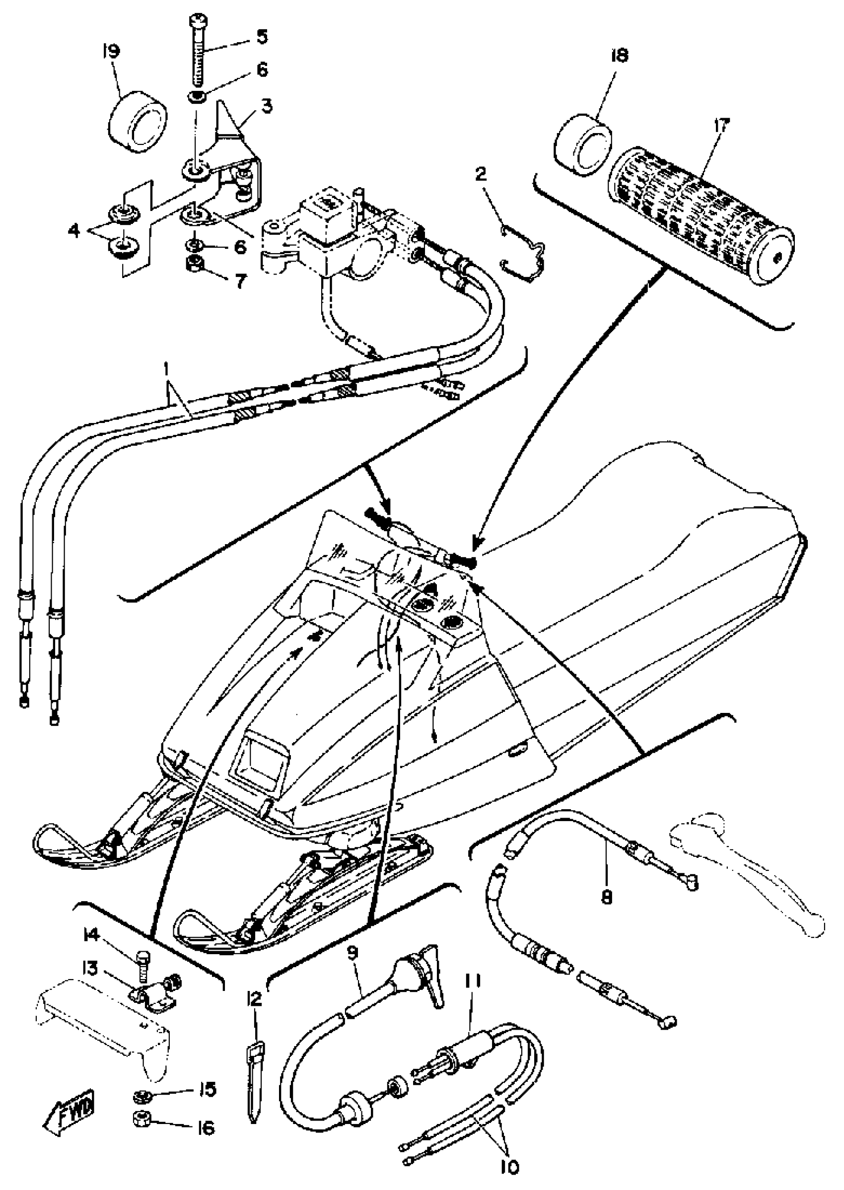
CONTROL CABLE
Yamaha SRX440D 1980 CONTROL CABLE Diagram
#
Description
Price
1
CABLE, THROTTLE 1
8K2-26311-00-00
Unavailable
2
CLIP, CABLE
(878-26391-00-00)
Unavailable
3
LEVER, THROTTLE
(8K2-42138-00-00)
Unavailable
8
CABLE, BRAKE
(8G9-26340-01-00)
Unavailable
9
CABLE, STARTER 1
(8K2-26331-00-00)
Unavailable
10
CABLE, STARTER 2
8A7-26334-00-00
Unavailable
11
CONNECTOR, CABLE
137-26261-01-00
Unavailable
12
BAND
341-26397-01-00
Unavailable
13
HOLDER, WIRE
8A5-23874-00-00
Unavailable
15
WASHER, SPRING
92995-06100-00
Unavailable
17
GRIP
801-26241-02-00
Unavailable
18
COLLAR
90387-22647-00
Unavailable
19
COLLAR
90387-22726-00
Unavailable
