- Partiron
- OEM Parts
- Yamaha
- snowmobile
- 1979
- SRX440C 1979
GRIP - WIRING
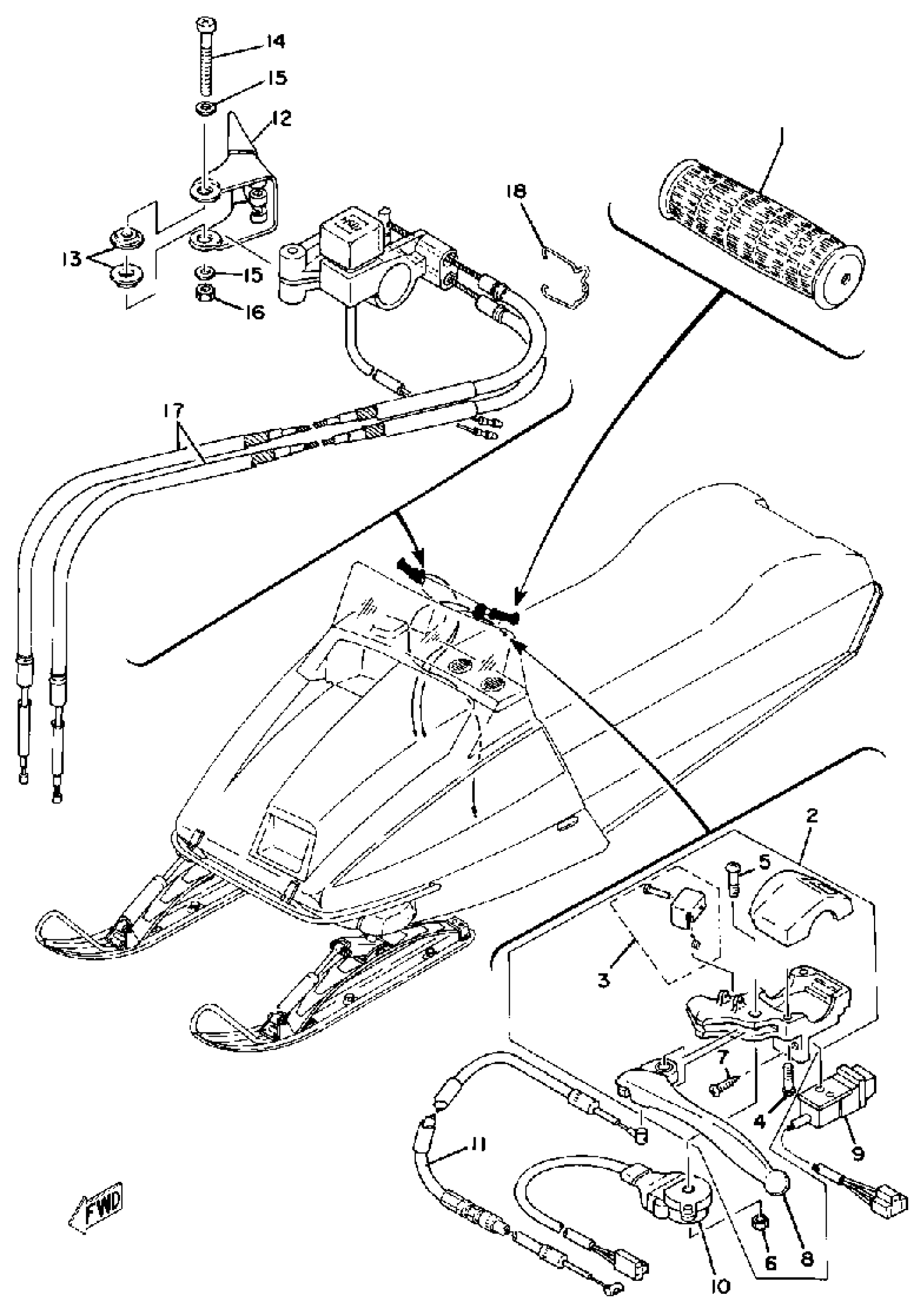
Yamaha SRX440C 1979 GRIP - WIRING Diagram
#
Description
Price
2
LEVER HOLDER ASSY (LEFT)
8R4-W8291-02-00
Unavailable
3
LEVER LOCK ASSY
8E3-W8393-01-00
Unavailable
7
. SCREW, TAPPING
97780-30312-00
Unavailable
8
LEVER L
803-83912-00-38
Unavailable
11
CABLE, BRAKE
(8G9-26340-01-00)
Unavailable
12
LEVER, THROTTLE
(8H0-42138-00-00)
Unavailable
16
NUT, NYLON
95707-06300-00
Unavailable
17
CABLE, THROTTLE 1
8G9-26311-00-00
Unavailable
18
CLIP, CABLE
(878-26391-00-00)
Unavailable
