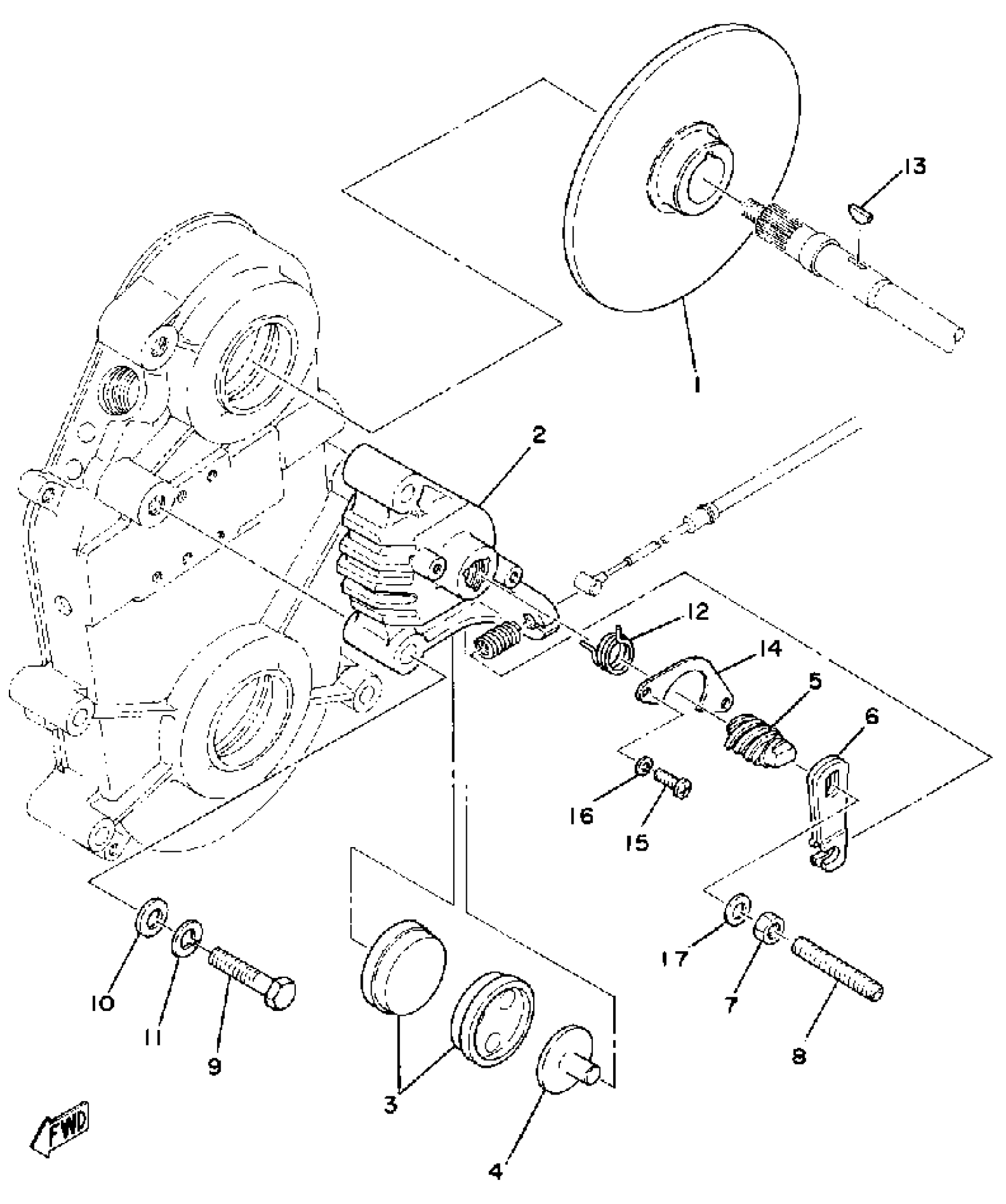
Yamaha SRX440C 1979 BRAKE Diagram
#
Description
Price
1
DISC, BRAKE
888-25831-00-00
Unavailable
2
BODY, CALIPER 1
8A7-25731-00-00
Unavailable
4
PLATE, BACK UP
878-25733-00-00
Unavailable
5
CAM
878-25728-00-00
Unavailable
6
LEVER, BRAKE
878-25726-00-00
Unavailable
7
. NUT
95380-08700-00
Unavailable
8
SCREW, SPEC''L SHAPE
(90149-08101-00)
Unavailable
9
BOLT
97012-10060-00
Unavailable
10
WASHER, PLATE
92990-10600-00
Unavailable
12
SPRING, TORSION
90508-35293-00
Unavailable
14
HOOK, SPRING
(8A7-25736-00-00)
Unavailable
15
SCREW, PAN
98507-06014-00
Unavailable
16
WASHER, SPRING
92995-06100-00
Unavailable
17
.. WASHER, PLATE
92990-08600-00
Unavailable
