- Partiron
- OEM Parts
- Yamaha
- snowmobile
- 1978
- SRX440B 1978
FUEL TANK
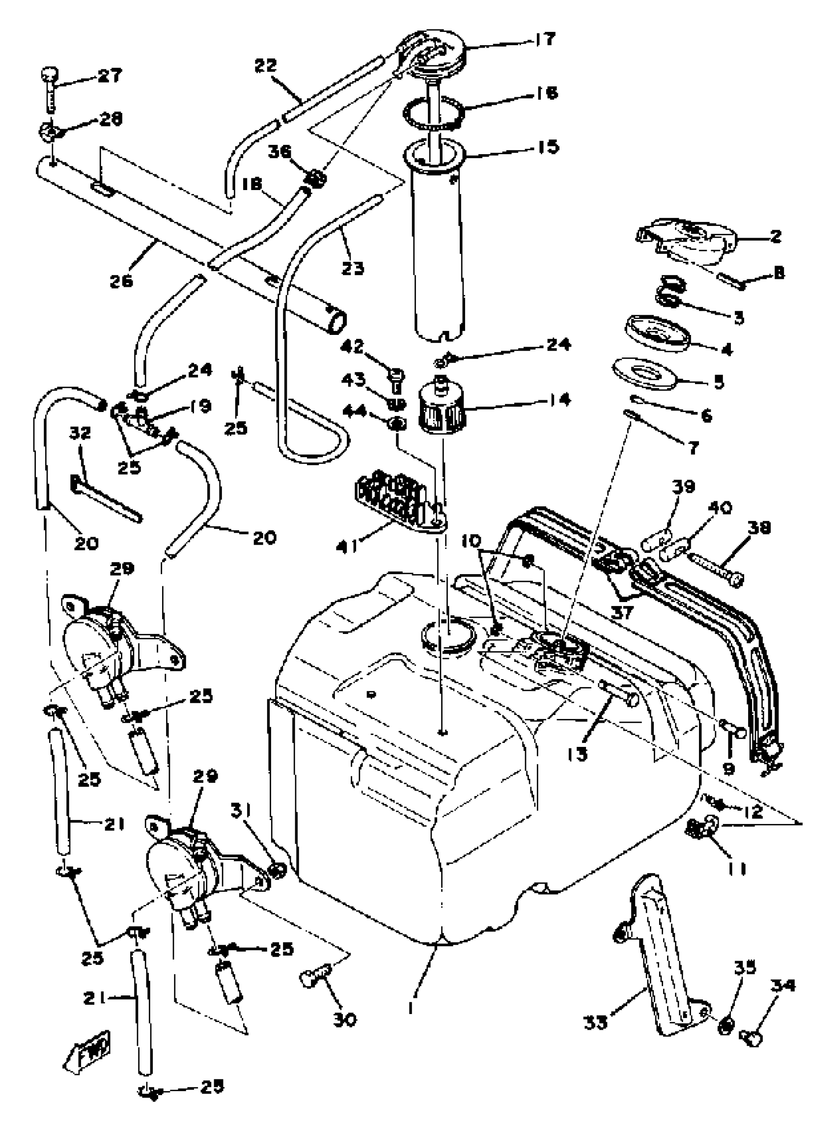
Yamaha SRX440B 1978 FUEL TANK Diagram
#
1
FUEL TANK
(8G9-24111-00-00)
Unavailable
2
BODY, CAP
(8A7-24611-00-00)
Unavailable
5
GASKET, CAP
256-24612-00-00
Unavailable
7
PIN, SPRING
91690-30016-00
Unavailable
9
PIN, SPEC''L SHAPE
90249-03016-00
Unavailable
12
SPRING, TORSION(81E)
90508-10715-00
Unavailable
14
FILTER ASSY
8H5-24560-00-00
Unavailable
15
PIPE, SUCTION 2
(8G9-24336-01-00)
Unavailable
16
SPRING, TENSION (8R4)
90506-06261-00
Unavailable
17
PIPE, SUCTION 1
(8G9-24335-00-00)
Unavailable
18
HOSE
(90446-11029-00)
Unavailable
19
JOINT, PIPE (1)
807-24376-00-00
Unavailable
20
TUBE, FLEXIBLE VINYL(8AK)
91A20-05080-00
Unavailable
21
HOSE (5-390) (248-21745-00)
90446-09135-00
Unavailable
22
TUBE, FLEXIBLE VINYL(8AT)
91A20-05145-00
Unavailable
23
TUBE, FLEXIBLE VINYL(8AK)
91A20-05080-00
Unavailable
24
CLIP (8J7)
90467-11009-00
Unavailable
25
CLIP (8L2)
90467-08017-00
Unavailable
26
BAND, TNK FITTING 1
(878-24173-01-00)
Unavailable
27
BOLT (682)
97095-06040-00
Unavailable
28
WASHER, LOCK
(90215-06048-00)
Unavailable
29
FUEL PUMP ASSEMBLY
8F2-24410-00-00
Unavailable
30
BOLT (661)
97013-06012-00
Unavailable
31
NUT, SELF-LOCKING
95617-06100-00
Unavailable
32
BAND, SWITCH CORD
437-83936-01-00
Unavailable
33
GAUGE, LEVEL
8G9-21761-00-00
Unavailable
34
BOLT (661)
97013-06012-00
Unavailable
35
WASHER, PLATE (4H7)
90201-061A5-00
Unavailable
36
CLIP
90467-11028-00
Unavailable
37
BAND, TNK FITTING 2
8G9-24199-00-00
Unavailable
38
SCREW, SPEC''L SHAPE (821-24176-00)
90149-05006-00
Unavailable
39
NUT, SPEC''L SHAPE (806-24146-00)
90179-05030-00
Unavailable
40
CLAMP
806-24135-00-00
Unavailable
41
HOLDER, COUPLER
8F3-21794-00-00
Unavailable
42
SCREW, PAN
98507-06014-00
Unavailable
43
WASHER, SPRING
92995-06100-00
Unavailable
44
WASHER, PLATE (4H7)
90201-061A5-00
Unavailable
