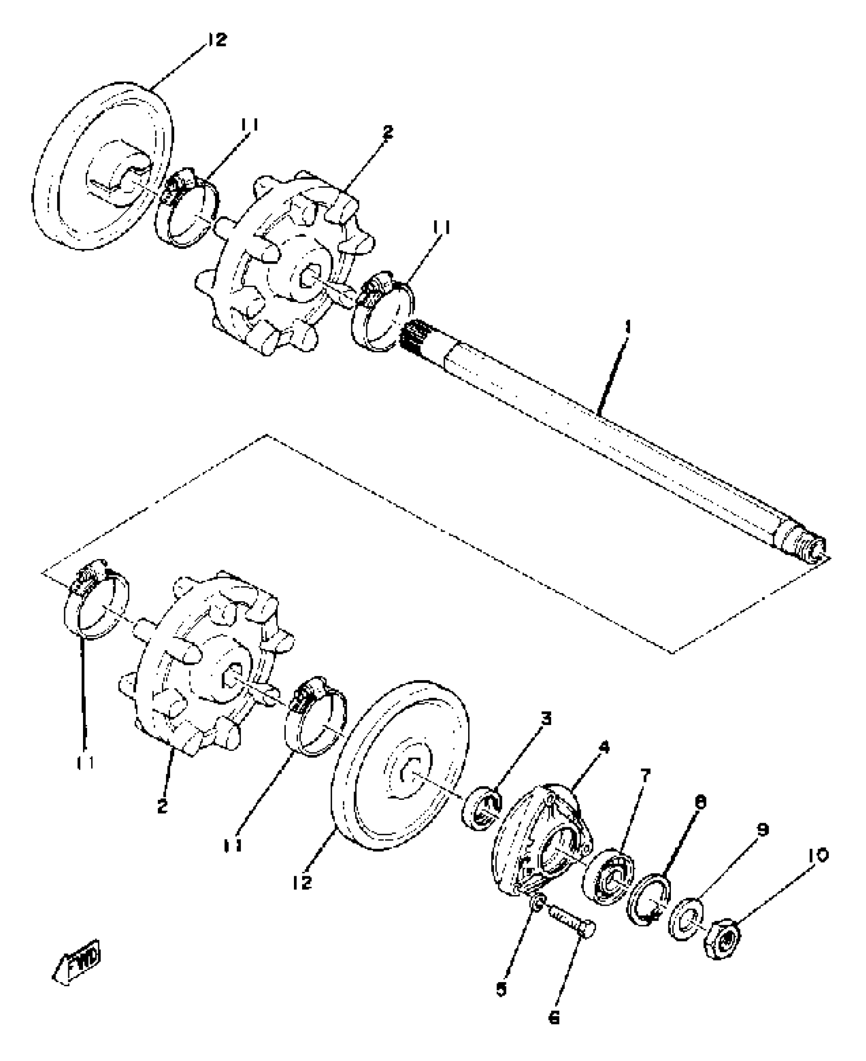
FRONT AXLE
#
1
8A5-W4751-00-00
Unavailable
2
88T-W4753-01-00
Unavailable
3
93102-25332-00
Unavailable
4
841-47551-00-00
Unavailable
7
93306-00412-00
Unavailable
8
93420-44029-00
Unavailable
11
90460-50079-00
Unavailable
12
8G9-47530-00-00
Unavailable
Edit ride
