- Partiron
- OEM Parts
- Yamaha
- snowmobile
- 1977
- SRX440A 1977
ELECTRICAL
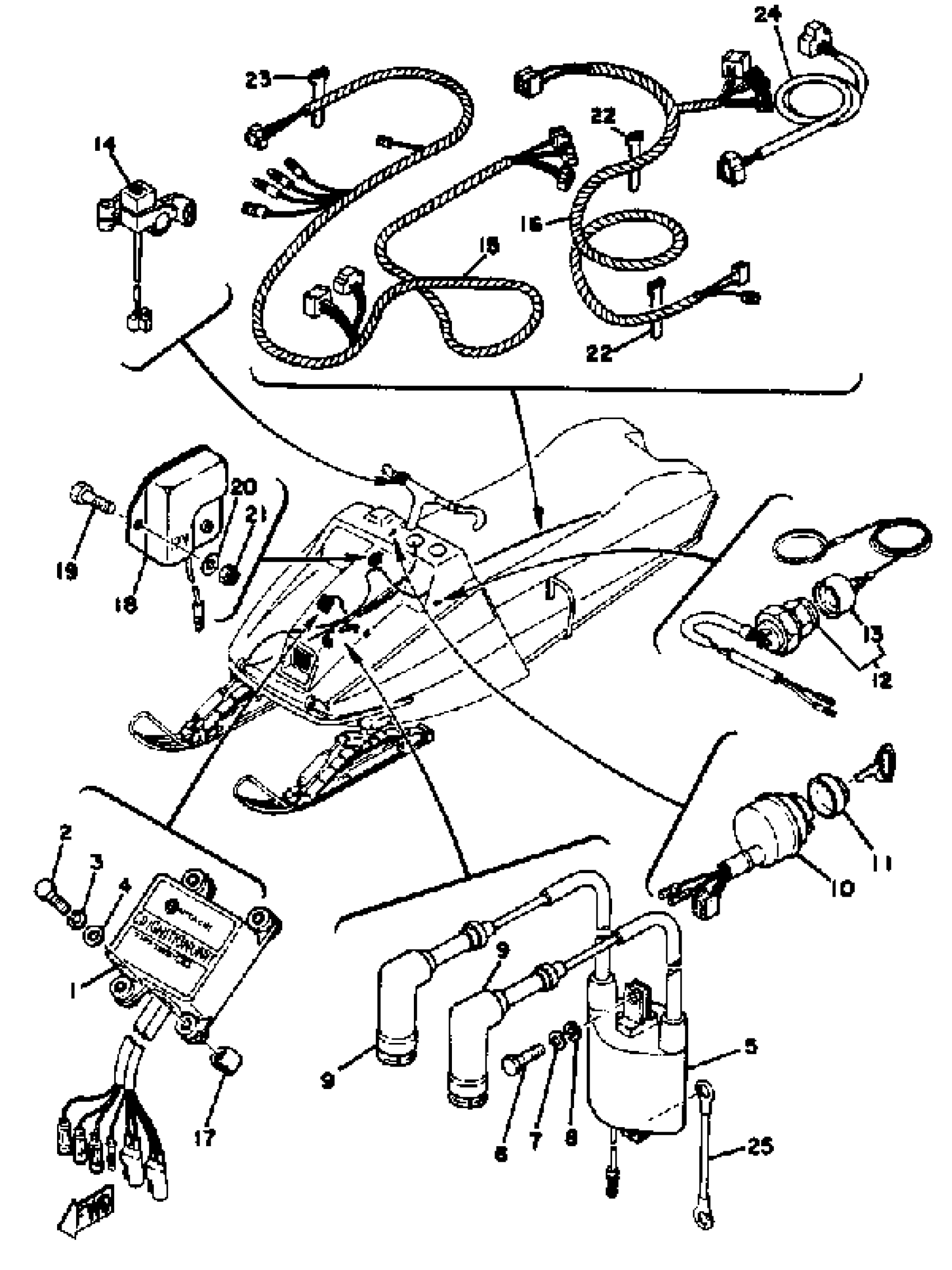
Yamaha SRX440A 1977 ELECTRICAL Diagram
#
Description
Price
1
CDI UNIT ASSEMBLY
8F2-85540-10-00
Unavailable
2
BOLT, HEXAGON (97201-05025)
97301-05025-00
Unavailable
5
IGNITION COIL ASY
8E7-82310-09-00
Unavailable
7
WASHER, SPRING
92995-06100-00
Unavailable
10
MAIN SWITCH ASSEMBLY
898-82508-20-00
Unavailable
11
COLLAR, MAIN SWITCH
806-82516-00-00
Unavailable
12
STOP SWITCH ASSEMBLY
8J7-82550-01-00
Unavailable
14
SWITCH, HANDLE 1 (8E7-83976-00)
8E7-83976-01-00
Unavailable
15
WIRE HARNESS ASSEMBLY
(8F2-82590-20-00)
Unavailable
16
WIRE HARNESS ASSEMBLY 2
(8F2-82580-20-00)
Unavailable
17
CLAMP
90465-06013-00
Unavailable
18
VOLTAGE REGULATOR ASSY
7XE-81910-00-00
Unavailable
19
BOLT, HEXAGON DEEP RECESS
97D95-06016-00
Unavailable
21
NUT, NYLON
95707-06300-00
Unavailable
22
BAND, SWITCH CORD
437-83936-11-00
Unavailable
23
BAND
341-26397-01-00
Unavailable
24
CORD, HEADLIGHT
(8F2-84359-00-00)
Unavailable
25
WIRE, EARTH LEAD
5F7-82519-00-00
Unavailable
