- Partiron
- OEM Parts
- Yamaha
- snowmobile
- 1977
- SRX440A 1977
CARBURETOR
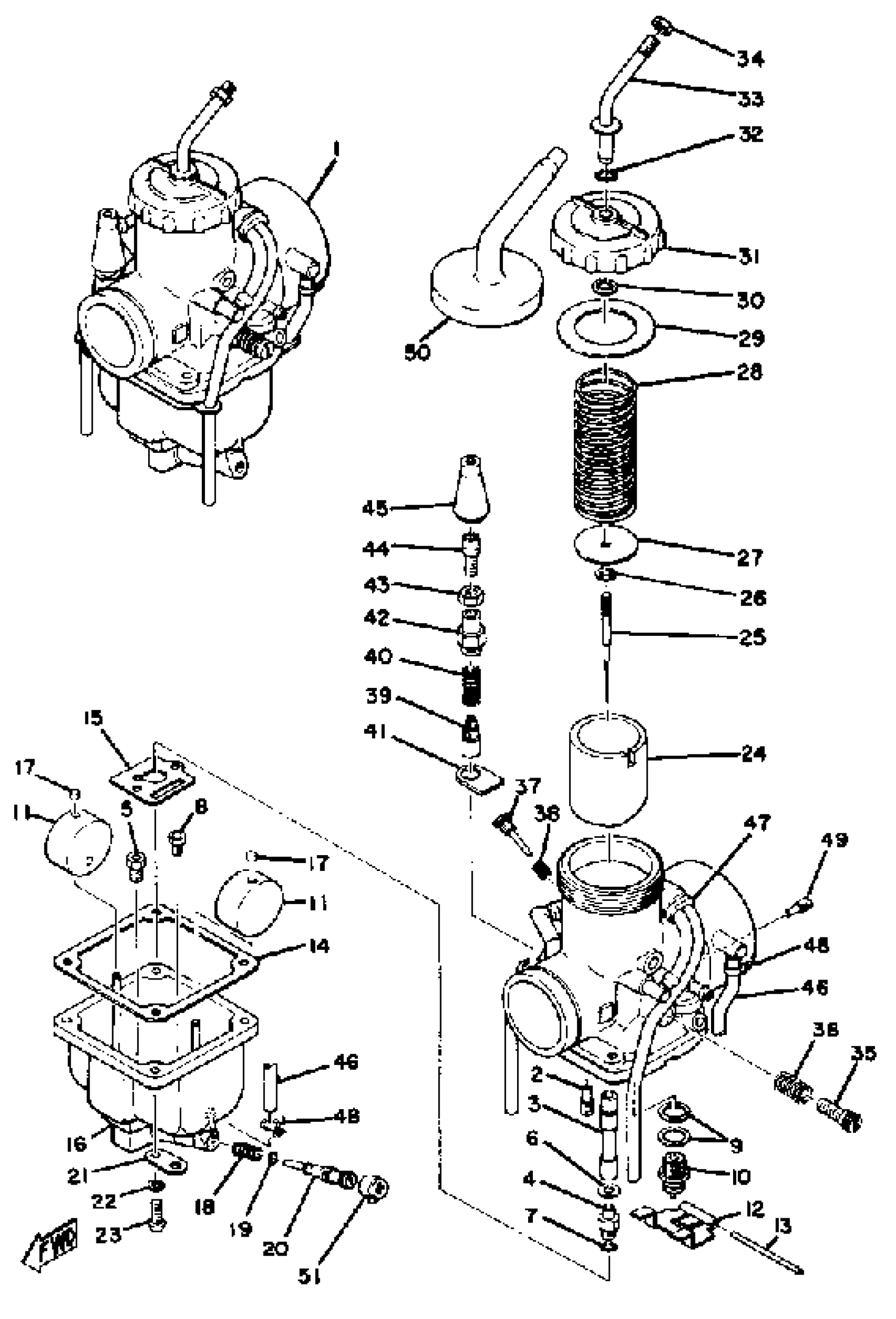
Yamaha SRX440A 1977 CARBURETOR Diagram
#
1
CARBURETOR ASSEMBLY 1
8F2-14101-00-00
Unavailable
1
CARBURETOR ASSEMBLY 2
(8F2-14102-00-00)
Unavailable
2
JET, PIL0T (# 30)
193-14142-30-A0
Unavailable
3
NOZZLE, MAIN
(8A7-14141-96-00)
Unavailable
4
SETTER, NEEDLE JET
(8A7-14145-00-00)
Unavailable
8
. JET, MAIN #170
620-14231-34-00
Unavailable
8
. JET, MAIN #180
620-14231-36-00
Unavailable
8
. JET, MAIN #185
620-14231-37-00
Unavailable
9
WASHER,VALVE SEAT
239-14195-00-00
Unavailable
11
. FLOAT
214-14185-00-00
Unavailable
12
ARM, FLOAT
(8F2-14187-00-00)
Unavailable
13
PIN, FLOAT
537-14186-00-00
Unavailable
14
GASKET, FLOAT CHAMBER BODY
363-14184-00-00
Unavailable
15
PLATE
(8A7-14146-00-00)
Unavailable
16
BODY, FLOAT CHMBR 1
(8F2-14181-00-00)
Unavailable
16
BODY, FLOAT CHMBR 2
(8F2-14183-00-00)
Unavailable
17
CAP
214-14118-00-00
Unavailable
18
SPRING, AIR ADJUSTING
174-14134-00-00
Unavailable
19
O-RING (493-CARB.)
354-14147-00-00
Unavailable
20
SCREW, PILOT
(8F2-14923-00-00)
Unavailable
21
. PLATE
313-14146-00-00
Unavailable
22
YBS67-5 WASHER, SPRING
92990-05100-00
Unavailable
23
SCREW, PAN HEAD(6B0)
97885-05016-00
Unavailable
24
. VALVE, THROTTLE 1
8A7-14112-20-00
Unavailable
24
VALVE, THROTTLE 2
(8A7-14113-20-00)
Unavailable
25
. NEEDLE
8A7-14116-05-00
Unavailable
26
CLIP
256-14919-00-00
Unavailable
27
SEAT, SPRING
(8A7-14136-00-00)
Unavailable
28
. SPRING, THROTTLE VALVE
8H0-14131-00-00
Unavailable
29
GASKET
(8A7-14126-00-00)
Unavailable
30
CLIP
363-14137-00-00
Unavailable
31
. TOP, MIXING CHAMBER
8F2-14158-00-00
Unavailable
32
O-RING
8F2-14147-00-00
Unavailable
33
. GUIDE, CABLE
8A7-14155-00-00
Unavailable
34
NUT, WIRE ADJUSTING
127-14161-00-00
Unavailable
35
THROTTLE SCREW SET
40T-14103-00-00
Unavailable
36
SPRING, THROTTLE STOP
137-14133-00-00
Unavailable
37
AIR SCREW SET
23X-14104-00-00
Unavailable
38
SPRING, AIR ADJUSTING
127-14134-00-00
Unavailable
39
PLUNGER, STARTER
58E-14171-00-00
Unavailable
40
SPRING, PLUNGER
127-14135-00-00
Unavailable
41
. PLATE, STARTER LVR
8A7-14178-00-00
Unavailable
42
CAP, PLUNGER
(8A7-14174-00-00)
Unavailable
43
NUT, WIRE ADJUSTING
802-14161-00-00
Unavailable
44
CABLE ADJUST SCREW SET
12G-14106-00-00
Unavailable
45
CAP
8A7-14169-00-00
Unavailable
46
PIPE, AIRVENT
(8F2-14197-00-00)
Unavailable
47
CLIP, PIPE
(8F2-14139-00-00)
Unavailable
48
CLIP, PIPE
8A7-14139-00-00
Unavailable
49
. PILOT JET, AIR (05)
239-14172-05-00
Unavailable
50
CAP, CARBURETOR
8A7-14471-00-00
Unavailable
51
JET, MAIN #270
137-14143-54-A1
Unavailable
51
. JET, PILOT (#45)
193-14142-45-A1
Unavailable
51
JET, MAIN #200
(620-14231-40-00)
Unavailable
51
JET, MAIN #205
(620-14231-41-00)
Unavailable
51
NOZZLE, MAIN
(8A7-14141-98-00)
Unavailable
51
CAP
8A7-14969-00-00
Unavailable
51
SRX440A MODIFY KIT
(8F2-00000-70-00)
Unavailable
51
WASHER, CLAW
(90214-30014-00)
Unavailable
51
. SPRING, COMPRESSION
90501-55487-00
Unavailable
