- Partiron
- OEM Parts
- Yamaha
- snowmobile
- 1976
- SRX440 1976
CARBURETOR (SRX340)
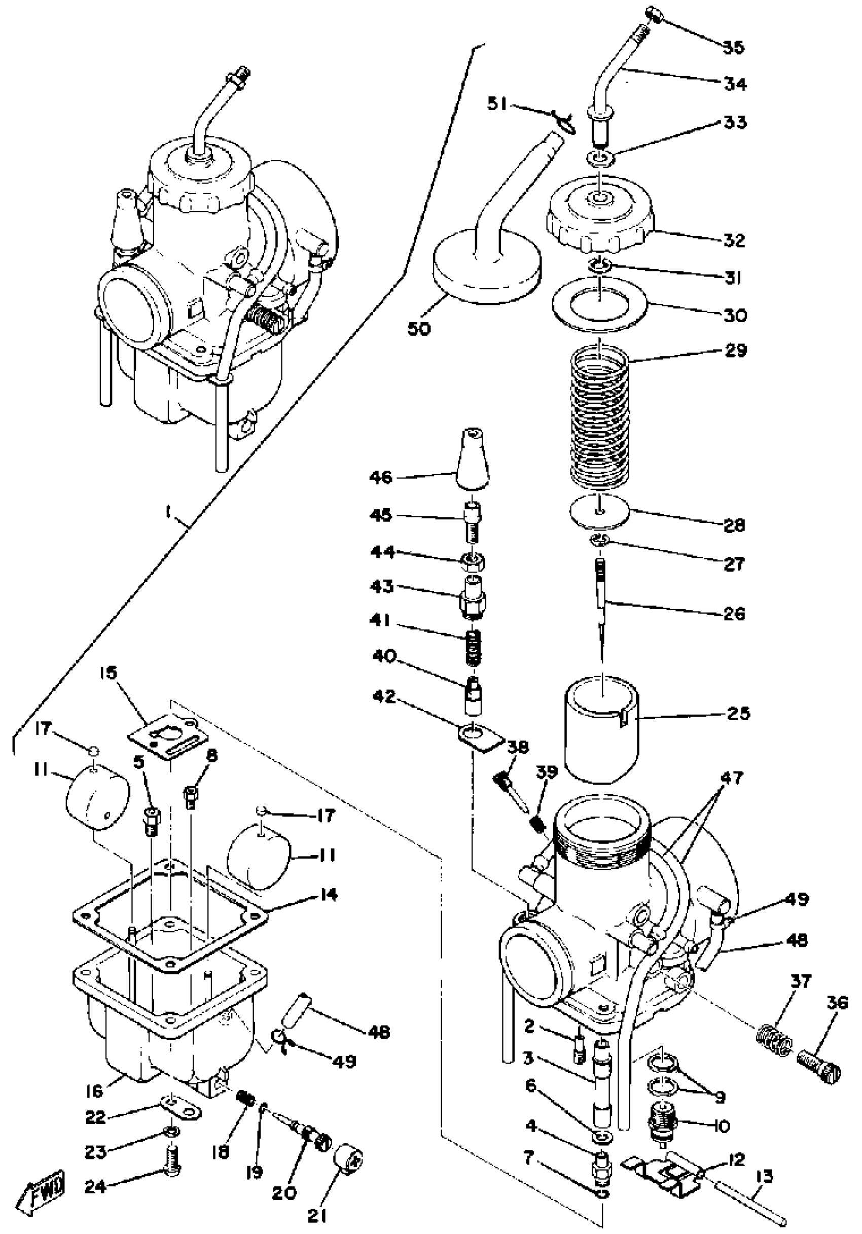
Yamaha SRX440 1976 CARBURETOR (SRX340) Diagram
#
1
CARBURETOR ASSEMBLY 1
(8A8-14101-00-00)
Unavailable
1
CARBURETOR ASSEMBLY 2
(8A8-14102-00-00)
Unavailable
2
. JET, PILOT (#45)
193-14142-45-A1
Unavailable
3
. NOZZLE, MAIN P-O
239-14141-40-00
Unavailable
4
. SETTER, NEEDLE JET
276-14145-00-00
Unavailable
5
JET, MAIN #180
137-14143-36-A1
Unavailable
9
WASHER,VALVE SEAT
239-14195-00-00
Unavailable
11
. FLOAT
214-14185-00-00
Unavailable
12
. ARM, FLOAT
363-14187-00-00
Unavailable
13
PIN, FLOAT
537-14186-00-00
Unavailable
14
GASKET, FLOAT CHAMBER BODY
363-14184-00-00
Unavailable
15
PLATE
(8A7-14146-00-00)
Unavailable
16
BODY, FLOAT CHMBR 1
(8A8-14181-00-00)
Unavailable
16
BODY, FLOAT CHMBR 2
(8A8-14183-00-00)
Unavailable
17
CAP
214-14118-00-00
Unavailable
18
SPRING, AIR ADJUSTING
174-14134-00-00
Unavailable
19
O-RING (493-CARB.)
354-14147-00-00
Unavailable
20
SCREW, PILOT
(8A8-14923-00-00)
Unavailable
21
CAP
8A7-14969-00-00
Unavailable
22
. PLATE
313-14146-00-00
Unavailable
23
YBS67-5 WASHER, SPRING
92990-05100-00
Unavailable
24
SCREW, PAN HEAD(6B0)
97885-05016-00
Unavailable
25
VALVE, THROTTLE 1
(8A8-14112-15-00)
Unavailable
25
VALVE, THROTTLE 2
(8A8-14113-15-00)
Unavailable
26
NEEDLE
(275-14116-03-00)
Unavailable
27
CLIP
3FA-14137-00-00
Unavailable
28
SEAT, SPRING
(363-14136-00-00)
Unavailable
29
. SPRING, THROTTLE VALVE
363-14131-00-00
Unavailable
30
. GASKET
363-14126-00-00
Unavailable
31
CLIP
363-14137-00-00
Unavailable
32
. TOP, MIXING CHAMBER
510-14158-00-00
Unavailable
33
GASKET
509-14198-00-00
Unavailable
34
. GUIDE, CABLE
8A8-14155-00-00
Unavailable
35
NUT, WIRE ADJUSTING
127-14161-00-00
Unavailable
36
THROTTLE SCREW SET
40T-14103-00-00
Unavailable
37
SPRING, THROTTLE STOP
137-14133-00-00
Unavailable
38
AIR SCREW SET
23X-14104-00-00
Unavailable
39
SPRING, AIR ADJUSTING
127-14134-00-00
Unavailable
40
PLUNGER, STARTER
58E-14171-00-00
Unavailable
41
SPRING, PLUNGER
127-14135-00-00
Unavailable
42
. PLATE, STARTER LVR
8A7-14178-00-00
Unavailable
43
CAP, PLUNGER
(8A7-14174-00-00)
Unavailable
44
NUT, WIRE ADJUSTING
802-14161-00-00
Unavailable
45
CABLE ADJUST SCREW SET
12G-14106-00-00
Unavailable
46
CAP
8A7-14169-00-00
Unavailable
47
PIPE, AIRVENT
(8A7-14197-00-00)
Unavailable
48
HOSE
89A-14987-00-00
Unavailable
49
CLIP, PIPE
8A7-14139-00-00
Unavailable
50
CAP, CARBURETOR
(8A8-14471-00-00)
Unavailable
51
CLIP(3BM)
90467-10135-00
Unavailable
