Partiron

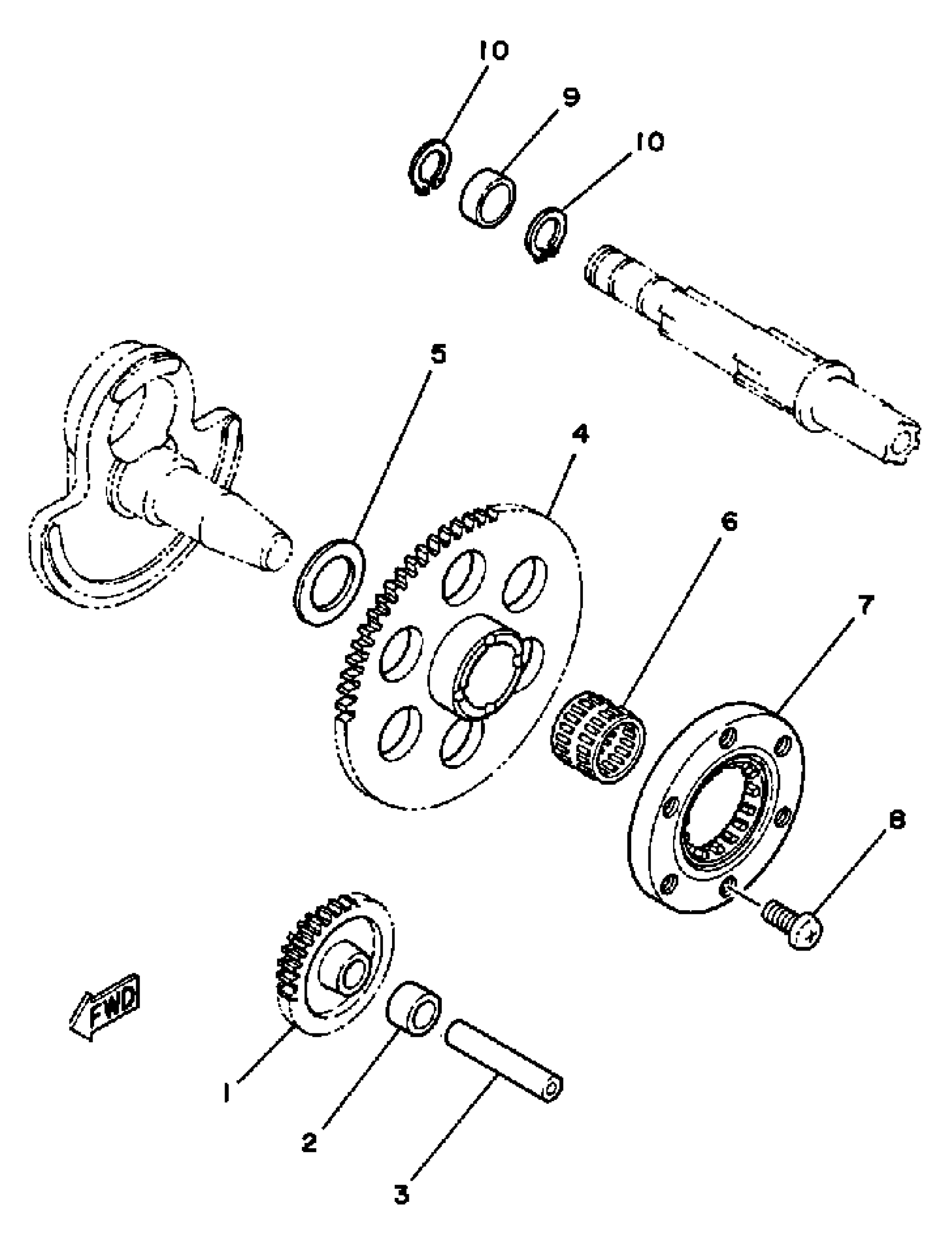
Yamaha SRX250TC (SRX250 CA) 1987 STARTER Diagram

#

Description
Price

1

GEAR, IDLER 1

51Y-15512-00-00

Unavailable

2

COLLAR

90387-12093-00

Unavailable

3

SHAFT 1

51Y-15521-00-00

Unavailable

4

GEAR, IDLER 2

51Y-15517-00-00

Unavailable

5

WASHER PLATE 371115580000

90201-25291-00

$10.49

6

BEARING, CYLINDRICAL(51Y)

93310-225N0-00

$45.99

7

STARTER ONE WAY ASSY

51Y-15590-01-00

Unavailable

8

BOLT, BUTTON

92017-08020-00

$7.49

9

SPACER

(90560-17265-00)

Unavailable

10

CIRCLIP(1EY)

99009-17400-00

$4.73