- Partiron
- OEM Parts
- Yamaha
- motorcycle
- 1987
- SRX250TC (SRX250 CA) 1987
SHIFT CAM FORK
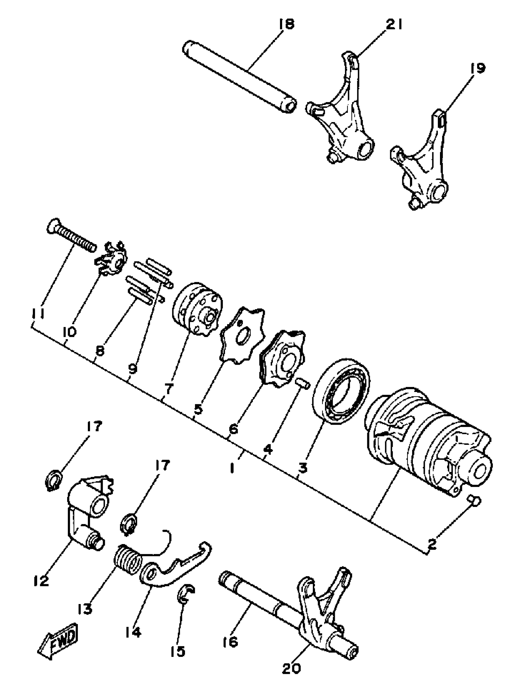
Yamaha SRX250TC (SRX250 CA) 1987 SHIFT CAM FORK Diagram
#
Description
Price
1
SHIFT CAM ASSEMBLY
30X-18540-00-00
Unavailable
5
. GUIDE, PLATE STOPPER
30X-18161-00-00
Unavailable
6
. PLATE, STOPPER
30X-18141-00-00
Unavailable
7
. SEGMENT
30X-18185-00-00
Unavailable
10
. PLATE, SIDE 1
30X-18561-02-00
Unavailable
12
LEVER, SHIFT 2
3Y1-18122-00-00
Unavailable
14
LEVER, CHANGE 3
2K7-18151-00-00
Unavailable
15
CIRCLIP
99080-07600-00
Unavailable
16
BAR, SHIFT FORK GUIDE 1
4DN-18531-00-00
Unavailable
17
CIRCLIP(10W)
99009-10400-00
Unavailable
18
BAR, SHIFT FORK GUIDE 2
4DN-18535-00-00
Unavailable
19
FORK, SHIFT 1
30X-18511-00-00
Unavailable
20
FORK, SHIFT 2
30X-18512-00-00
Unavailable
21
FORK, SHIFT 3
30X-18513-00-00
Unavailable
