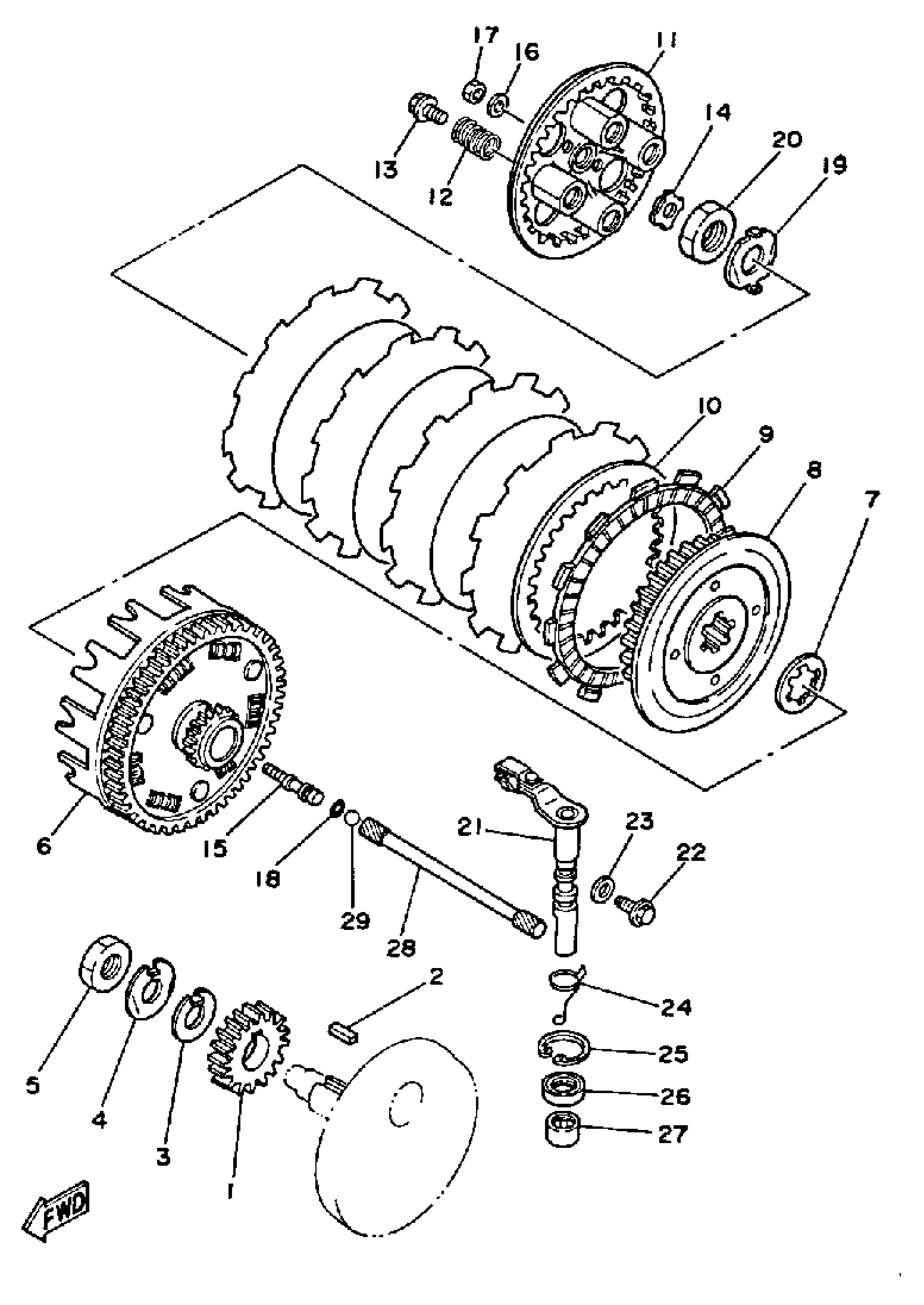
Yamaha SRX250TC (SRX250 CA) 1987 CLUTCH Diagram
#
Description
Price
1
GEAR, PRIMARY DRIVE (23T)
30X-16111-00-00
Unavailable
2
KEY, STRAIGHT (30X)
90282-07057-00
Unavailable
6
PRI DRIVEN GEAR COMP. (17T-72T)
30X-16150-00-00
Unavailable
8
BOSS, CLUTCH
30X-16371-00-00
Unavailable
15
ROD, PUSH 1
30X-16356-00-00
Unavailable
16
YBS66-6 WASHER, PLAIN
92990-06200-00
Unavailable
17
NUT, HEXAGON
95380-06600-00
Unavailable
18
O-RING (26H)
93210-06632-00
Unavailable
19
WASHER, LOCK (30X)
90215-16320-00
Unavailable
20
NUT, HEXAGON (30X)
90170-16326-00
Unavailable
21
PUSH LEVER ASSY
3Y1-16380-01-00
Unavailable
22
SCREW 425163430000
90149-08067-00
Unavailable
23
WASHER, PLATE 3411117500
90201-08087-00
Unavailable
24
SPRING, TORSION (3Y1)
90508-14433-00
Unavailable
25
CIRCLIP (3Y1)
93420-28055-00
Unavailable
26
OIL SEAL (3Y1)
93102-14209-00
Unavailable
27
BEARING, CYLINDRICAL (3Y1)
93315-31428-00
Unavailable
28
ROD, PUSH 2
30X-16357-00-00
Unavailable
29
BALL (498)
93511-32027-00
Unavailable
