- Partiron
- OEM Parts
- Yamaha
- snowmobile
- 2022
- SRX1NNL (SRX120R) 8MV7 2022
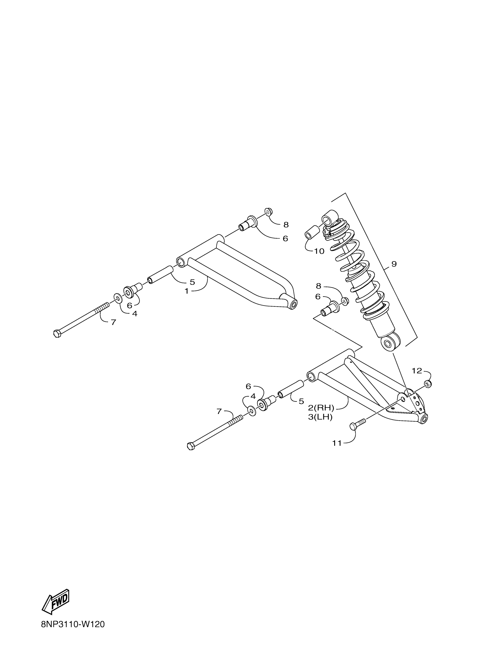
FRONT SUSPENSION
Yamaha SRX1NNL (SRX120R) 8MV7 2022 FRONT SUSPENSION Diagram
#
Description
Price
6
AXLE,PWD CRANK (NO BEARING)
8JM-F3583-00-00
Unavailable
7
BOLT, HEXAGON 3/8-
8JM-RA107-10-00
Unavailable
9
ABSORBER ASSY 1
8MV-F376A-00-00
Unavailable
