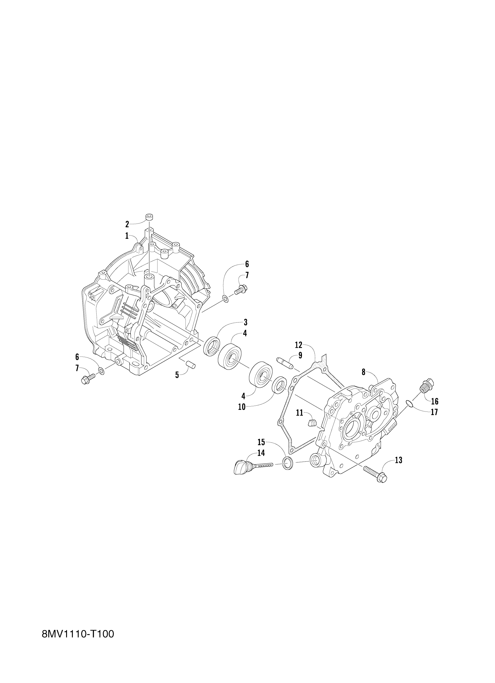
Yamaha SRX1NJW (SRX120) 8MV10 2018 CRANKCASE Diagram
#
Description
Price
1
CRANKCASE 1
7CL-E5111-20-00
Unavailable
8
COVER, CRANKCASE 1
7CN-E5411-50-00
Unavailable
9
SHAFT, FLYWHEEL
7CN-E1971-00-00
Unavailable
11
PLUG
90338-06800-00
Unavailable
16
PLUG, OIL LEVEL
7CN-E5362-00-00
Unavailable
17
O-RING
93210-13801-00
Unavailable
