- Partiron
- OEM Parts
- Yamaha
- snowmobile
- 2015
- SRX120FL (SRX120) 8JM5 2015
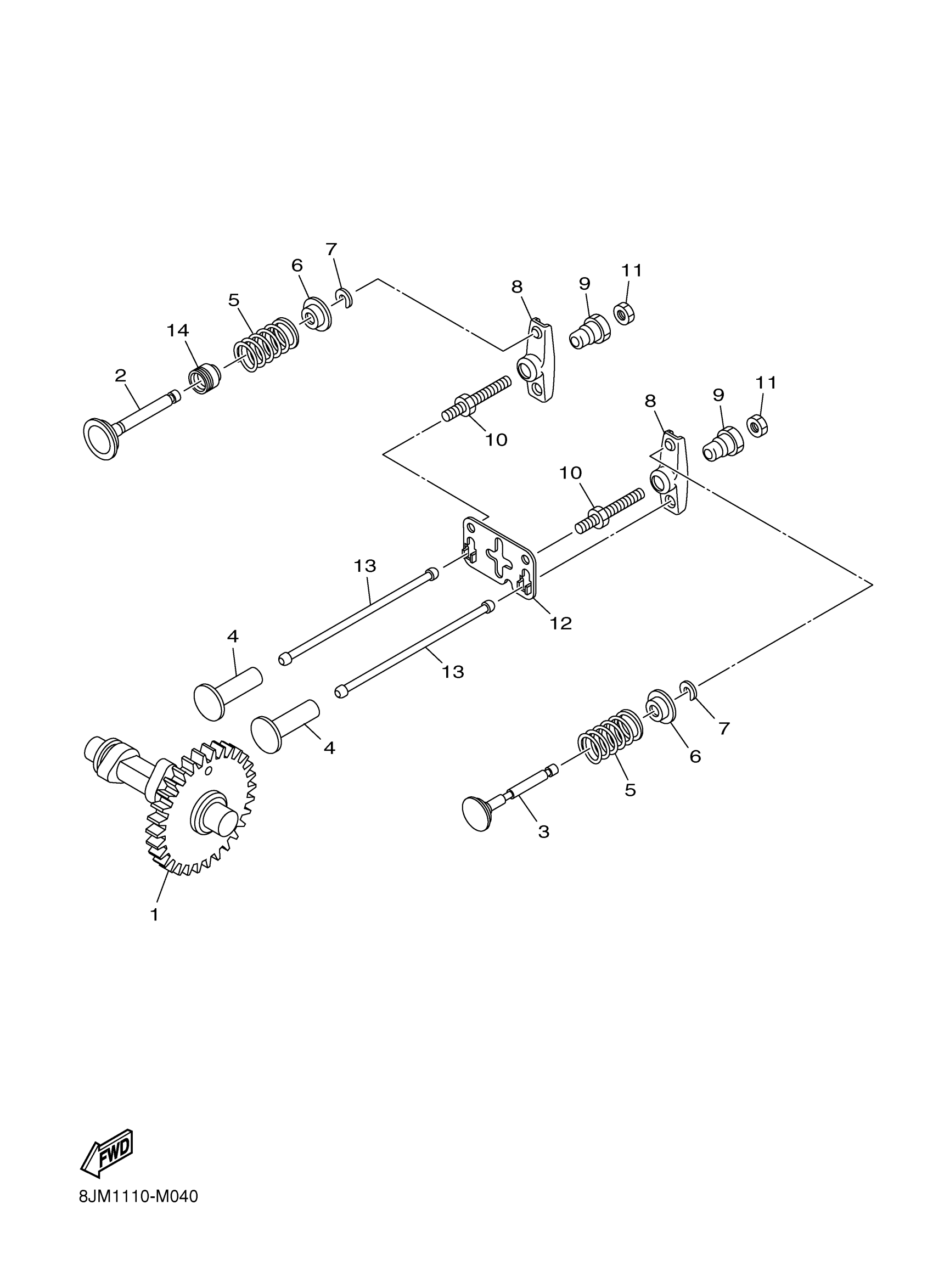
CAMSHAFT VALVE
Yamaha SRX120FL (SRX120) 8JM5 2015 CAMSHAFT VALVE Diagram
#
Description
Price
11
NUT, LOCK
7CN-E2158-01-00
Unavailable
12
GUIDE, PUSH ROD
7CL-E2155-01-00
Unavailable
