Partiron

Yamaha SR643 1975 ELECTRICAL Diagram

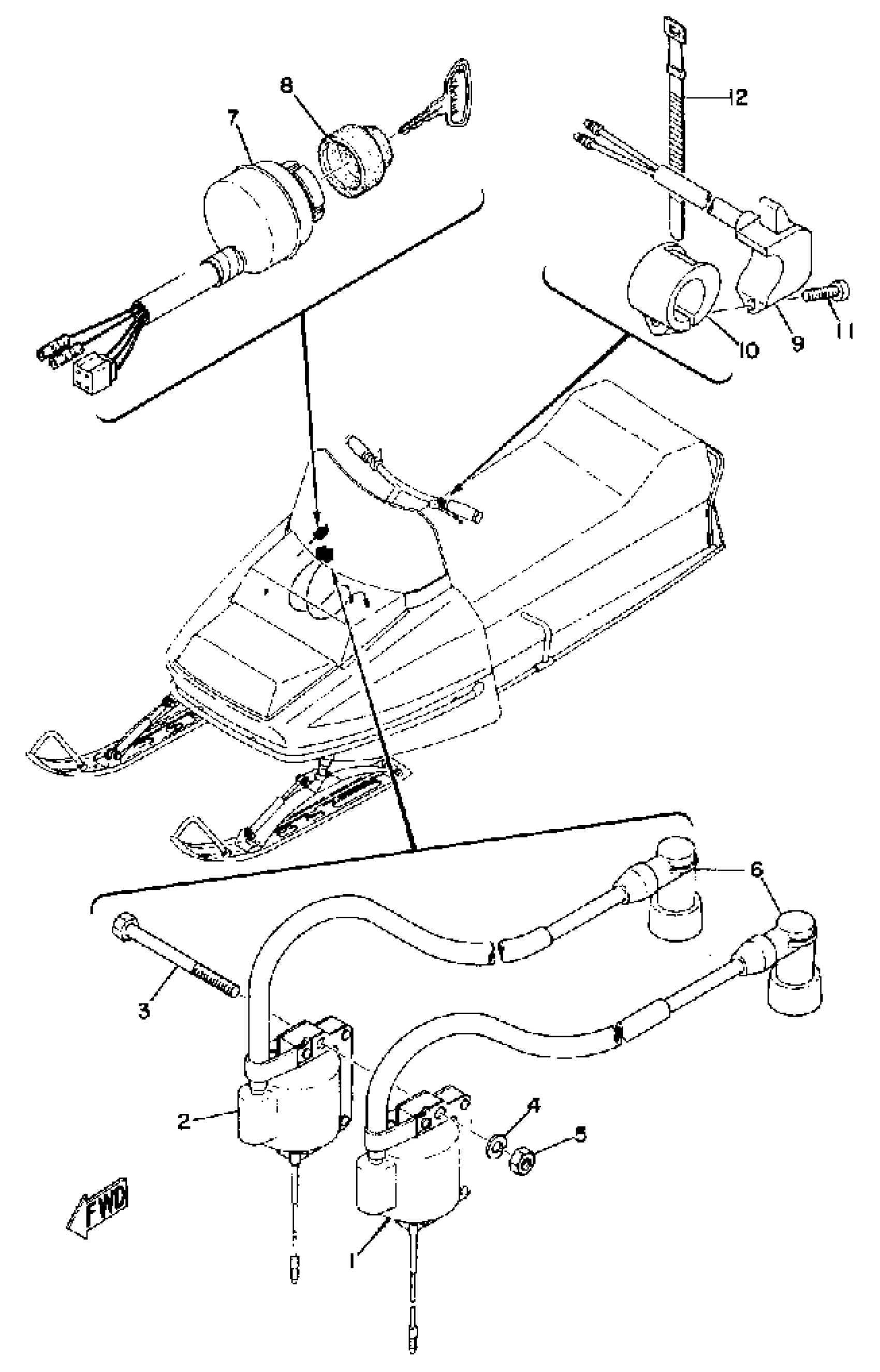
#

Description
Price

1

IGNITION COIL ASSEMBLY

(829-82310-40-00)

Unavailable

2

IGNITION COIL ASSEMBLY

(829-82320-40-00)

Unavailable

3

BOLT, HEXAGON

(97306-06070-00)

Unavailable

4

WASHER, SPRING

92907-06100-00

$4.25

5

NUT(6TA)

95317-06600-00

$3.55

6

PLUG CAP ASSY

56J-82370-00-00

$64.99

7

MAIN SWITCH ASSEMBLY

(829-82508-20-00)

Unavailable

8

COLLAR, MAIN SWITCH

806-82516-00-00

Unavailable

9

SWITCH, HANDLE 1

(820-83976-00-00)

Unavailable

10

HOLDER, HANDLE SWCH

214-83974-00-00

Unavailable

11

SCREW, PAN HEAD(4MY)

98507-05018-00

$3.28

12

BAND, SWITCH CORD

437-83936-01-00

$7.99