- Partiron
- OEM Parts
- Yamaha
- snowmobile
- 1991
- SR540RSR 1991
STARTER
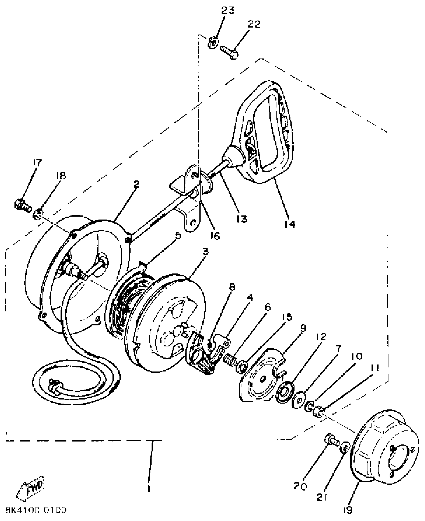
Yamaha SR540RSR 1991 STARTER Diagram
#
Description
Price
1
STARTER ASY
99999-02987-00
Unavailable
2
CASE, STARTER
8H8-15711-00-00
Unavailable
10
WASHER, SPRING
92995-06100-00
Unavailable
16
HOLDER, HANDLE
8F3-15788-01-00
Unavailable
17
BOLT, HEXAGON DEEP RECESS
97D95-06014-00
Unavailable
18
WASHER, SPRING
92995-06100-00
Unavailable
19
PULLEY, STARTER
8H8-15723-01-00
Unavailable
20
BOLT, HEXAGON
97013-08020-00
Unavailable
21
YBS67-8 WASHER, SPRING
92990-08100-00
Unavailable
22
BOLT, HEXAGON
97017-06012-00
Unavailable
23
WASHER, SPRING
92907-06100-00
Unavailable
