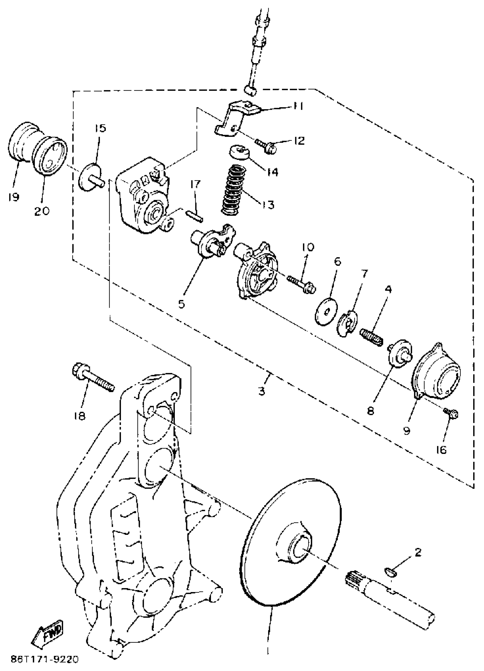
Yamaha SR540RSR 1991 BRAKE Diagram
#
Description
Price
1
DISC, BRAKE (RIGHT)
87M-25831-01-00
Unavailable
3
CALIPER BODY COMP.1
86M-25730-01-00
Unavailable
5
. LEVER, BRAKE
86M-25726-01-00
Unavailable
6
SHIM, CALIPER
86M-25827-00-00
Unavailable
7
LOCK, ONE WAY 2
86M-25773-00-00
Unavailable
9
COVER
86M-25772-00-00
Unavailable
10
BOLT, CALIPER
86M-25818-00-00
Unavailable
11
. BRACKET, CALIPER
86M-25721-00-00
Unavailable
13
. SPRING, COMPRESSION
86M-25743-00-00
Unavailable
14
. SPRING, STOPPER
86M-25714-00-00
Unavailable
15
PLATE, BACK UP
86M-25733-00-00
Unavailable
16
BOLT, FITTING
86M-25833-00-00
Unavailable
17
PIN 2
86M-25744-00-00
Unavailable
18
BOLT, FLANGE(8AB)
95817-10050-00
Unavailable
19
PAD, CALIPER 2
89J-25811-00-00
Unavailable
20
PAD, CALIPER 2
89J-25911-00-00
Unavailable
