Partiron

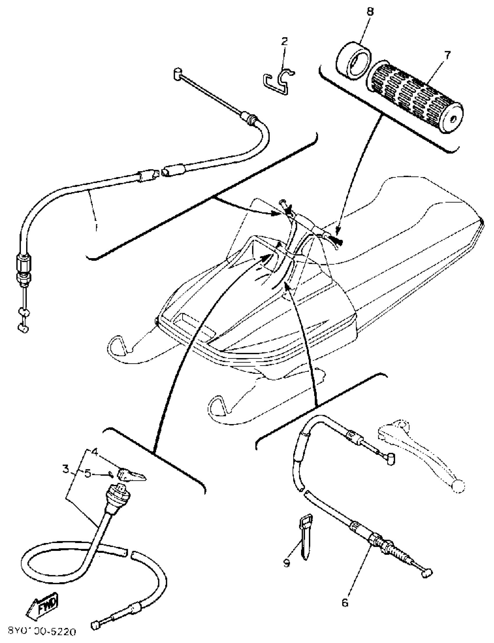
Yamaha SR540P (SRV) 1990 CONTROL - CABLE Diagram

#

Description
Price

1

CABLE, THROTTLE 1

8Y0-26311-00-00

Unavailable

2

CLAMP (8X0)

90465-10189-00

$8.49

3

CABLE, STARTER 1

8Y0-26331-01-00

$42.99

4

. END, CABLE 3

8L2-26374-00-00

Unavailable

5

PIN, SPRING (663)

91690-30010-00

Unavailable

6

CABLE, BRAKE

8K4-26340-00-00

Unavailable

7

GRIP

801-26241-02-00

$10.99

8

COLLAR

90387-22726-00

Unavailable

9

BAND

341-26397-01-00

Unavailable