Partiron

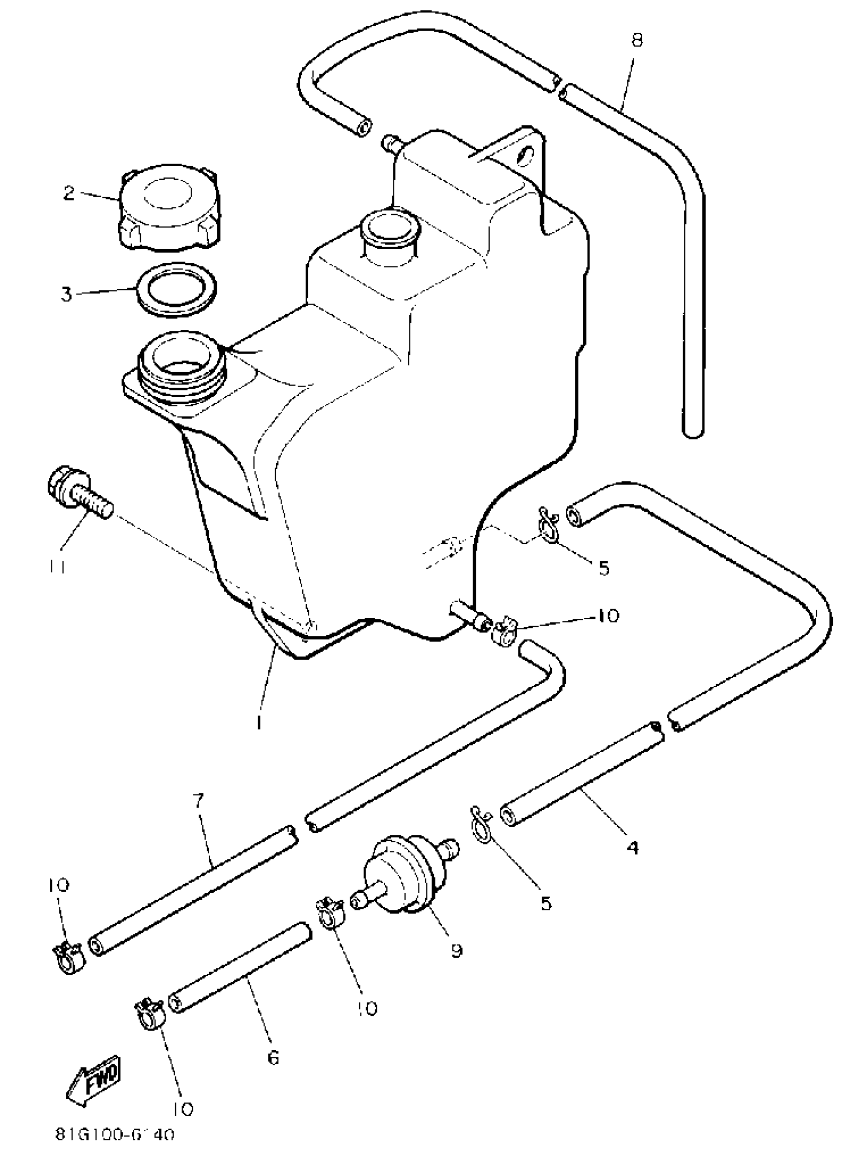
Yamaha SR540L (SRV) 1987 OIL TANK Diagram

#

Description
Price

1

TANK, OIL (8L8-21751-00)

86U-21751-00-00

Unavailable

2

BODY, CAP

8LU-21771-00-00

$31.99

3

GASKET, TANK (867)

90430-31003-00

$10.49

4

HOSE

91A30-07036-00

Unavailable

5

CLIP (8J7)

90467-11009-00

$10.49

6

TUBE, FLEXIBLE VINYL(8AK)

91A30-05039-00

$10.49

7

TUBE,FLEXIBLE VINYL(85R)

91A30-05080-00

$18.99

8

TUBE, FLEXIBLE VINYL(8AK)

91A20-05080-00

$14.99

9

HOUSING STRAINER ASSY

8G8-13410-00-00

$28.99

10

CLIP (8A1)

90467-09026-00

$3.28

11

BOLT, WITH WASHER (10V)

90119-06063-00

$9.49