- Partiron
- OEM Parts
- Yamaha
- snowmobile
- 1985
- SR540J (SRV) 1985
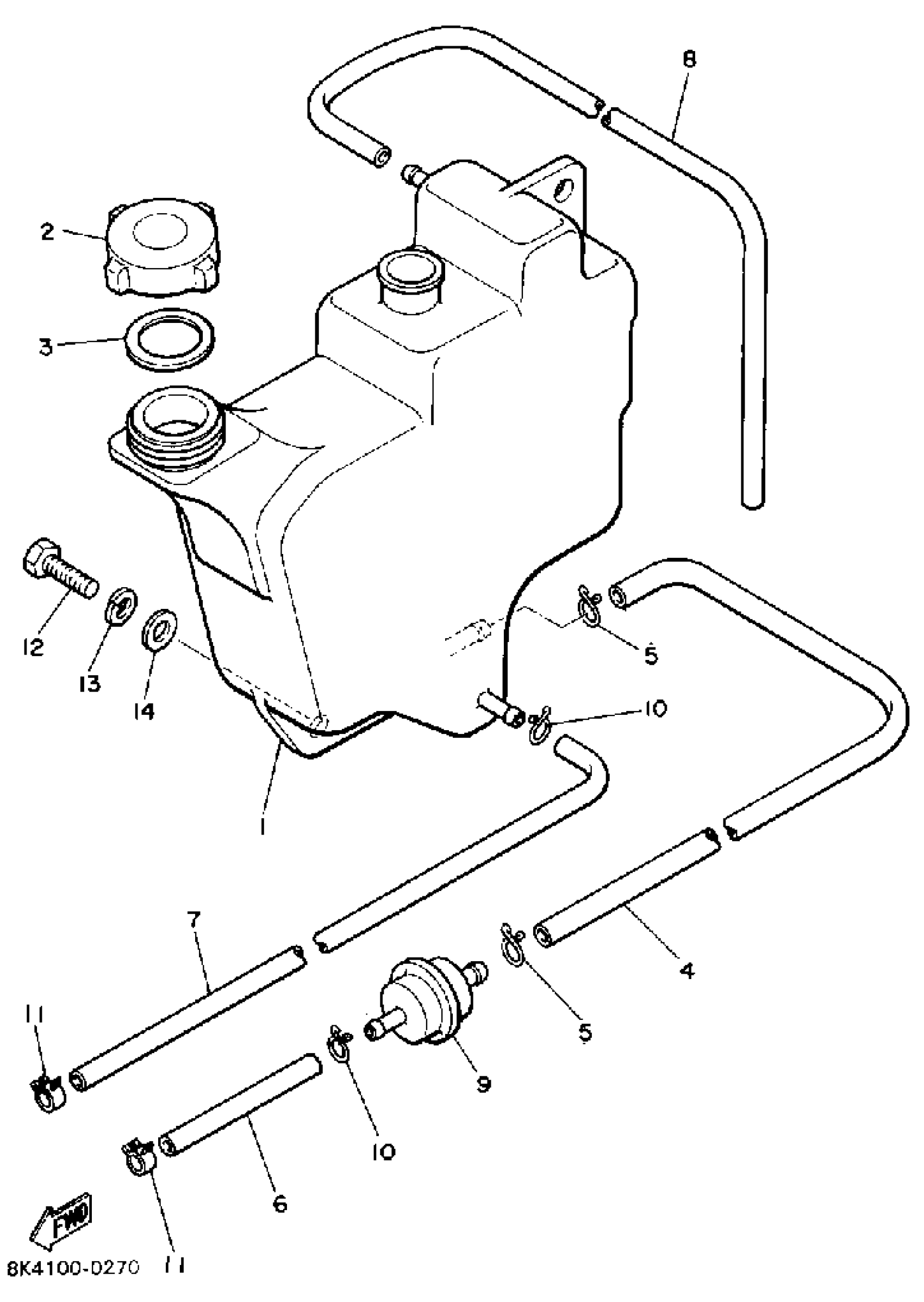
OIL TANK SR540J
Yamaha SR540J (SRV) 1985 OIL TANK SR540J Diagram
#
Description
Price
1
TANK, OIL (8L8-21751-00)
86U-21751-00-00
Unavailable
4
HOSE
91A30-07036-00
Unavailable
13
WASHER, SPRING
92995-06100-00
Unavailable
