- Partiron
- OEM Parts
- Yamaha
- snowmobile
- 1984
- SR540H (SRV) 1984
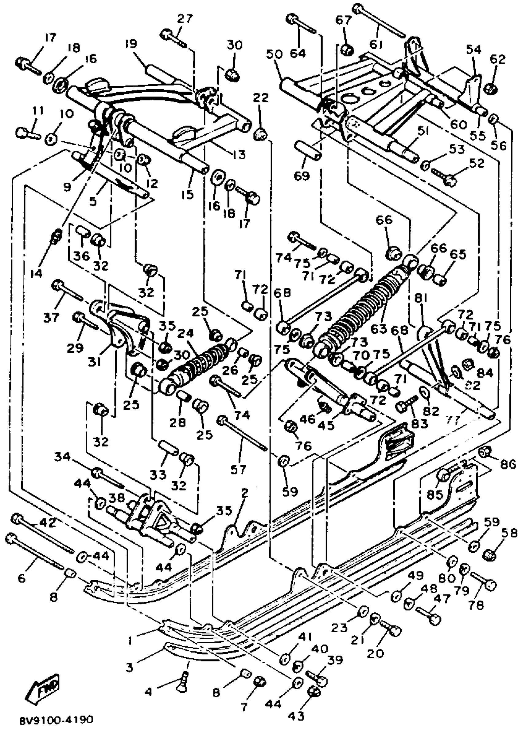
TRACK SUSPENSION 2
Yamaha SR540H (SRV) 1984 TRACK SUSPENSION 2 Diagram
#
1
FRAME SLIDING 2
88R-W4741-00-00
Unavailable
2
FRAME SLIDING 2
88R-W4741-00-00
Unavailable
3
RUNNER,SLIDING 1
8R9-47421-00-XX
Unavailable
5
BRACKET 1
8U7-47415-00-00
Unavailable
6
BOLT, HEXAGON
97027-08250-00
Unavailable
8
WASHER
8U7-47359-00-00
Unavailable
9
STOPPER 1
8U7-47495-00-00
Unavailable
13
ARM, PIVOT 1
8U7-47331-00-00
Unavailable
14
NIPPLE, GREASE
93700-06M03-00
Unavailable
15
SHAFT 1
885-47465-03-00
Unavailable
16
SPACER
8U7-47341-00-00
Unavailable
17
BOLT, FLANGE
95817-10035-00
Unavailable
18
WASHER, PLATE (2H7)
90201-10669-00
Unavailable
19
SHAFT 3
82M-47485-02-00
Unavailable
20
BOLT (8J7)
97013-10030-00
Unavailable
21
YBS67-10 WASHER, SPRING
92990-10100-00
Unavailable
22
COLLAR (8U7)
90387-105G6-00
Unavailable
23
958-69527-00 WASHER, PLAIN
92990-10200-00
Unavailable
24
SHOCK ABSORBER 2
8V9-47481-00-00
Unavailable
25
COLLAR (8U7)
90387-123G4-00
Unavailable
26
COLLAR
90387-08775-00
Unavailable
27
. BOLT
90101-08557-00
Unavailable
28
COLLAR
90387-08478-00
Unavailable
29
BOLT
97021-08065-00
Unavailable
31
BRACKET 6
8U7-47464-00-00
Unavailable
32
COLLAR
90387-123G5-00
Unavailable
33
COLLAR
90387-08478-00
Unavailable
34
BOLT
97021-08065-00
Unavailable
36
COLLAR
90387-084G0-00
Unavailable
37
BOLT, HEXAGON
97027-08100-00
Unavailable
38
BRACKET 4
8U7-47418-00-00
Unavailable
39
BOLT (682)
97013-08025-00
Unavailable
40
YBS67-8 WASHER, SPRING
92990-08100-00
Unavailable
41
.. WASHER, PLATE
92990-08600-00
Unavailable
42
BOLT, HEXAGON
97027-08250-00
Unavailable
44
.. WASHER, PLATE
92990-08600-00
Unavailable
45
BRACKET 2
8AX-47416-01-00
Unavailable
46
NIPPLE, GREASE
93700-06M03-00
Unavailable
47
BOLT, HEXAGON
97017-06020-00
Unavailable
48
WASHER, SPRING
92995-06100-00
Unavailable
49
WASHER, PLAIN (646)
92990-06600-00
Unavailable
50
ARM, PIVOT 2
8AV-47332-01-00
Unavailable
50
WASHER, PLATE(8AT)
90201-081R9-00
Unavailable
50
ARM, PIVOT 2 (8U7-47332-00-00)
99999-02178-00
Unavailable
51
SHAFT 2
8U7-47475-01-00
Unavailable
52
BOLT, FLANGE
95817-10035-00
Unavailable
53
WASHER, PLATE (2H7)
90201-10669-00
Unavailable
54
BRACKET 3
8U7-47417-00-00
Unavailable
55
COLLAR
90387-08632-00
Unavailable
56
WASHER (1T1)
90201-08649-00
Unavailable
57
BOLT, HEXAGON
97027-08250-00
Unavailable
59
.. WASHER, PLATE
92990-08600-00
Unavailable
60
COLLAR (8U7)
90387-083G6-00
Unavailable
61
BOLT (83L)
97027-08220-00
Unavailable
63
SHOCK ABSORBER
8Y0-47480-00-00
Unavailable
64
BOLT
90101-10561-00
Unavailable
65
COLLAR (8U7)
90387-105G5-00
Unavailable
66
COLLAR (8U7)
90387-145G7-00
Unavailable
67
NUT, NYLON
95707-10300-00
Unavailable
68
ROD, RELAY
8U7-47494-02-00
Unavailable
69
COLLAR
90387-103G9-00
Unavailable
70
COLLAR
90387-104G1-00
Unavailable
71
COLLAR(87A)
90387-100X3-00
Unavailable
72
COLLAR (8U7)
90387-143G7-00
Unavailable
73
COLLAR (8U7)
90387-144G2-00
Unavailable
74
BOLT
90101-10560-00
Unavailable
75
WASHER, PLATE (17K)
90201-106F2-00
Unavailable
76
NUT, NYLON
95707-10300-00
Unavailable
77
SHAFT 4
8V0-47486-00-00
Unavailable
78
BOLT (682)
97013-08025-00
Unavailable
79
YBS67-8 WASHER, SPRING
92990-08100-00
Unavailable
80
.. WASHER, PLATE
92990-08600-00
Unavailable
81
STOPPER 2
8U7-47496-00-00
Unavailable
83
BOLT(3RV)
97014-06035-00
Unavailable
85
COLLAR 3
8K2-47479-01-00
Unavailable
86
NUT, NYLON
95707-10300-00
Unavailable
