Partiron

Yamaha SR540H (SRV) 1984 TRACK DRIVE 1 Diagram

#

Description
Price

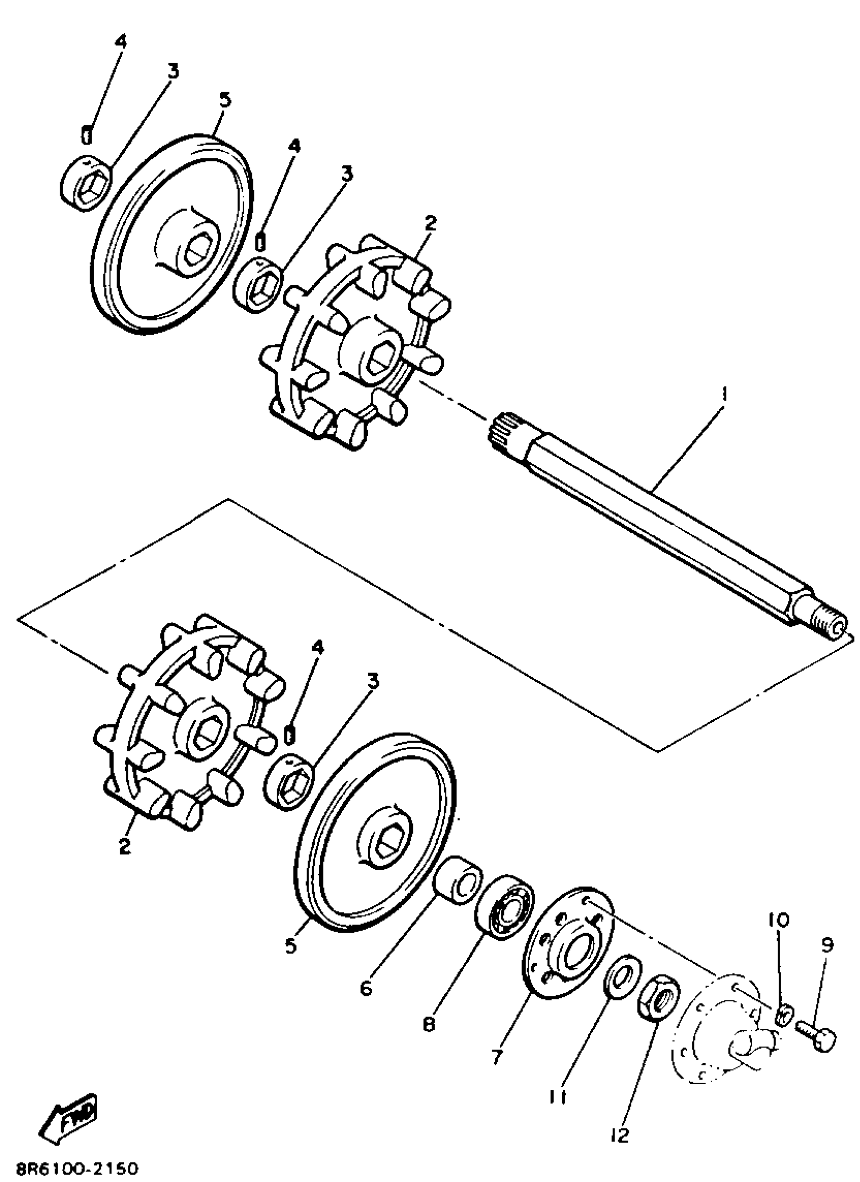
1

AXLE, FRONT

8L0-W4751-00-00

Unavailable

2

WHEEL, SPROCKET 1

8R6-W4753-01-00

Unavailable

3

COLLAR

8K1-47526-00-00

Unavailable

4

BOLT, SET (8K2)

90113-06039-00

$9.49

5

WHEEL, GUIDE 1

8L9-47534-01-00

Unavailable

6

COLLAR

90387-220A6-00

Unavailable

7

HOUSING, FRONT AXLE

8K4-47551-00-00

$31.99

8

BEARING 60/22

93306-00420-00

$40.99

9

BOLT, HEXAGON

97017-08016-00

$8.49

10

YBS67-8 WASHER, SPRING

92990-08100-00

$5.60

11

WASHER 810475810000

90208-22001-00

$8.49

12

NUT (821-47579-00)

90170-22094-00

$5.60