- Partiron
- OEM Parts
- Yamaha
- snowmobile
- 1984
- SR540H (SRV) 1984
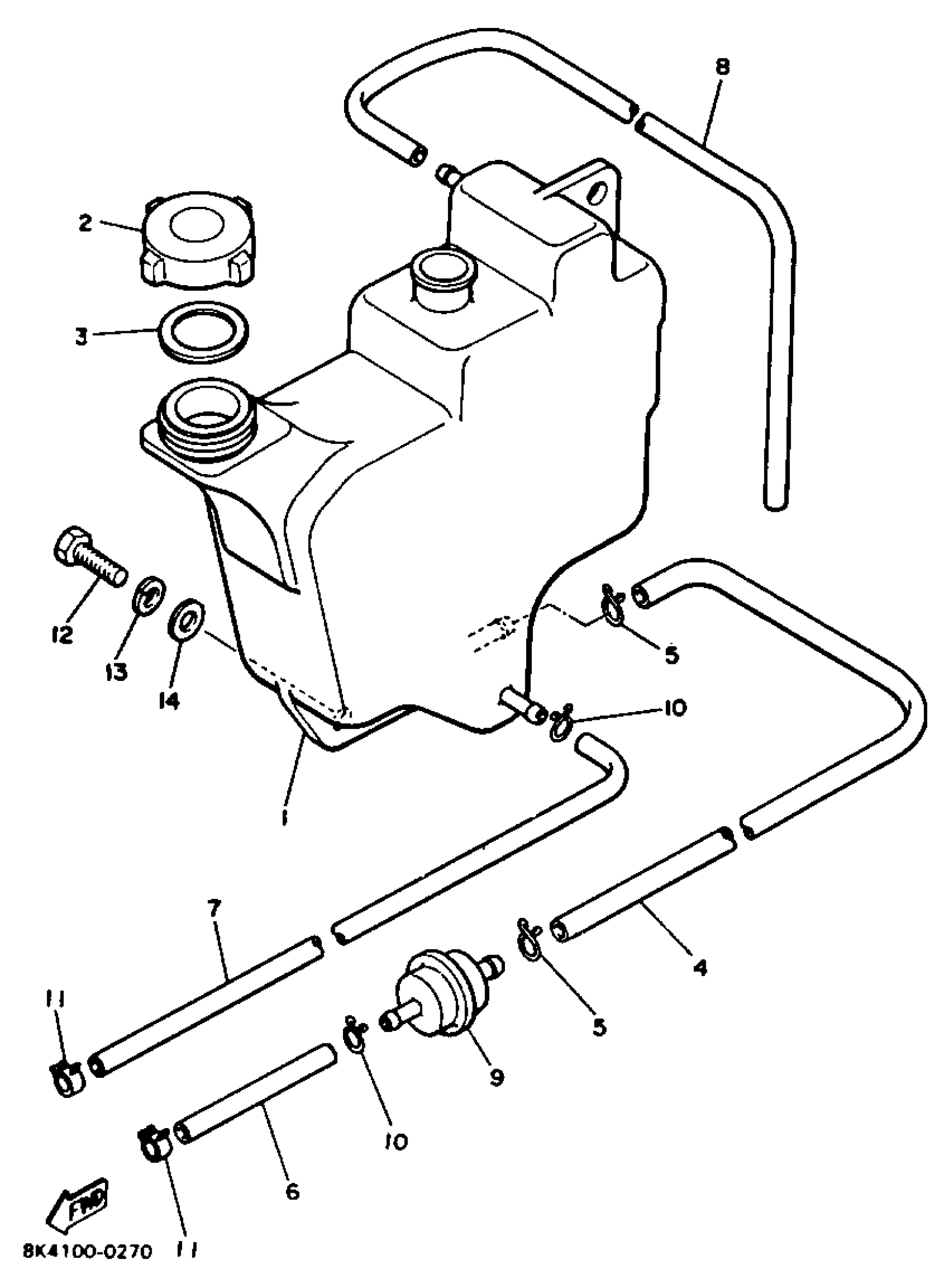
OIL TANK
Yamaha SR540H (SRV) 1984 OIL TANK Diagram
#
Description
Price
1
TANK, oil (8L8-21751-00-00)
864-21751-00-00
Unavailable
4
HOSE
91A30-07036-00
Unavailable
13
WASHER, SPRING
92995-06100-00
Unavailable
