- Partiron
- OEM Parts
- Yamaha
- snowmobile
- 1983
- SR540G (SRV) 1983
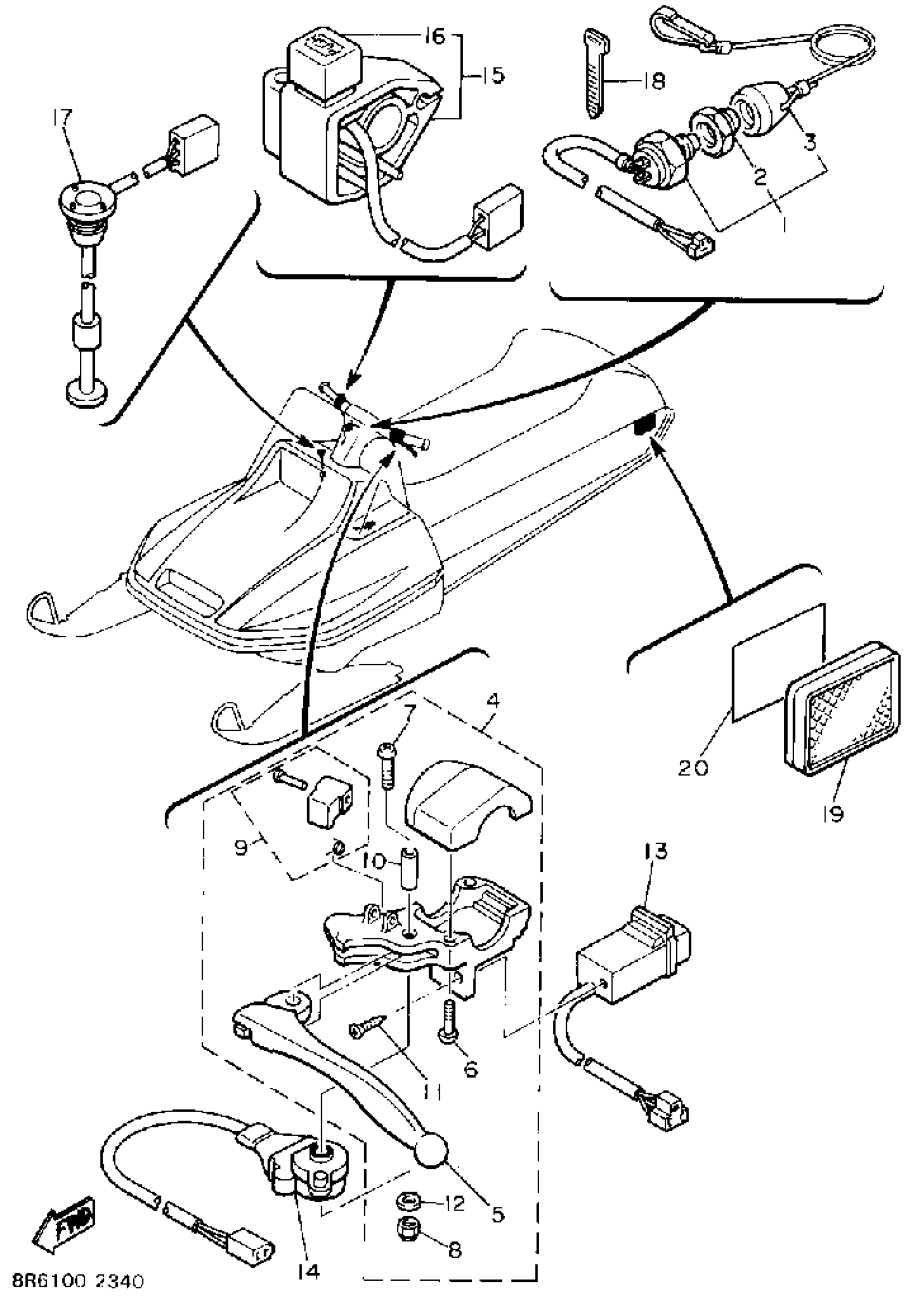
ELECTRICAL 2
Yamaha SR540G (SRV) 1983 ELECTRICAL 2 Diagram
#
Description
Price
6
SCREW, PAN HEAD(41N)
90157-05057-00
Unavailable
9
. LEVER LOCK ASSEMBLY (8K4-83930-00-00)
82A-83930-00-00
Unavailable
10
COLLAR, LEVER
802-83913-00-00
Unavailable
11
. SCREW, TAPPING
97780-30312-00
Unavailable
12
. WASHER, PLAIN
92990-05200-00
Unavailable
15
SWITCH, HANDLE 1
8L8-83976-00-00
Unavailable
16
CAP 1
8E3-83956-01-00
Unavailable
17
OIL LEVEL GAUGE ASSY
4HV-85720-03-00
Unavailable
18
BAND, SWITCH CORD
437-83936-01-00
Unavailable
19
REAR REFLECTOR ASSY
81G-85130-00-00
Unavailable
20
TAPE, REFLECTOR
878-85133-00-00
Unavailable
