- Partiron
- OEM Parts
- Yamaha
- snowmobile
- 1980
- SR540D 1980
SHROUD - WINDSHIELD SR540E
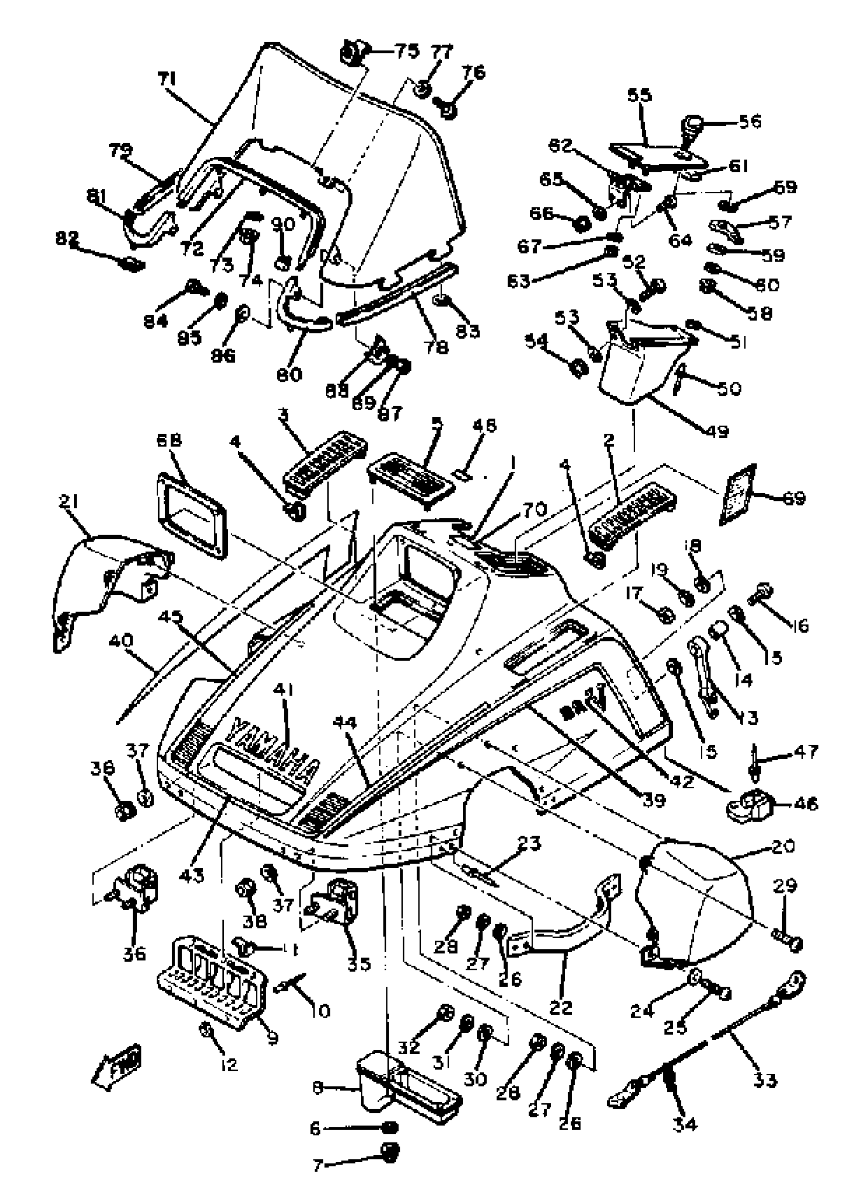
Yamaha SR540D 1980 SHROUD - WINDSHIELD SR540E Diagram
#
1
SHROUD ASSEMBLY
8L9-W7711-00-00
Unavailable
2
LOUVER 3
8L9-77133-00-00
Unavailable
3
LOUVER 4
8L9-77134-00-00
Unavailable
4
CLIP
90468-05094-00
Unavailable
5
LOUVER 5 (83W-77109-00)
8L9-77109-00-00
Unavailable
8
INSULATOR
8K4-7712E-00-00
Unavailable
9
DUCT
8K4-77194-00-00
Unavailable
11
CLIP(80V)
90468-05176-00
Unavailable
13
LATCH ASSEMBLY
8G5-77170-00-00
Unavailable
16
SCREW, BINDING
98907-06030-00
Unavailable
17
NUT, HEXAGON
95380-06600-00
Unavailable
18
WASHER, PLAIN (646)
92990-06600-00
Unavailable
19
WASHER, SPRING
92995-06100-00
Unavailable
20
HOOD 1
8L0-77121-00-00
Unavailable
21
HOOD 2
8L0-77122-00-00
Unavailable
22
STAY 1
8L0-77125-00-00
Unavailable
23
RIVET (856)
90267-48014-00
Unavailable
25
SCREW, BINDING (8J0)
90154-05005-00
Unavailable
27
YBS67-5 WASHER, SPRING
92990-05100-00
Unavailable
28
NUT, HEXAGON (663)
95380-05600-00
Unavailable
29
SCREW, BIND (705)
98980-06016-00
Unavailable
30
WASHER, PLATE
90201-06M08-00
Unavailable
31
WASHER, SPRING
92995-06100-00
Unavailable
32
NUT, HEXAGON
95380-06600-00
Unavailable
33
STOPPER, SHROUD
8K4-77118-00-00
Unavailable
34
CLAMP,ROD
838-77159-00-00
Unavailable
35
HINGE ASSEMBLY
8L8-77140-00-00
Unavailable
36
HINGE ASSEMBLY 2
8L8-7714A-00-00
Unavailable
37
WASHER, PLATE
90201-067A6-00
Unavailable
38
NUT, NYLON
95707-06300-00
Unavailable
39
ORNAMENT 1
8L9-77163-00-00
Unavailable
40
ORNAMENT 2
8L9-77164-00-00
Unavailable
41
EMBLEM 7
(8L9-77357-00-00)
Unavailable
42
EMBLEM 8
8L9-77358-00-00
Unavailable
43
STRIPE 1
8L9-77281-00-00
Unavailable
44
STRIPE 2
(8L9-77282-00-00)
Unavailable
45
STRIPE 4
(8L9-77284-00-00)
Unavailable
46
STOPPER
8K4-77188-00-00
Unavailable
47
RIVET, BLIND (8R6)
90267-48086-00
Unavailable
48
LABEL, SAFETY
288-21659-00-00
Unavailable
49
LUGGAGE BOX
8K4-77391-00-00
Unavailable
50
RIVET, BLIND
90267-489UJ-00
Unavailable
52
SCREW, PAN
98517-06020-00
Unavailable
53
WASHER, PLATE 8221447500
90201-06057-00
Unavailable
54
NUT, NYLON
95707-06300-00
Unavailable
55
COVER, LUGGAGE BOX
8L9-77392-00-00
Unavailable
56
KNOB
8L9-77324-00-00
Unavailable
56
GRAPHIC SET
(8L9-W0070-00-00)
Unavailable
57
LEVER, ARM FITTING
8K4-77328-00-00
Unavailable
59
WASHER, PLAIN(735)
90201-10119-00
Unavailable
60
WASHER, PLATE (8J0)
90201-05725-00
Unavailable
61
DAMPER 2
8K4-77374-00-00
Unavailable
62
HINGE ASSEMBLY
8K4-77470-00-00
Unavailable
63
NUT, CAP
95307-05800-00
Unavailable
64
SCREW, PAN HEAD
90157-05M19-00
Unavailable
67
WASHER, PLAIN LARGE
92907-05200-00
Unavailable
68
TRIM 1
8K4-77165-00-00
Unavailable
69
INDICATOR 3
8L9-77743-00-00
Unavailable
70
LABEL, WARNING 1
8L2-77761-01-00
Unavailable
71
WINDSHIELD (8L0-77210-00)
8L0-77210-00-XX
Unavailable
72
TRIM, LOWER
8L0-77214-00-00
Unavailable
73
WASHER, PLAIN (646)
92990-05600-00
Unavailable
75
BRACKET, WNDSHLD R
8K4-77222-00-00
Unavailable
76
BOLT(3JP)
97017-06010-00
Unavailable
77
WASHER, SPRING
92995-06100-00
Unavailable
78
TRIM 3
8L0-77215-00-00
Unavailable
79
TRIM 4
8L0-77216-00-00
Unavailable
80
TRIM 5
8L0-77225-00-00
Unavailable
81
TRIM 6
8L0-77226-00-00
Unavailable
82
NUT, SPRING(8AJ)
90183-05068-00
Unavailable
83
FASTNER
82H-77223-00-00
Unavailable
84
BOLT, HEXAGON
97313-05016-00
Unavailable
85
YBS67-5 WASHER, SPRING
92990-05100-00
Unavailable
86
WASHER PLATE 829771780000
90201-05033-00
Unavailable
87
NUT, CAP
95307-05800-00
Unavailable
88
WASHER, SPECIAL
8L9-77116-00-00
Unavailable
89
WASHER, PLATE
90201-06045-00
Unavailable
90
CLAMP 2
8L0-77136-00-00
Unavailable
