- Partiron
- OEM Parts
- Yamaha
- snowmobile
- 1980
- SR540D 1980
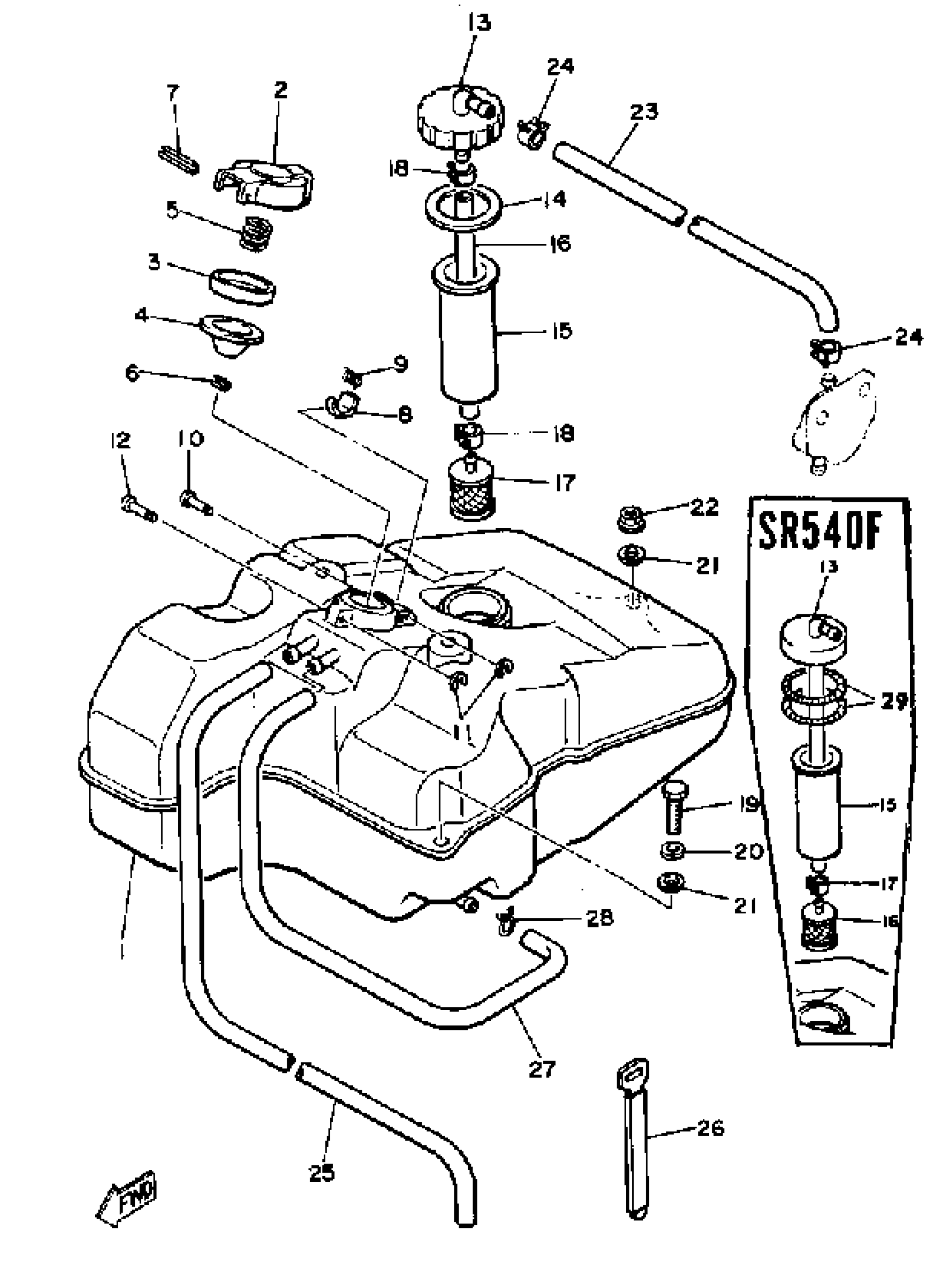
FUEL TANK SR540D-E-F
Yamaha SR540D 1980 FUEL TANK SR540D-E-F Diagram
#
Description
Price
1
FUEL TANK (8K4-24111-01)
86P-24111-01-00
Unavailable
1
FUEL TANK SET
99999-01675-00
Unavailable
2
BODY, CAP
8A5-24611-00-00
Unavailable
6
PIN, SPRING
91690-30016-00
Unavailable
9
SPRING, TORSION(81E)
90508-10715-00
Unavailable
12
PIN, SPEC''L SHAPE
90249-03016-00
Unavailable
13
PIPE, SUCTION 1
8K4-24335-00-00
Unavailable
14
GASKET, CAP
8K4-24612-00-00
Unavailable
15
PIPE, SUCTION 2
8K4-24336-00-00
Unavailable
16
HOSE
91A30-07036-00
Unavailable
17
FILTER ASSY
8H5-24560-00-00
Unavailable
18
CLIP
90467-11028-00
Unavailable
18
CLIP
90467-11028-00
Unavailable
19
BOLT, HEXAGON
97017-08025-00
Unavailable
20
YBS67-8 WASHER, SPRING
92990-08100-00
Unavailable
21
WASHER, PLATE (4W3)
90201-086A3-00
Unavailable
21
WASHER, PLATE (8L8)
90201-087A9-00
Unavailable
22
NUT, NYLON
95717-08300-00
Unavailable
23
HOSE
(90446-11166-00)
Unavailable
23
TUBE, FLEXIBLE VINYL(86X)
91A20-07100-00
Unavailable
24
CLIP
90467-11028-00
Unavailable
25
TUBE, FLEXIBLE VINYL(8AT)
91A20-05145-00
Unavailable
26
BAND
341-26397-01-00
Unavailable
27
TUBE, FLEXIBLE VINYL(8AK)
91A20-05080-00
Unavailable
28
CLIP (8L2)
90467-08017-00
Unavailable
29
SPRING, TENSION (8R4)
90506-06261-00
Unavailable
