- Partiron
- OEM Parts
- Yamaha
- snowmobile
- 1980
- SR540D 1980
ELECTRICAL 2 SR540D-E
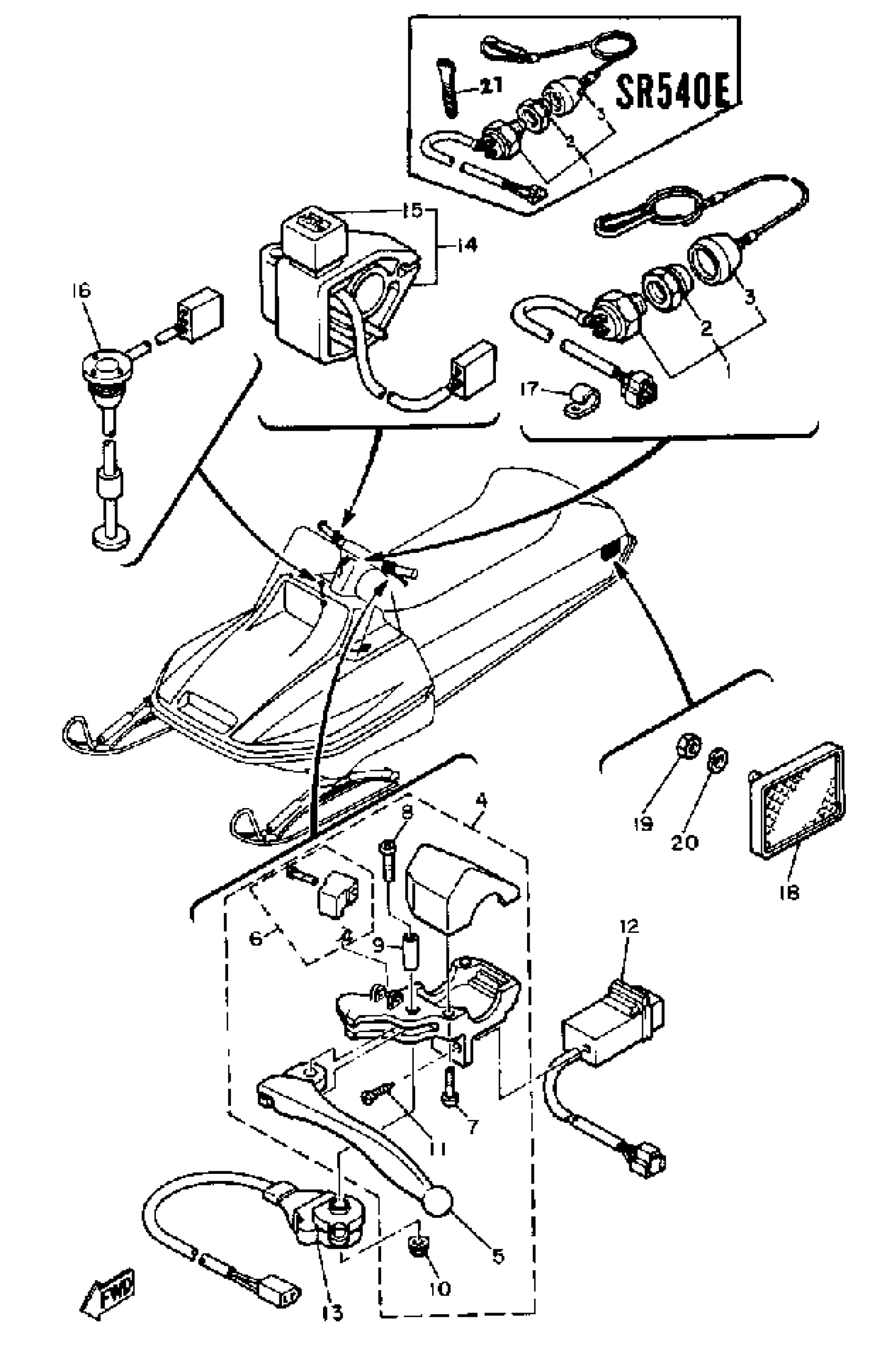
Yamaha SR540D 1980 ELECTRICAL 2 SR540D-E Diagram
#
Description
Price
4
LEVER HOLDER ASSEMBLY L
(8K4-W8291-02-00)
Unavailable
6
. LEVER LOCK ASSEMBLY (8K4-83930-00-00)
82A-83930-00-00
Unavailable
6
LEVER LOCK ASSEMBLY
(8H8-83930-00-00)
Unavailable
7
SCREW, PAN HEAD
98580-05020-00
Unavailable
9
COLLAR, LEVER
802-83913-00-00
Unavailable
11
. SCREW, TAPPING
97780-30312-00
Unavailable
14
SWITCH, HANDLE 1
(8K4-83976-01-00)
Unavailable
14
SWITCH, HANDLE 1
8L8-83976-00-00
Unavailable
15
CAP 1
8E3-83956-01-00
Unavailable
16
OIL LEVEL GAUGE ASSY
4HV-85720-03-00
Unavailable
17
CLAMP
90465-08028-00
Unavailable
18
REFLECTOR, REAR 1
8J7-85131-00-00
Unavailable
19
NUT, HEXAGON
95380-06600-00
Unavailable
20
WASHER, SPRING
92995-06100-00
Unavailable
21
BAND, SWITCH CORD
437-83936-01-00
Unavailable
