- Partiron
- OEM Parts
- Yamaha
- motorcycle
- 1981
- SR500H (SR500H) 1981
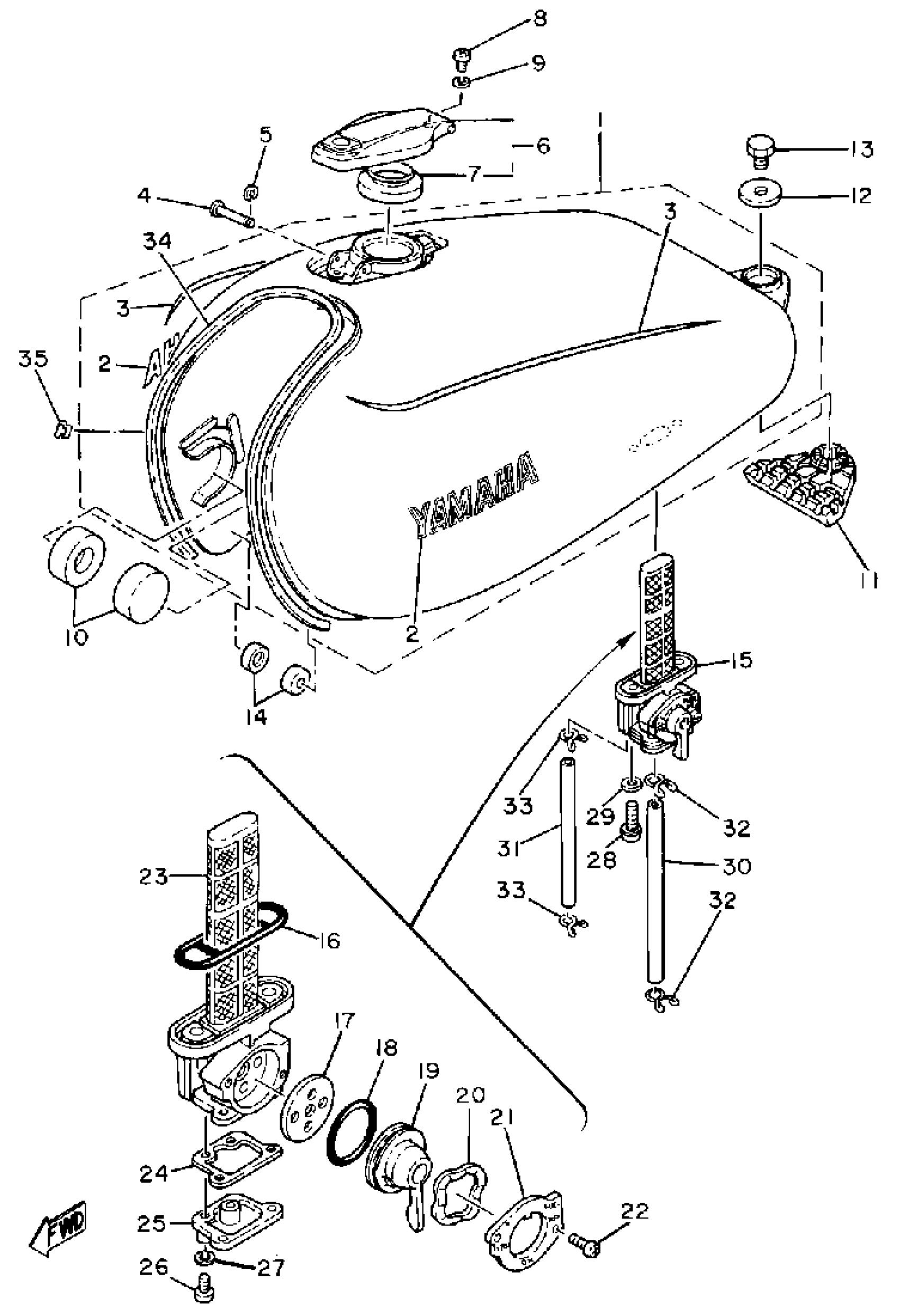
FUEL TANK
Yamaha SR500H (SR500H) 1981 FUEL TANK Diagram
#
1
FUEL TANK
(2J2-24110-01-W5)
Unavailable
2
EMBLEM, YAMAHA(PASTEL GOLD)
99245-00120-00
Unavailable
3
GRAPHIC SET
(4R8-24240-00-00)
Unavailable
4
PIN, SPECIAL SHAPE
90249-03123-00
Unavailable
6
CAP ASSY
4R0-24602-01-00
Unavailable
8
SCREW, PAN HEAD(62X)
97885-05010-00
Unavailable
13
BOLT(62E)
97013-08012-00
Unavailable
16
O-RING
1J7-24512-00-00
Unavailable
17
VALVE
16G-24523-00-00
Unavailable
18
SEAL, FUEL COCK
1J7-24534-00-00
Unavailable
19
. LEVER, COCK
1J7-24524-00-00
Unavailable
20
. WASHER, WAVE
1J7-24518-00-00
Unavailable
21
. PLATE, LVR FITTING
1J7-24525-00-00
Unavailable
22
SCREW PAN HEAD
98580-03010-00
Unavailable
23
. NET, FILTER 1
1J7-24514-02-00
Unavailable
24
GASKET, DRAIN COVER
1J7-24522-00-00
Unavailable
25
CUP, FILTER
(1L9-24521-00-00)
Unavailable
26
SCREW, PAN HEAD
98511-04012-00
Unavailable
27
YBS67-4 WASHER, SPRING
92990-04100-00
Unavailable
28
SCREW 366241430000
90149-06008-00
Unavailable
29
WASHER, PLATE(3MB)
90202-05187-00
Unavailable
30
HOSE (L450)
90445-10144-00
Unavailable
31
HOSE
(90445-09497-00)
Unavailable
32
CLIP
90467-090A2-00
Unavailable
33
CLIP 101235600
90467-08003-00
Unavailable
34
PLATE, MOLD
3EB-24189-00-00
Unavailable
35
CLIP
90468-03063-00
Unavailable
