Partiron

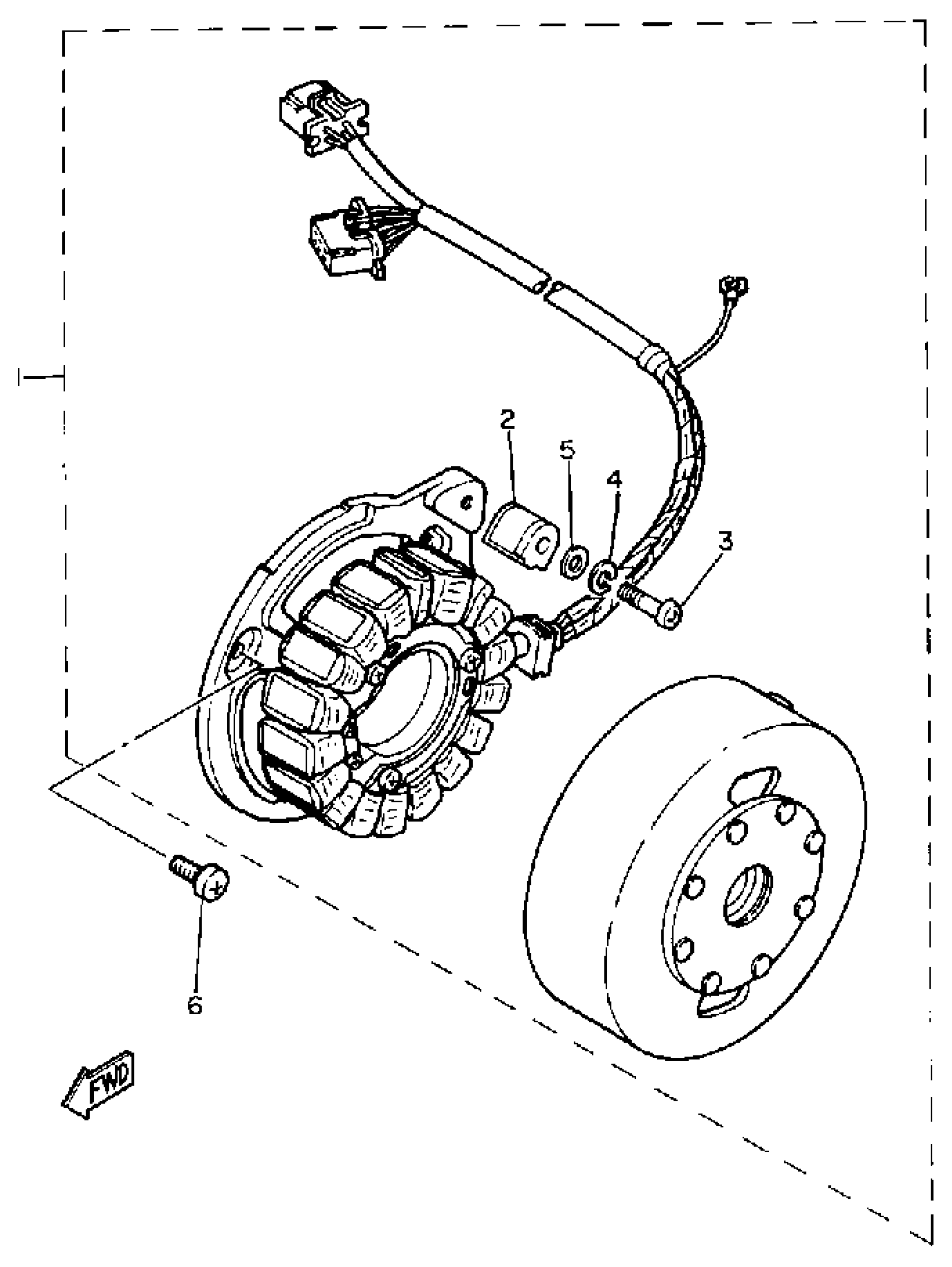
Yamaha SR500H (SR500H) 1981 AC MAGNETO Diagram

#

Description
Price

1

AC MAGNET GENERATOR ASSY

4R8-81400-50-00

Unavailable

2

. COIL, PULSER

2J2-81416-50-00

Unavailable

3

SCREW, PAN HEAD (686)

98580-05035-00

Unavailable

4

YBS67-5 WASHER, SPRING

92990-05100-00

$0.35

5

WASHER, PLAIN (646)

92990-05600-00

$0.80

6

SCREW, PAN

98507-06014-00

$8.49