- Partiron
- OEM Parts
- Yamaha
- motorcycle
- 1980
- SR500G (SR500G) 1980
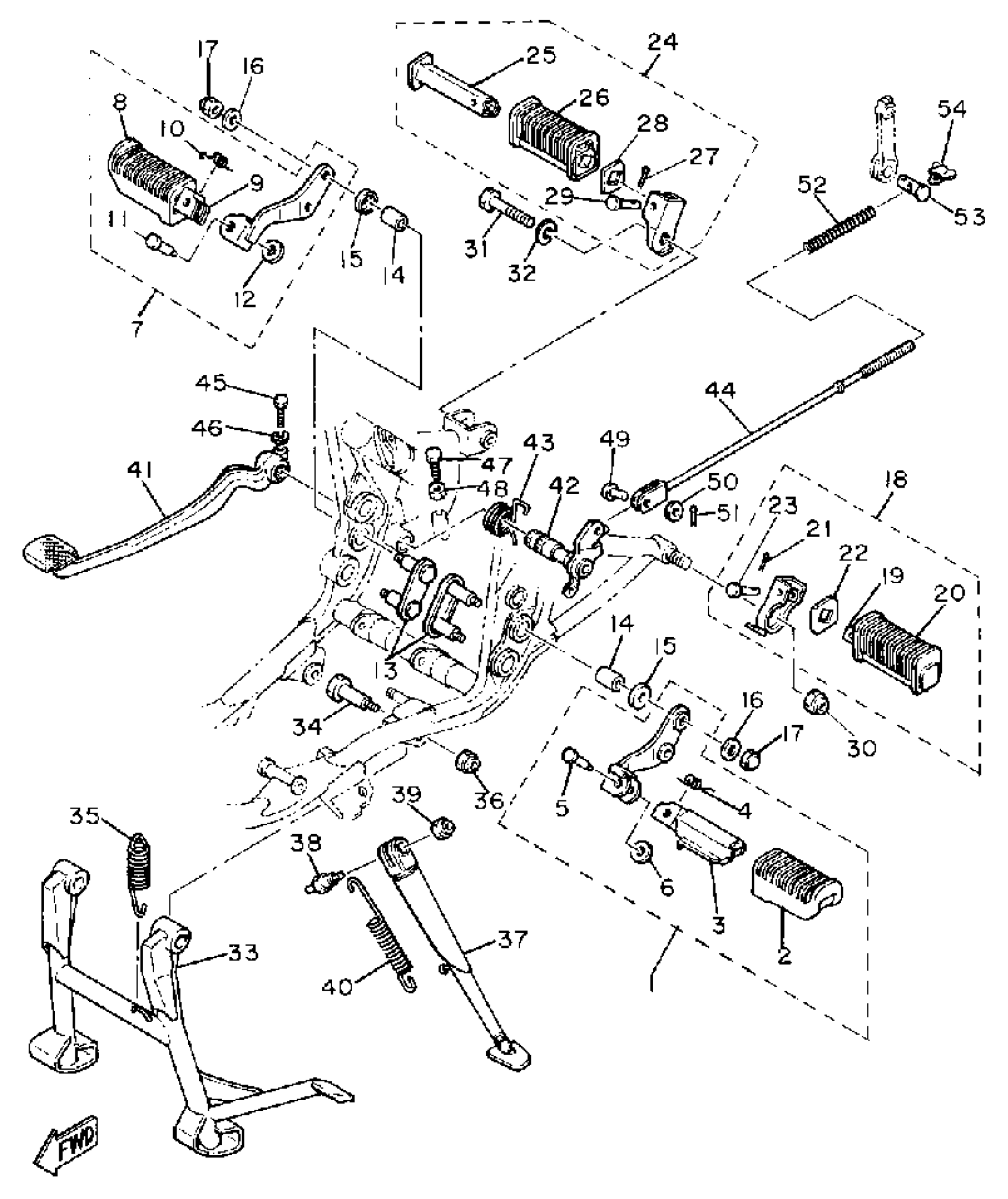
STAND - FOOTREST
Yamaha SR500G (SR500G) 1980 STAND - FOOTREST Diagram
#
1
FRT FOOTREST ASY L
48U-27410-00-33
Unavailable
3
FOOTREST
3CK-27451-00-00
Unavailable
7
FRT FOOTREST ASY R
48U-27420-00-33
Unavailable
9
FOOTREST
3N6-27461-00-00
Unavailable
13
BOLT, FOOTREST
2J2-27416-10-00
Unavailable
14
DAMPER, FOOTREST
2J2-27414-01-00
Unavailable
16
WASHER, PLAIN
92990-08200-00
Unavailable
17
NUT, CROWN
95303-08800-00
Unavailable
18
RR FOOTREST ASSEMBLY 1
2J2-27430-02-00
Unavailable
19
FOOTREST, REAR 1
447-27431-00-00
Unavailable
20
. COVER, RR FOOTREST
1J7-27433-00-00
Unavailable
21
PIN, COTTER
91490-16020-00
Unavailable
22
WASHER 447274370000
90209-18070-00
Unavailable
23
PIN, CLEVIS (2F9)
91701-06035-00
Unavailable
24
RR FOOTREST ASSEMBLY 2
2J2-27440-01-00
Unavailable
25
FOOTREST, REAR 2
447-27441-00-00
Unavailable
26
. COVER, RR FOOTREST
1J7-27444-00-00
Unavailable
27
PIN, COTTER
91490-16020-00
Unavailable
28
WASHER 447274370000
90209-18070-00
Unavailable
29
PIN, CLEVIS (2F9)
91701-06035-00
Unavailable
30
NUT, SELF-LOCKING(1KH)
90185-12134-00
Unavailable
31
BOLT(6TA)
97027-12050-00
Unavailable
32
YBS67-12 WASHER,SPRING
92990-12100-00
Unavailable
33
STAND, MAIN
2J2-27111-00-00
Unavailable
34
BOLT(3EB)
90109-102G9-00
Unavailable
35
SPRING, TENSION (2J2)
90506-40175-00
Unavailable
36
NUT, U
95617-10100-00
Unavailable
37
STAND, SIDE
1JN-27311-00-00
Unavailable
38
BOLT
90109-10473-00
Unavailable
39
NUT, U
90185-10037-00
Unavailable
40
SPRING, TENSION (1J7)
90506-28146-00
Unavailable
41
PEDAL, BRAKE
3HT-27211-00-00
Unavailable
42
SHAFT, BRAKE PEDAL
3H0-27212-00-00
Unavailable
43
SPRING, TORSION (2J4)
90508-40381-00
Unavailable
44
ROD, BRAKE
3H0-27231-00-00
Unavailable
45
BOLT (1J7)
90109-06468-00
Unavailable
46
WASHER, SPRING
92995-06100-00
Unavailable
47
BOLT, HEXAGON
97017-06020-00
Unavailable
48
NUT(650)
95380-06700-00
Unavailable
49
PIN (3H0)
90240-08067-00
Unavailable
50
WASHER, PLATE 1562722600
90201-08083-00
Unavailable
51
PIN, COTTER
91490-20025-00
Unavailable
52
SPRING, (180-27236-00)
90501-10245-00
Unavailable
53
PIN 1562723700
90249-12008-00
Unavailable
54
NUT (25K)
90179-06411-00
Unavailable
