- Partiron
- OEM Parts
- Yamaha
- motorcycle
- 1980
- SR500G (SR500G) 1980
SHIFT CAM - FORK
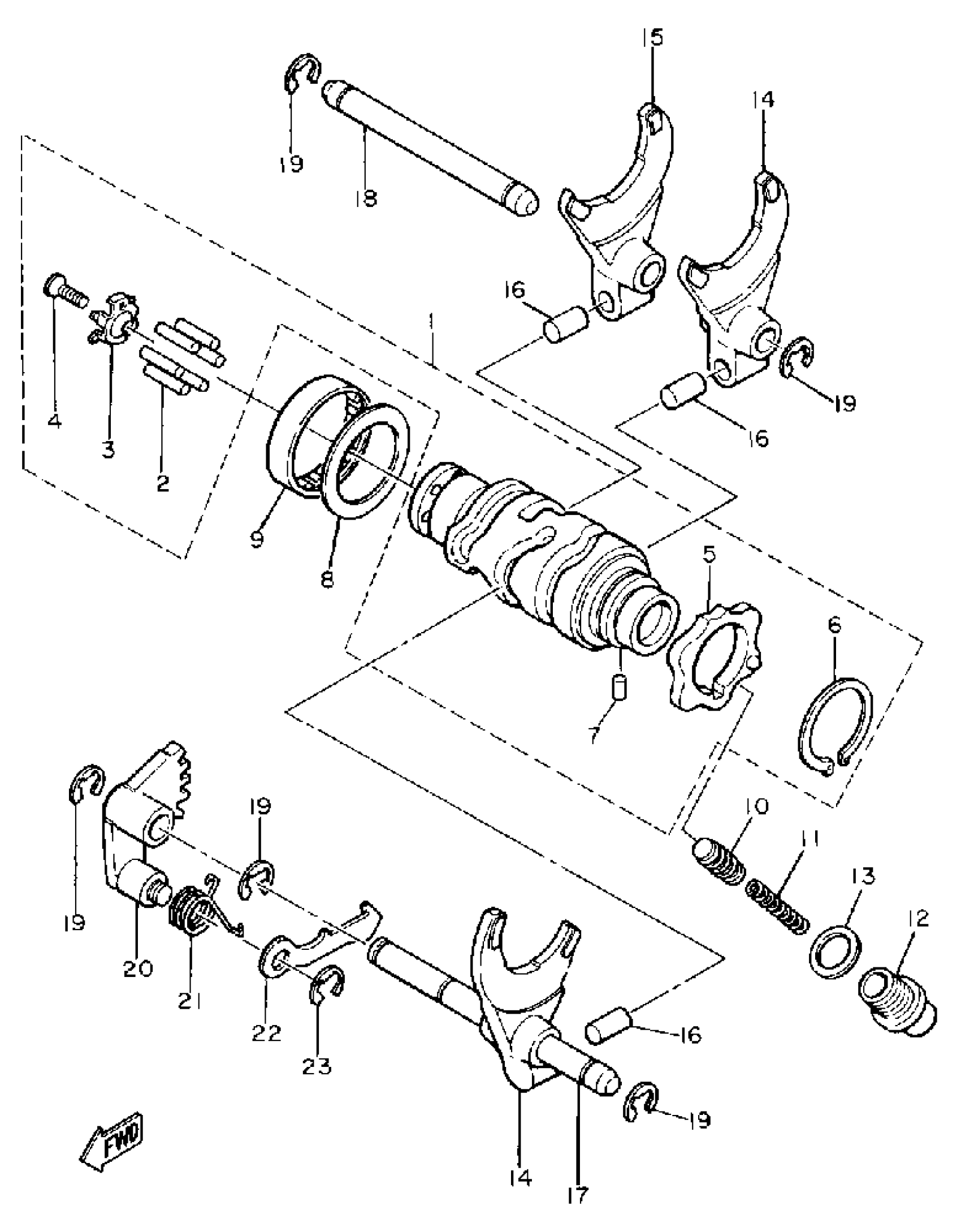
Yamaha SR500G (SR500G) 1980 SHIFT CAM - FORK Diagram
#
Description
Price
1
SHIFT CAM ASSY
2J2-18540-00-00
Unavailable
5
PLATE STOPPER SET
2J2-W1814-00-00
Unavailable
14
FORK, SHIFT
364-18511-00-00
Unavailable
15
FORK, SHIFT 1
363-18511-00-00
Unavailable
16
PIN, STRAIGHT
90250-08017-00
Unavailable
17
BAR, SHIF FRK GDE 1
(363-18531-00-00)
Unavailable
18
BAR, SHIFT FORK GUIDE 2
363-18535-00-00
Unavailable
19
CIRCLIP(2R6)
99001-08600-00
Unavailable
20
LEVER, CHANGE 2
434-18122-00-00
Unavailable
21
SPRING, TORSION (1M1)
90508-08334-00
Unavailable
22
LEVER, CHANGE 3
498-18151-03-00
Unavailable
23
CIRCLIP
99080-07600-00
Unavailable
