Partiron

Yamaha SR500G (SR500G) 1980 ELECTRICAL 2 Diagram

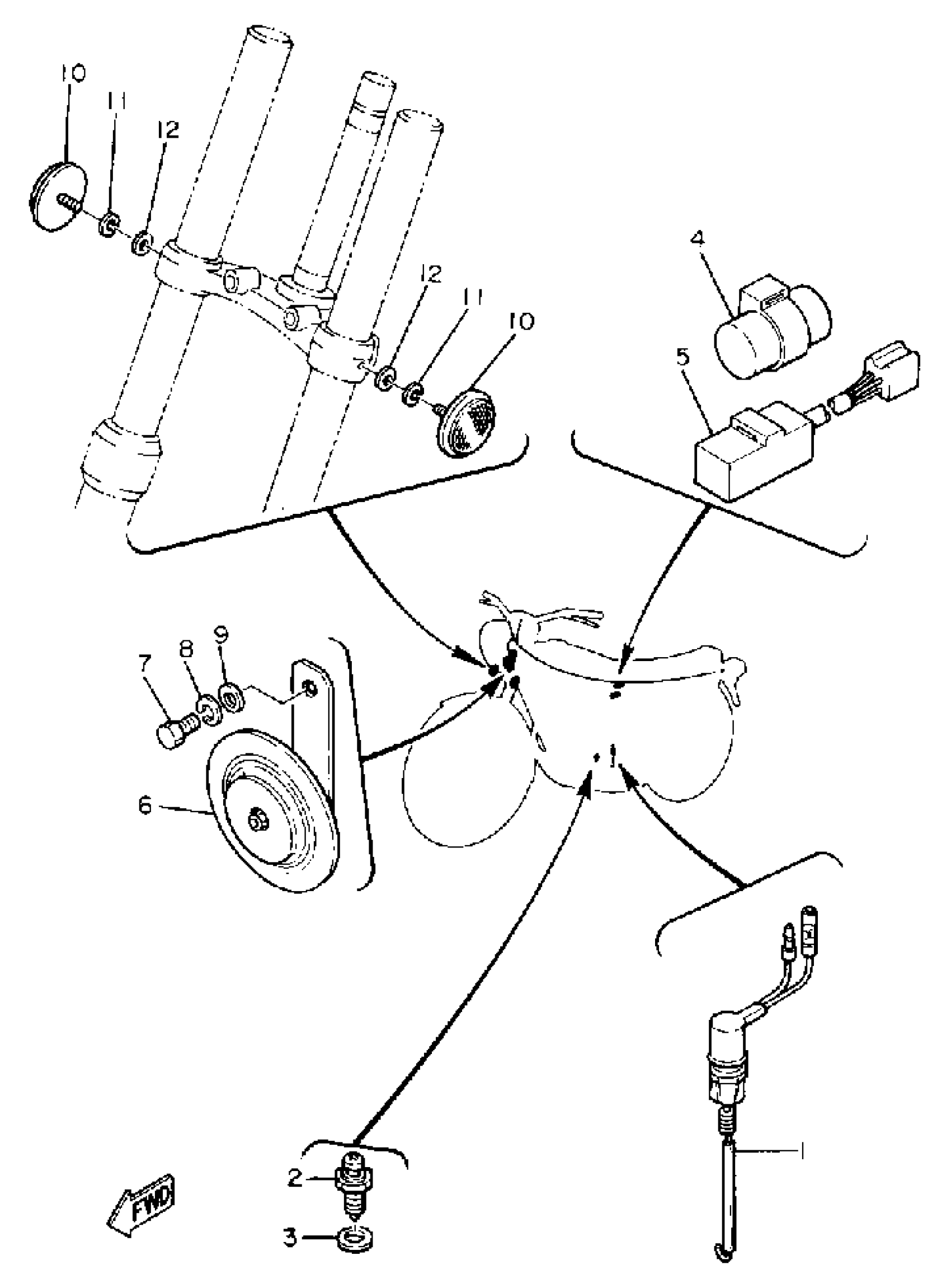
#

Description
Price

1

STOP SWITCH ASSY

2J2-82530-04-00

Unavailable

2

NEUTRAL SWITCH ASSY

4GY-82540-10-00

$37.99

3

GASKET (5R6)

90430-10171-00

$3.18

4

FLASHER RELAY ASSY

2NV-83350-00-00

Unavailable

5

FLASHER CANCELING UNIT

1A0-83395-03-00

Unavailable

6

HORN

4V8-83371-20-00

Unavailable

7

BOLT, HEXAGON

97017-08016-00

$8.49

8

YBS67-8 WASHER, SPRING

92990-08100-00

$5.60

9

.. WASHER, PLATE

92990-08600-00

Unavailable

10

REFLECTOR, FRONT 1

355-85111-01-00

$34.99

11

YBS67-5 WASHER, SPRING

92990-05100-00

$0.35

12

. WASHER, PLAIN

92990-05200-00

Unavailable