- Partiron
- OEM Parts
- Yamaha
- snowmobile
- 1972
- SR433B (SR433B) 1972
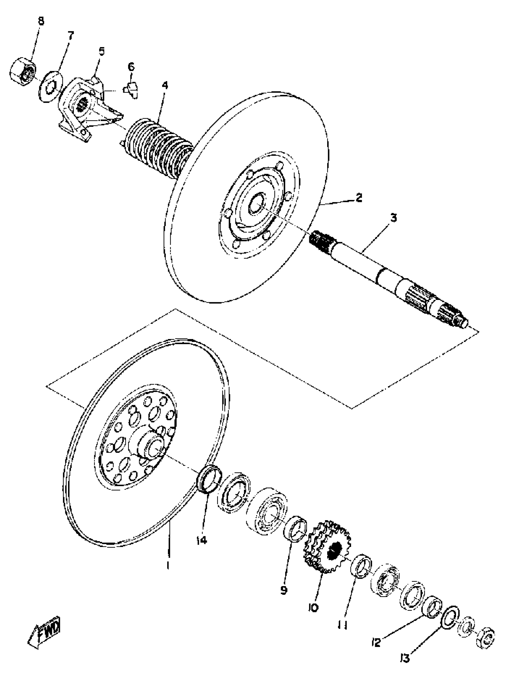
SECONDARY SHEAVE
Yamaha SR433B (SR433B) 1972 SECONDARY SHEAVE Diagram
#
Description
Price
1
SEC FXD SHV
(829-17660-00-00)
Unavailable
2
SEC SLIDING SHEAVE
(810-17670-00-00)
Unavailable
3
SHAFT, SECONDARY
(829-17681-00-00)
Unavailable
4
SPRING, SECONDARY (805-17683-00)
805-17683-00-00
Unavailable
5
SEAT, SEC SPRING
(820-17684-00-00)
Unavailable
6
SHOE, RAMP
801-17688-10-00
Unavailable
7
WASHER, LOCK
(820-17669-00-00)
Unavailable
8
NUT, SPEC''L SHAPE
(90179-16019-00)
Unavailable
9
COLLAR
(90387-25196-00)
Unavailable
10
SPRKT, CHAIN DR 20T (20T)
829-17682-00-00
Unavailable
10
SPRKT, CHAIN DR 14T
(829-17682-40-00)
Unavailable
10
SPRKT, CHAIN DR 15T (878-17682-50) (15T)
829-17682-50-00
Unavailable
10
SPRKT, CHAIN DR 16T (16T)
829-17682-60-00
Unavailable
10
SPRKT, CHAIN DR 17T (17T)
829-17682-70-00
Unavailable
10
SPRKT, CHAIN DR 18T (18T)
829-17682-80-00
Unavailable
10
SPRKT, CHAIN DR 19T (878-17682-90) (19T)
829-17682-90-00
Unavailable
11
COLLAR, DISTANCE 3
(829-17695-00-00)
Unavailable
12
COLLAR
(90387-20152-00)
Unavailable
13
SHIM, CRANK 1
136-11561-00-03
Unavailable
13
SHIM, CRANK 1
136-11561-00-04
Unavailable
13
SHIM, CRANK 1
136-11561-00-05
Unavailable
13
SHIM, CRANK 1
136-11561-00-07
Unavailable
14
COLLAR
(90387-30198-00)
Unavailable
