- Partiron
- OEM Parts
- Yamaha
- motorcycle
- 1981
- SR250H (SR250H) 1981
ELECTRICAL 1
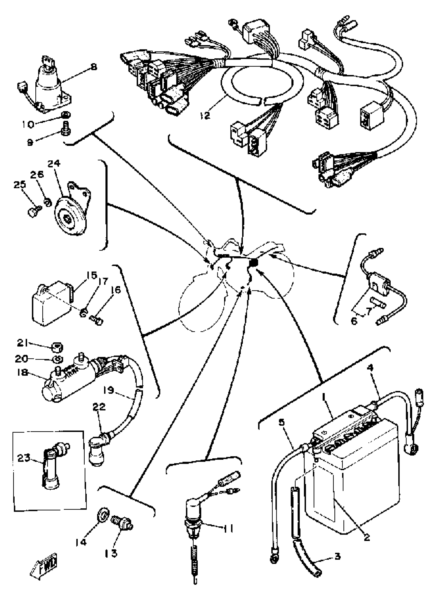
Yamaha SR250H (SR250H) 1981 ELECTRICAL 1 Diagram
#
Description
Price
1
12N12A-4A-1 YUASA BATTERY
12N-12A4A-1Y-00
Unavailable
2
LABEL, BATTERY
40A-82141-G0-00
Unavailable
4
WIRE, PLUS LEAD
3Y6-82115-00-00
Unavailable
5
WIRE, MINUS LEAD
5H0-82116-00-00
Unavailable
6
FUSE HOLDER ASSY
2UJ-82150-02-00
Unavailable
8
MAIN SWITCH STEERING LOCK
3JV-82501-00-00
Unavailable
12
WIRE HARNESS ASSEMBLY
(3Y6-82590-01-00)
Unavailable
15
IGNITOR UNIT ASSEMBLY 1
5V0-82305-10-00
Unavailable
17
WASHER, SPRING
92995-06100-00
Unavailable
18
IGNITION COIL ASS''Y
3Y6-82310-60-00
Unavailable
19
UNAVAILABLE IN PRICE BOOK
3Y6-83410-00-0
Unavailable
20
WASHER, SPRING
92995-06100-00
Unavailable
21
NUT, HEXAGON
95380-06600-00
Unavailable
22
PLUG CAP ASSY
4BP-82370-01-00
Unavailable
23
PLUG CAP ASSY
1J7-82370-00-00
Unavailable
24
HORN
3Y6-83371-00-00
Unavailable
25
BOLT(3JP)
97017-06010-00
Unavailable
26
WASHER, SPRING
92995-06100-00
Unavailable
