- Partiron
- OEM Parts
- Yamaha
- motorcycle
- 1981
- SR250H (SR250H) 1981
CRANKCASE
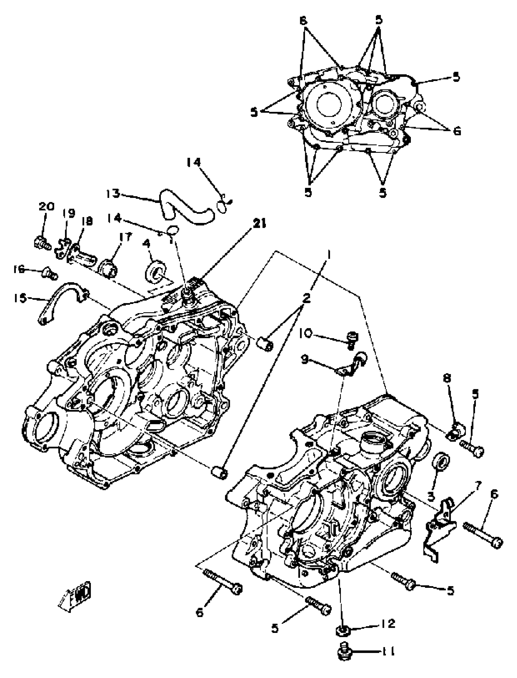
Yamaha SR250H (SR250H) 1981 CRANKCASE Diagram
#
Description
Price
1
CRANKCASE ASSEMBLY
99999-01670-00
Unavailable
5
SCREW, PAN HEAD(6E0)
97885-06030-00
Unavailable
6
SCREW, BIND (JH1)
98580-06560-00
Unavailable
7
CLAMP
90465-08060-00
Unavailable
8
CLAMP(51Y)
90465-08277-00
Unavailable
9
HOLDER, CLUTCH CABLE (3Y1-15441-010
31G-15441-00-00
Unavailable
12
WASHER, PLATE(481)
90201-10118-00
Unavailable
15
PLATE, BRNG COVER
(3Y1-15383-00-00)
Unavailable
16
SCREW, FLAT
98707-06014-00
Unavailable
17
PLUG, BLIND
3Y6-15167-00-00
Unavailable
18
PLATE, LOCK
3Y6-15144-00-00
Unavailable
19
WASHER, LOCK
214-15686-00-00
Unavailable
20
BOLT, HEXAGON DEEP RECESS
97D95-06016-00
Unavailable
21
PIPE, BREATHER 2
371-11167-01-00
Unavailable
