- Partiron
- OEM Parts
- Yamaha
- motorcycle
- 1980
- SR250G (SR250G) 1980
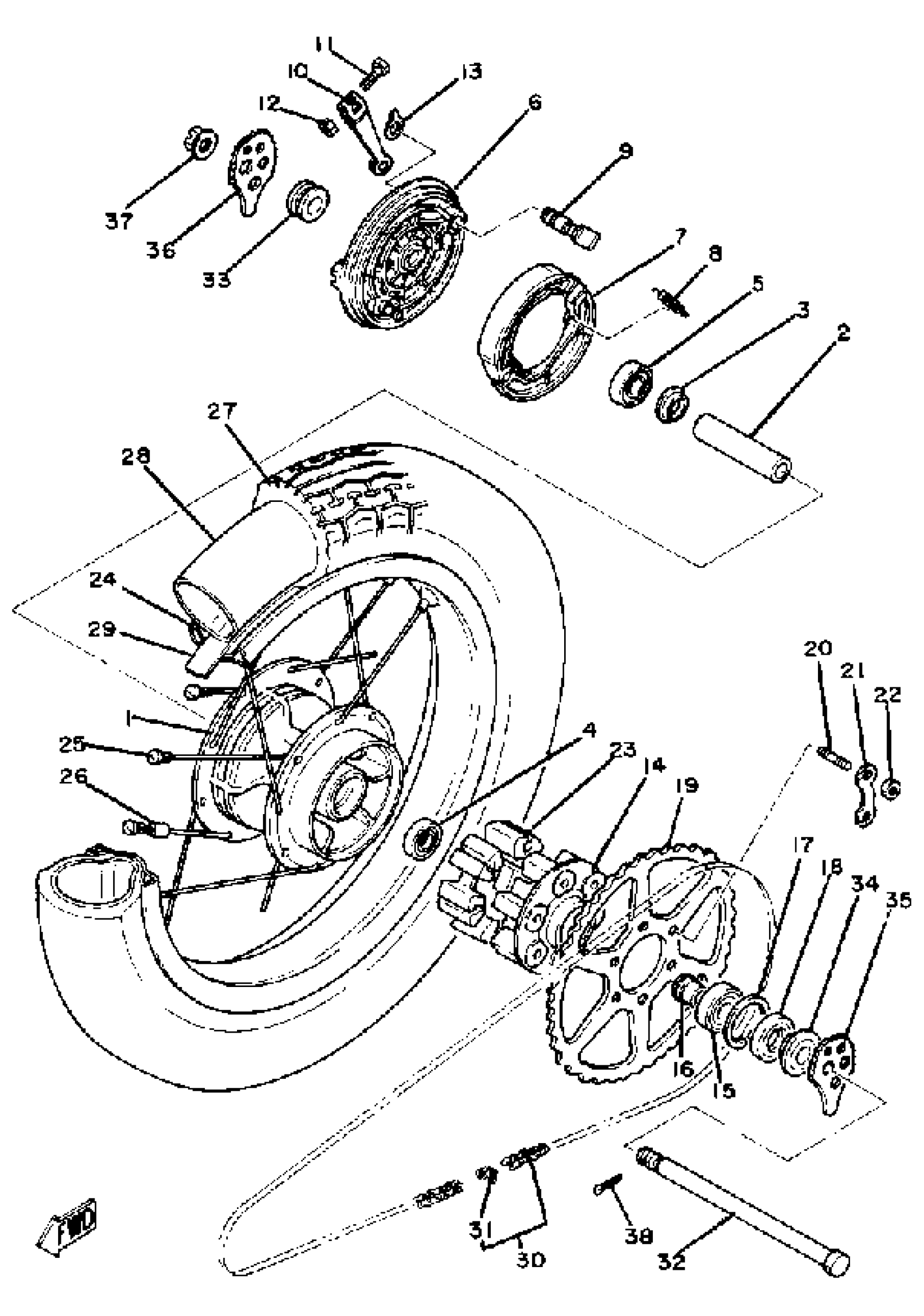
REAR WHEEL
Yamaha SR250G (SR250G) 1980 REAR WHEEL Diagram
#
1
HUB, REAR
3Y6-25311-00-38
Unavailable
2
SPACER
90560-17311-00
Unavailable
6
PLATE, BRAKE SHOE
3Y6-25321-01-00
Unavailable
7
BRAKE SHOE KIT
3KG-W253E-00-00
Unavailable
8
SPRING (5T9)
90506-17328-00
Unavailable
10
LEVER, CAM SHAFT
1E2-25155-00-00
Unavailable
12
NUT, HEXAGON
95380-06600-00
Unavailable
14
CLUTCH, HUB
3Y1-25366-00-98
Unavailable
16
COLLAR, WHEEL
3Y1-25377-00-00
Unavailable
17
CIRCLIP(48Y)
99009-47500-00
Unavailable
18
OIL SEAL (28X47X7-102)
93102-28022-00
Unavailable
19
SPROCKET, DRIVN 46T
3Y1-25446-10-00
Unavailable
20
BOLT, STUD (483)
90116-08218-00
Unavailable
21
WASHER, LOCK (3Y2)
90215-08160-00
Unavailable
22
NUT (3Y2)
90170-08258-00
Unavailable
23
DAMPER
3Y1-25364-00-00
Unavailable
24
RIM (16X2.15-1.5)
94421-16002-00
Unavailable
25
SPOKE SET, REAR
3Y6-25304-00-00
Unavailable
26
BALANCER, WHEEL
3HT-25398-00-00
Unavailable
27
120/90-16 63P Y955
(94112-16430-00)
Unavailable
28
TUBE(3Y9)
94212-16295-00
Unavailable
29
BAND, RIM
94330-16058-00
Unavailable
30
CHAIN 520DS-103L (DID520DS-102L)
9Y585-20101-00
Unavailable
31
JOINT, CHAIN
94681-68001-00
Unavailable
32
AXLE,WHEEL
150-25381-01-00
Unavailable
33
COLLAR(3SX)
90387-170X9-00
Unavailable
34
COLLAR, WHEEL
3Y1-25383-00-00
Unavailable
35
PULLER, CHAIN 1
3Y1-25388-01-00
Unavailable
36
PULLER, CHAIN 2
3Y1-25389-00-00
Unavailable
37
NUT, CASTLE (2H6)
90171-16024-00
Unavailable
38
PIN, COTTER
91490-30030-00
Unavailable
