- Partiron
- OEM Parts
- Yamaha
- motorcycle
- 1980
- SR250G (SR250G) 1980
AC GENERATOR
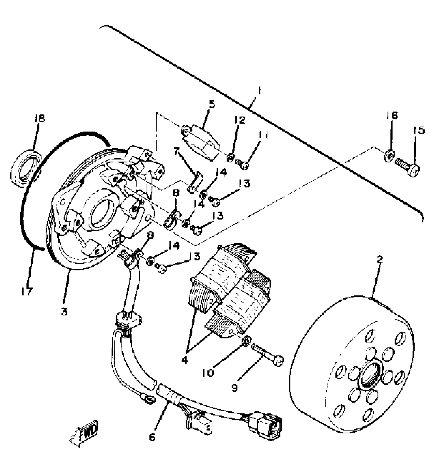
Yamaha SR250G (SR250G) 1980 AC GENERATOR Diagram
#
Description
Price
1
AC MAGNET GEN ASSEMBLY
(3Y6-81400-10-00)
Unavailable
2
ROTOR ASSEMBLY
(3Y6-81450-10-00)
Unavailable
3
BASE ASSEMBLY
(3Y6-81409-10-00)
Unavailable
4
. COIL, LIGHTING
3Y6-81413-10-00
Unavailable
5
. COIL, PULSER
3Y6-81416-10-00
Unavailable
6
LEAD WIRE ASSEMBLY
(3Y6-81415-10-00)
Unavailable
7
CLAMP, LEAD 1
(3Y6-81443-10-00)
Unavailable
8
CLAMP, LEAD 2
(3Y6-81444-10-00)
Unavailable
13
SCREW, PAN HEAD(3XP)
98517-04006-00
Unavailable
16
WASHER, PLAIN (646)
92990-06600-00
Unavailable
17
O-RING (3Y2)
93211-19413-00
Unavailable
18
OIL SEAL (3Y1)
93102-25226-00
Unavailable
