Partiron

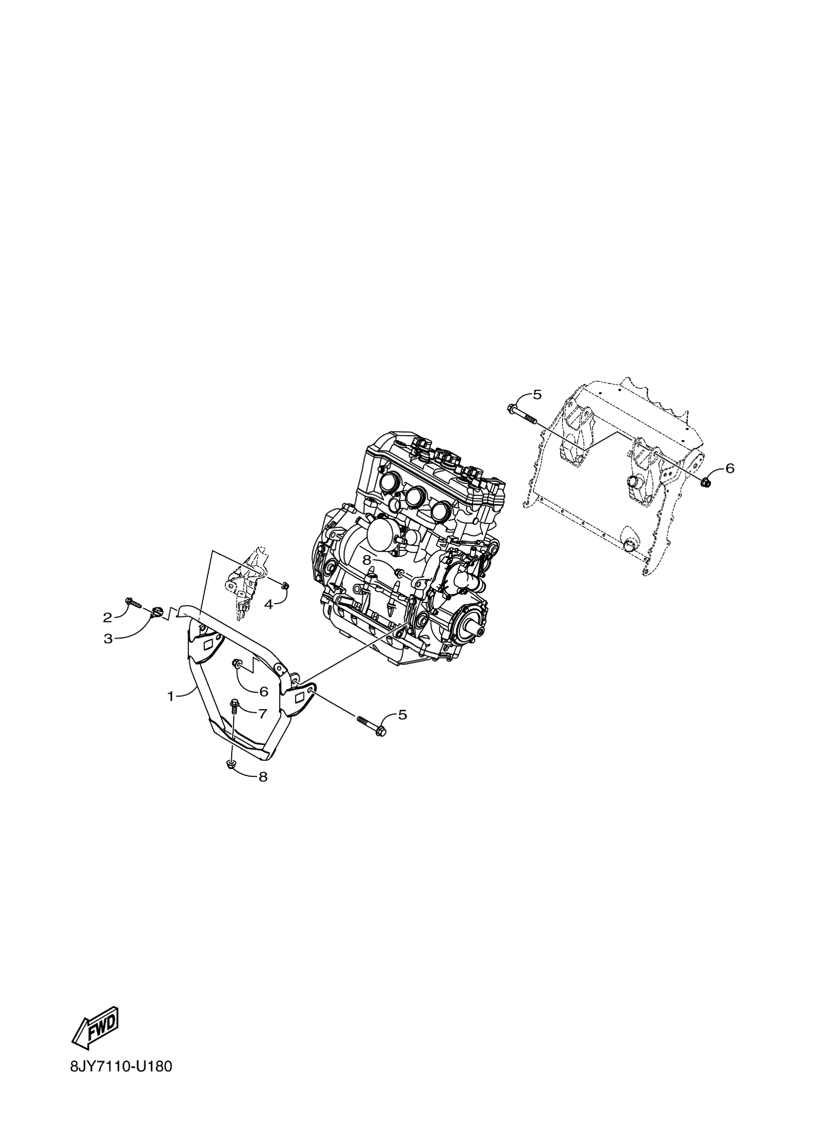
Yamaha SR1NLGRL (SRVIPER LTX GT) 8NF5 2024 ENGINE BRACKET 2 Diagram

#

Description
Price

1

BRACKET, ENGINE

8JP-F194E-20-00

$246.99

2

BOLT, FLG. M8X1.25

8JP-RA188-00-00

Unavailable

3

INSERT

8JP-F3775-00-00

Unavailable

4

NUT,HEX FLG-NYL LOCK M8X1.25

8JM-RA301-00-00

$1.06

5

BOLT, FLG. M12X1.2

8JP-RA1A5-10-00

Unavailable

6

NUT, FLG. LOCKING

8JP-RA362-00-00

$1.75

7

BOLT, FLANGE M10X1.25X25

8JP-RA195-00-00

Unavailable

8

NUT, FLG. LOCKING

8JP-RA360-00-00

$1.16