- Partiron
- OEM Parts
- Yamaha
- motorcycle
- 1982
- SR185J (SR185J) 1982
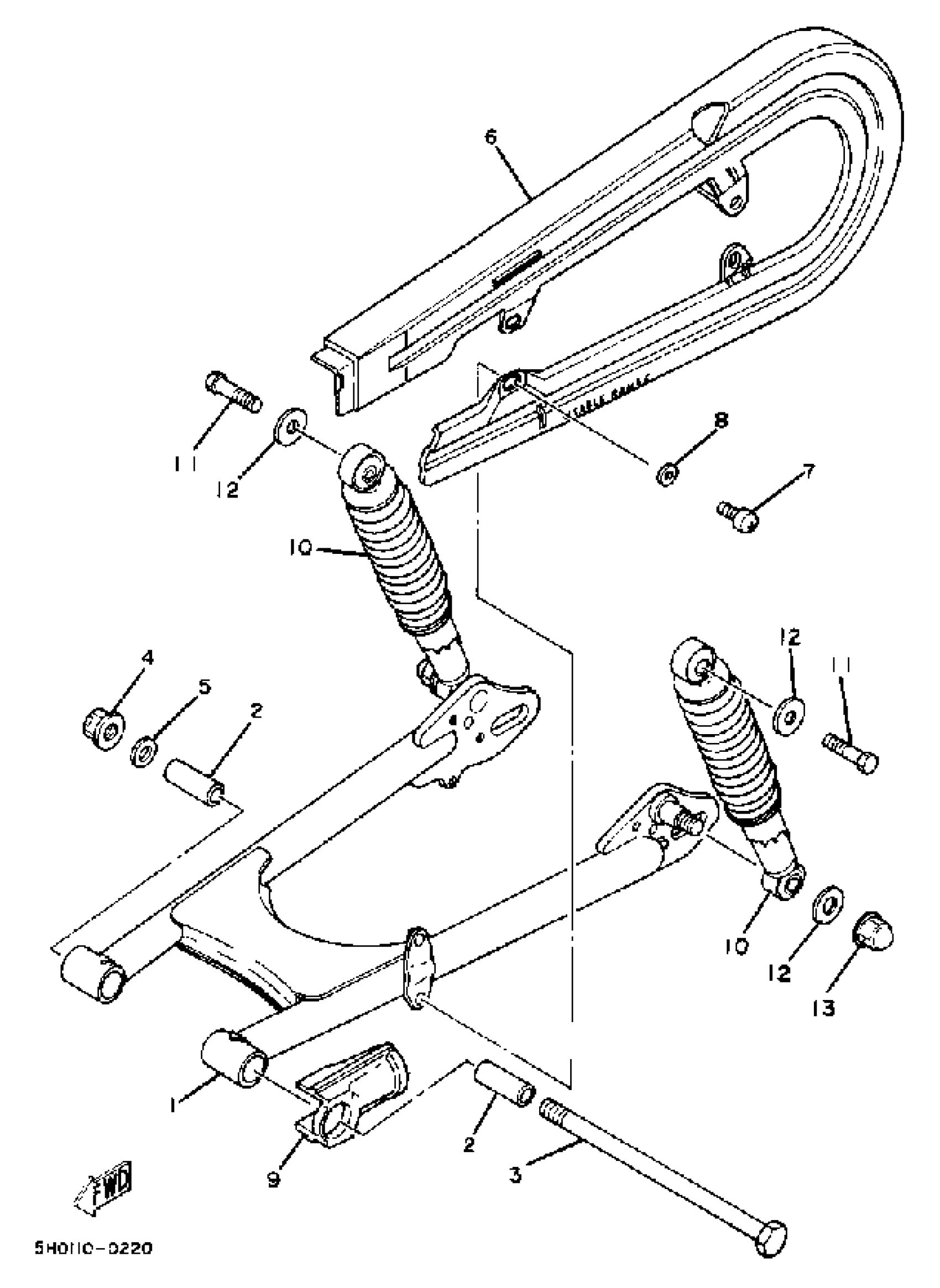
REAR ARM SUSPENSION
Yamaha SR185J (SR185J) 1982 REAR ARM SUSPENSION Diagram
#
Description
Price
1
REAR ARM
(5H0-22110-00-33)
Unavailable
3
AXLE, WHEEL
36R-25181-00-00
Unavailable
6
CASE, CHAIN
5H0-22311-00-00
Unavailable
9
SEAL, GUARD
(5H0-22152-00-00)
Unavailable
10
SHK/ABS ASSEMBLY, REAR
5H0-22210-01-93
Unavailable
