- Partiron
- OEM Parts
- Yamaha
- motorcycle
- 1981
- SR185H (SR185H) 1981
ELECTRICAL 1
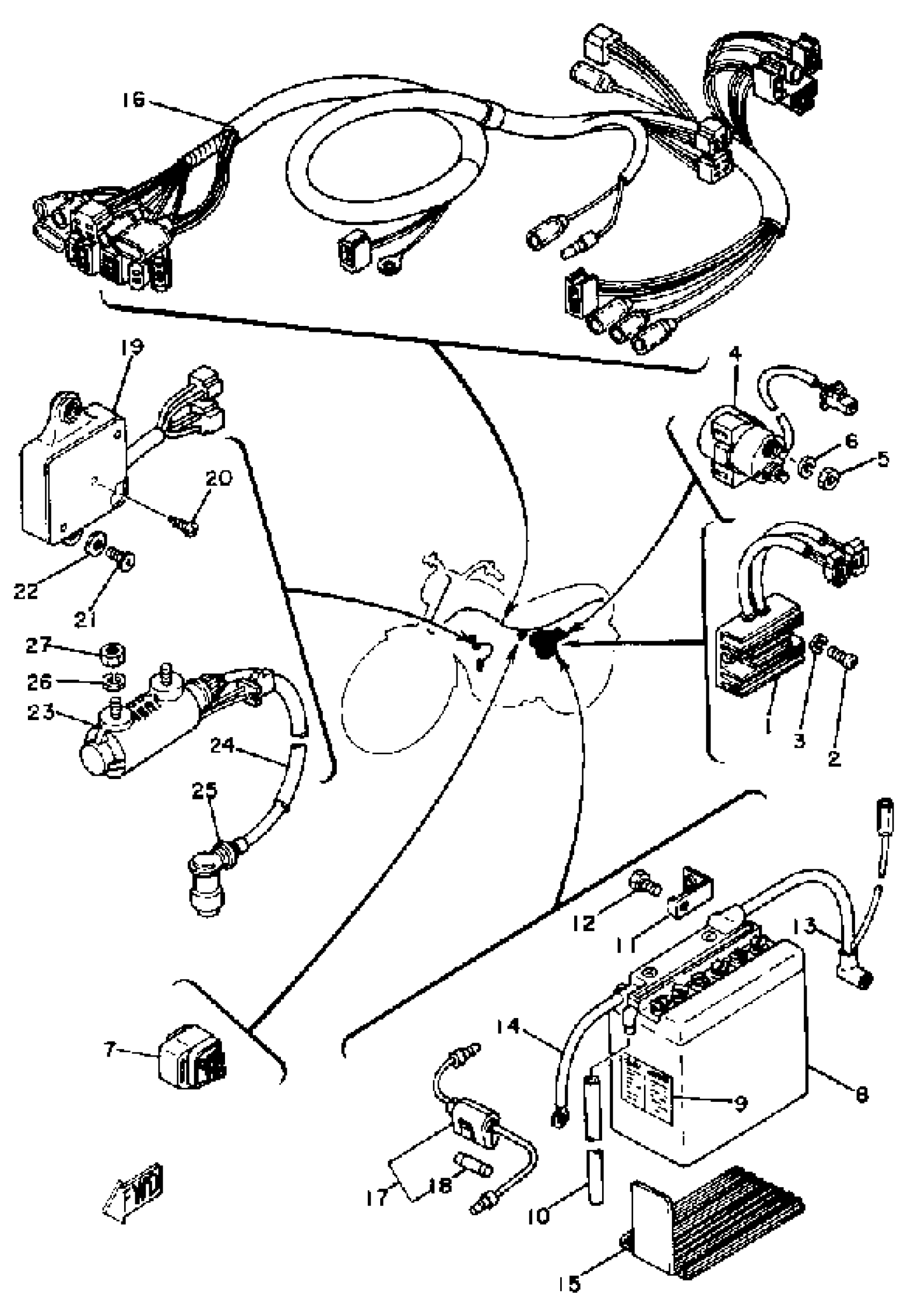
Yamaha SR185H (SR185H) 1981 ELECTRICAL 1 Diagram
#
Description
Price
1
RECTIFIER/REG ASSEMBLY
5H0-81960-A0-00
Unavailable
6
WASHER, SPRING
92995-06100-00
Unavailable
8
YB7LB YUASA BATTERY
YB7-LB000-00-00
Unavailable
9
LABEL, BATTERY
40A-82141-G0-00
Unavailable
10
HOSE
(90445-08045-00)
Unavailable
11
TERMINAL 1
5G2-82103-00-00
Unavailable
13
WIRE, PLUS LEAD
5H0-82115-00-00
Unavailable
14
WIRE, MINUS LEAD
5H0-82116-00-00
Unavailable
15
SEAT, BATTERY
5H0-82122-00-00
Unavailable
16
WIRE HARNESS ASSEMBLY
(5H0-82590-51-00)
Unavailable
17
FUSE HOLDER ASSY
2UJ-82150-02-00
Unavailable
18
FUSE
1A0-82161-00-00
Unavailable
19
IGNITOR UNIT ASSEMBLY 1
5H0-82305-M0-00
Unavailable
20
SCREW, TAPPING
97702-30508-00
Unavailable
21
SCREW, BIND (J17)
98980-06020-00
Unavailable
22
WASHER, PLATE
90201-06380-00
Unavailable
23
IGNITION COIL ASS''Y
3Y6-82310-60-00
Unavailable
24
CORD, HIGH TENSION 1
4X7-82341-00-00
Unavailable
25
PLUG CAP ASSEMBLY
(4U8-82370-31-00)
Unavailable
25
PLUG CAP ASSY
4BP-82370-01-00
Unavailable
26
WASHER, SPRING
92995-06100-00
Unavailable
27
NUT, HEXAGON
95380-06600-00
Unavailable
