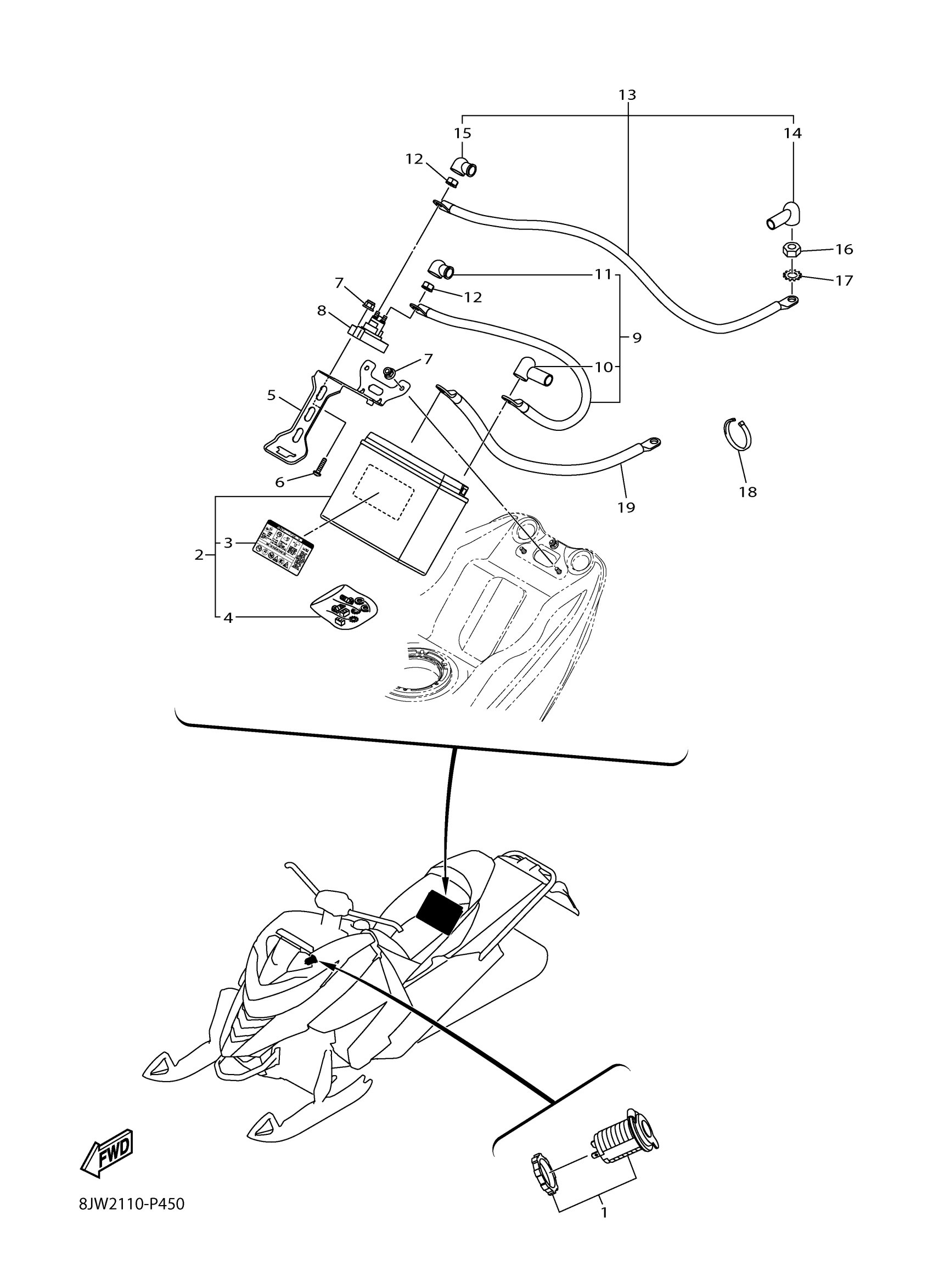
Yamaha SR10XLFO (SRVIPER X TX LE) 8KR1 2015 ELECTRICAL 2 Diagram
#
Description
Price
2
YTX20HBS YUASA BATTERY - SA
YTX-20HBS-00-00
Unavailable
3
. LABEL, BATTERY
8JP-H2141-00-00
Unavailable
4
. REPAIR PARTS KIT
8JP-F819G-00-00
Unavailable
9
CABLE 1
8JP-H8146-00-00
Unavailable
11
. COVER, TERMINAL
8JP-H1916-00-00
Unavailable
13
CABLE 2
8JP-H8147-00-00
Unavailable
15
. COVER, TERMINAL
8JP-H1916-00-00
Unavailable
16
NUT(650)
95380-06700-00
Unavailable
17
WASHER,LOCK-1/4 EXT TOOTH TYP
8JM-RA407-00-00
Unavailable
18
TIE, CABLE-8.5/7.5/7.4
8JM-RAB01-00-00
Unavailable
19
WIRE, EARTH LEAD
8JP-H131Y-00-00
Unavailable
