Partiron

Yamaha SR10RSFR (SRVIPER R TX SE) 8JW20 2015 TRACK DRIVE 1 Diagram

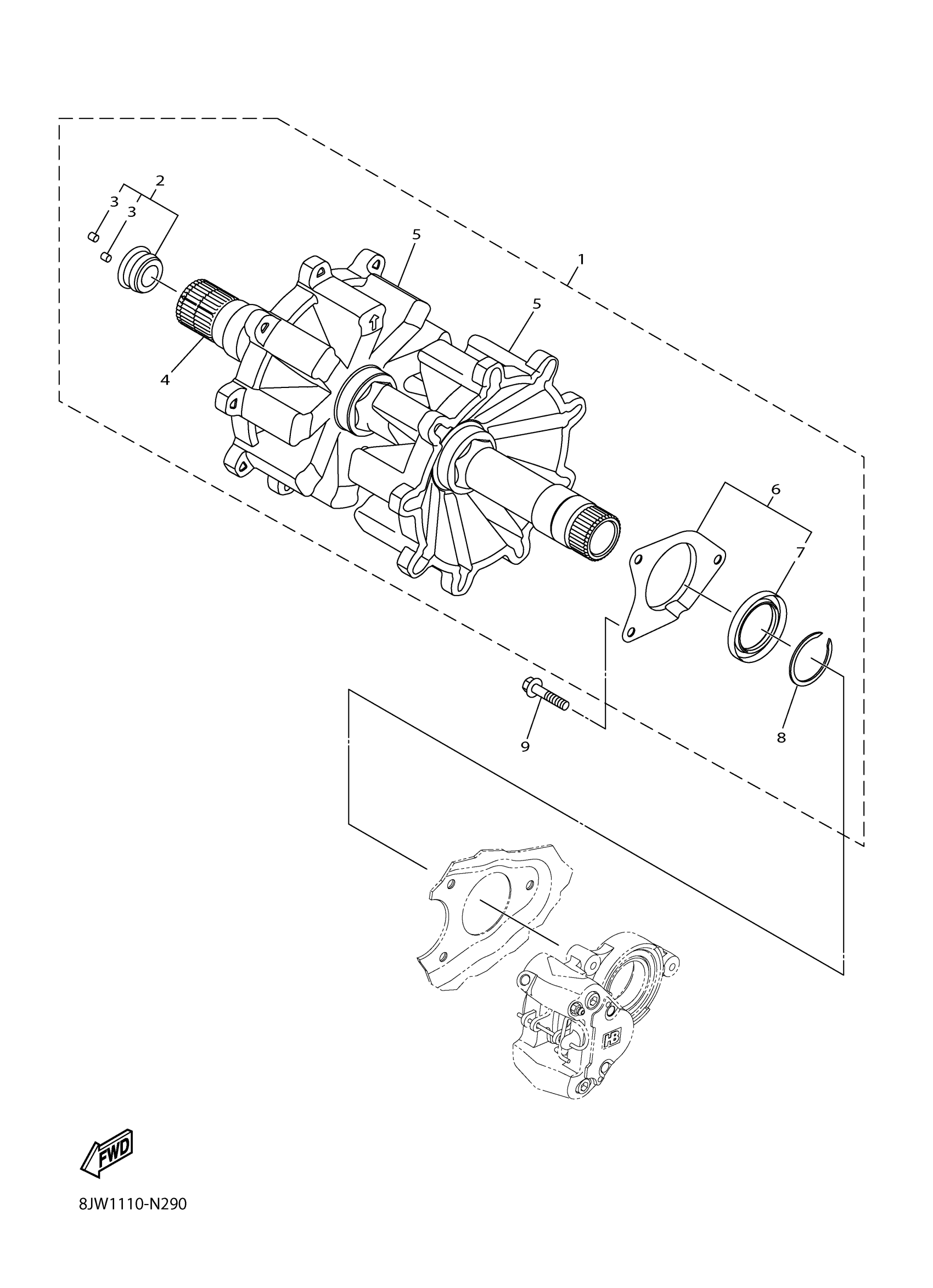
#

Description
Price

1

FRONT AXLE SUB-ASS

8JP-G7501-20-00

$435.99

2

SENSOR, SPEED

8JP-H3755-00-00

Unavailable

3

MAGNET

8JP-H366M-00-00

$7.49

4

AXLE, FRONT

8JP-G7511-10-00

$277.99

5

WHEEL, SPROCKET 1

8JP-G7531-00-00

$88.99

6

CALIPER SEAL KIT

8JP-F5803-01-00

$20.99

7

SEAL, OIL 45X65X8

8JP-RAE02-10-00

$4.94

8

CIRCLIP, FS-0175

8JP-RAH07-00-00

$2.75

9

BOLT, FLG. M8X1.25

8JP-RA189-00-00

Unavailable