- Partiron
- OEM Parts
- Yamaha
- snowmobile
- 2014
- SR10RSER (SRVIPER RTX SE) 8JW10 2014
TRACK DRIVE 2
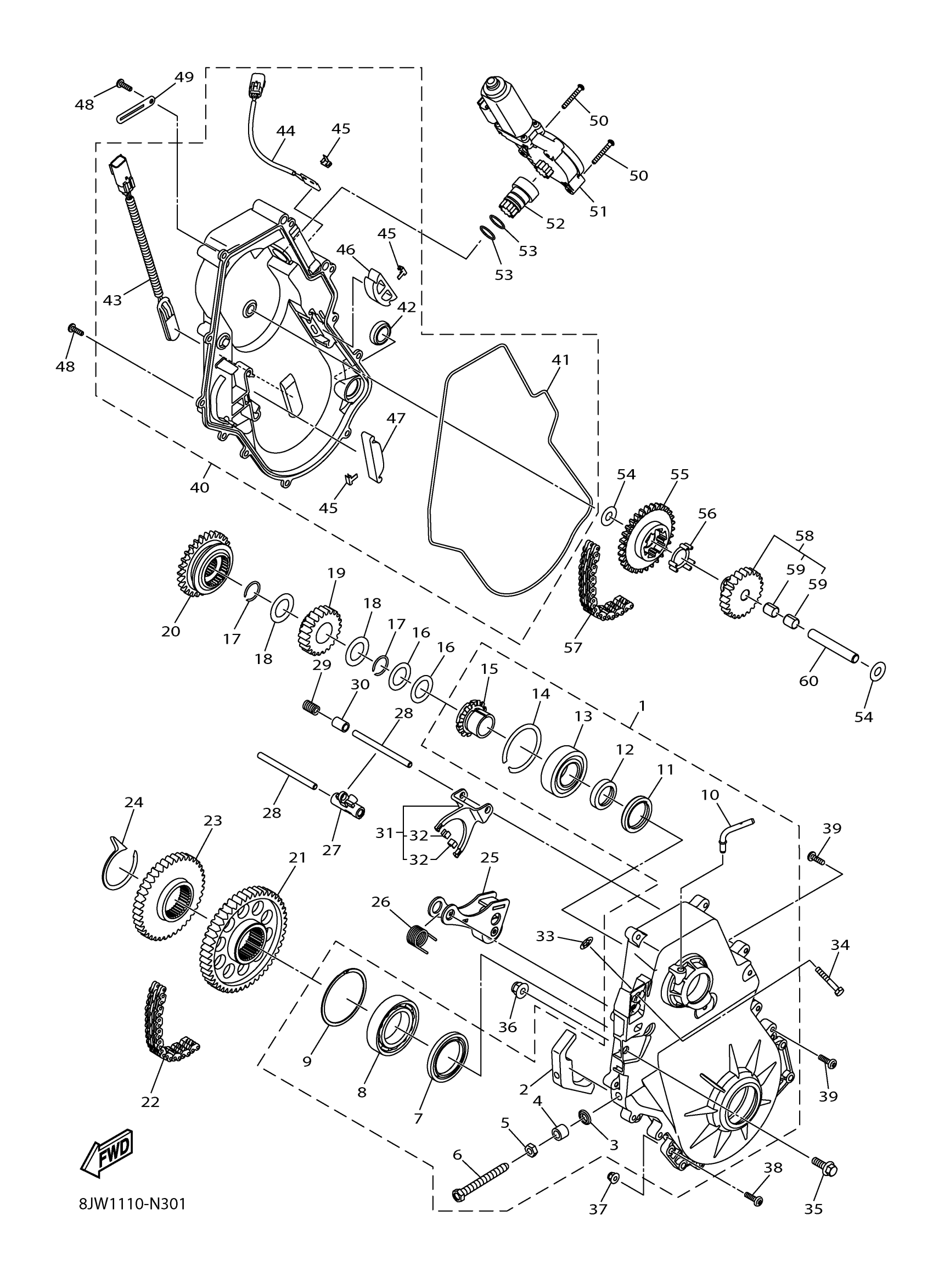
Yamaha SR10RSER (SRVIPER RTX SE) 8JW10 2014 TRACK DRIVE 2 Diagram
#
10
. BREATHER
8JP-G7586-00-00
Unavailable
11
SEAL, OIL 35X47X7
8JP-RAE01-00-00
Unavailable
12
COLLAR, 3
8JP-RA715-00-00
Unavailable
15
. COLLAR
8JP-E7645-00-00
Unavailable
16
WASHER, 1.00X1.43X
8JP-RA438-00-00
Unavailable
16
WASHER, 1.00X1.43X
8JP-RA439-00-00
Unavailable
17
CIRCLIP, FSE-0093
8JP-RAH08-00-00
Unavailable
18
WASHER, 1.00X1.562
8JP-RA440-00-00
Unavailable
19
DRIVE SPROCKET, 24T
8JP-E769A-40-00
Unavailable
20
GEAR, REVERSE PINI
8JP-E7143-00-00
Unavailable
21
SPROCKET, CHAIN DRIVEN, 50T
8JP-G7587-00-00
Unavailable
22
CHAIN, BWA 13
8JP-RAM01-00-00
Unavailable
23
SPROCKET, CHAIN DR
8JP-G7548-00-00
Unavailable
24
CIRCLIP, FSE-0168
8JP-RAH09-00-00
Unavailable
25
HOLDER
8JP-G7613-02-00
Unavailable
26
SPRING, 1
8JP-RAD12-00-00
Unavailable
27
ARM, SHIFT
8JP-E8112-00-00
Unavailable
28
SHAFT, SHIFT
8JP-E8125-00-00
Unavailable
29
SPRING, 2
8JP-RAD13-00-00
Unavailable
30
BUSH, 2
8JP-RA803-00-00
Unavailable
31
FORK, SHIFT 1
8JP-E8501-00-00
Unavailable
32
SHOE
8JP-G7614-00-00
Unavailable
33
NUT, 1/4
8JP-RA347-00-00
Unavailable
34
BOLT, HEX. M6X1.0X
8JP-RA1A9-00-00
Unavailable
35
BOLT, FLG. M8X1.25
8JP-RA185-00-00
Unavailable
36
NUT,HEX FLG-NYL LOCK M8X1.25
8JM-RA301-00-00
Unavailable
37
NUT,FLG. M6-1.0
8JM-RA322-00-00
Unavailable
38
SCREW, M6X1.0X30
8JP-RA266-00-00
Unavailable
39
SCREW, M6X1.0X20
8JP-RA259-00-00
Unavailable
40
HOUSING CAP ASSY
8JP-G754B-10-00
Unavailable
41
RING,HOUSING
8JP-G7558-02-00
Unavailable
42
GAUGE, LEVEL
8JP-E5361-00-00
Unavailable
43
SENSOR, SPEED
8JP-H5985-00-00
Unavailable
44
SENSOR, GEAR POSIT
8JP-H5899-00-00
Unavailable
45
CLIP, 3
8JP-RAC12-00-00
Unavailable
46
GUIDE, CHAIN 2
8JP-E7468-00-00
Unavailable
47
GUIDE, CHAIN 1
8JP-E7467-00-00
Unavailable
48
SCREW, M6X1.0X25
8JP-RA262-00-00
Unavailable
49
CLAMP, 20
8JP-RAB22-00-00
Unavailable
50
SCREW, M5X0.8X35
8JP-RA247-10-00
Unavailable
51
SERVO MOTOR COMP
8JP-G616A-20-00
Unavailable
52
ADAPTER
8JP-E7848-10-00
Unavailable
53
O-RING, 2
8JP-RAF04-00-00
Unavailable
54
WASHER, 12X26X1
8JP-RA444-00-00
Unavailable
55
SPROCKET, DRIVE
8JP-E7692-00-00
Unavailable
56
DAMPER, RUBBER
8JP-E8615-00-00
Unavailable
57
CHAIN, REX 11
8JP-RAM02-00-00
Unavailable
58
REVERSE WHEEL ASSY
8JP-E724A-00-00
Unavailable
59
BUSH, 12
8JP-RA809-00-00
Unavailable
60
SHAFT, 1
8JP-E761A-00-00
Unavailable
