- Partiron
- OEM Parts
- Can-Am
- Wheel Vehicles
- 2013
- Spyder
- Spyder RS_RSS SE5, 2013
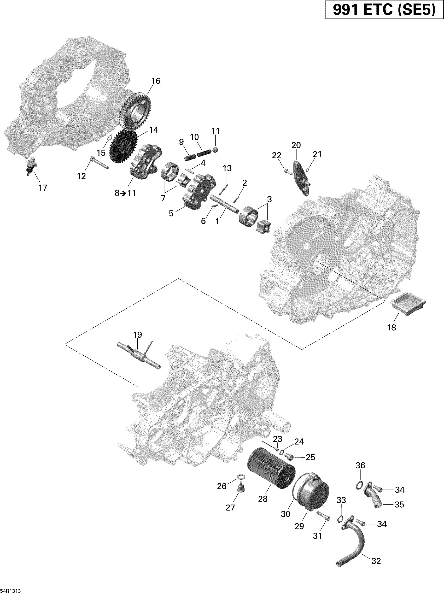
Engine Lubrication
Can-Am Spyder RS_RSS SE5, 2013 Engine Lubrication Diagram
#
Description
Price
11
SCREW - Call your local BRP dealership
420241651
Unavailable
12
SOCKET HEAD SCREW M6 X 45 - Call your local BRP dealership
205064544
Unavailable
14
OIL PUMP GEAR, 37 TEETH - Call your local BRP dealership
420634488
Unavailable
20
OIL DUCT COVER - Call your local BRP dealership
420656595
Unavailable
25
SOCKET HEAD SCREW M8 X 12 - Call your local BRP dealership
420841522
Unavailable
35
OIL INLET ELBOW - Call your local BRP dealership
420656556
Unavailable
