- Partiron
- OEM Parts
- Can-Am
- Wheel Vehicles
- 2009
- Spyder
- Spyder GS Roadster with SE5 transmission, 2009
Fuel System
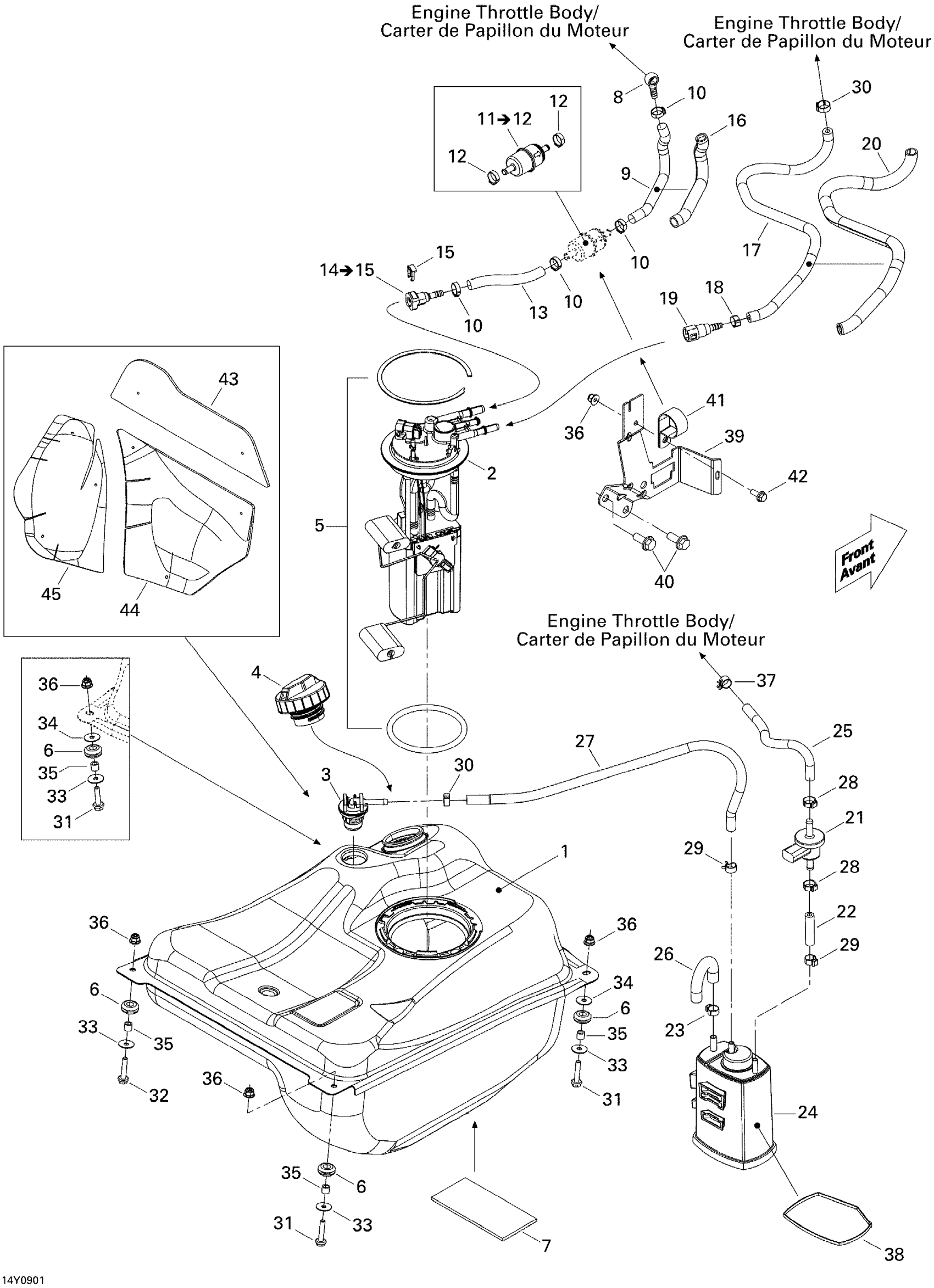
Can-Am Spyder GS Roadster with SE5 transmission, 2009 Fuel System Diagram
#
Description
Price
1
Fuel Tank
709000314
Unavailable
9
Fuel Line 7.9 mm
709000133
Unavailable
13
Fuel Line 7.9 mm
709000133
Unavailable
22
HOSE - Call your local BRP dealership
709000254
Unavailable
25
HOSE - Call your local BRP dealership
709000253
Unavailable
26
FORMED HOSE - Call your local BRP dealership
709000152
Unavailable
39
Support
709000150
Unavailable
44
REFLECTIVE SHEET - Call your local BRP dealership
709000158
Unavailable
45
REFLECTIVE SHEET - Call your local BRP dealership
709000159
Unavailable
