Partiron

Can-Am Spyder GS 990 5-Speed, 2008 Frame Diagram

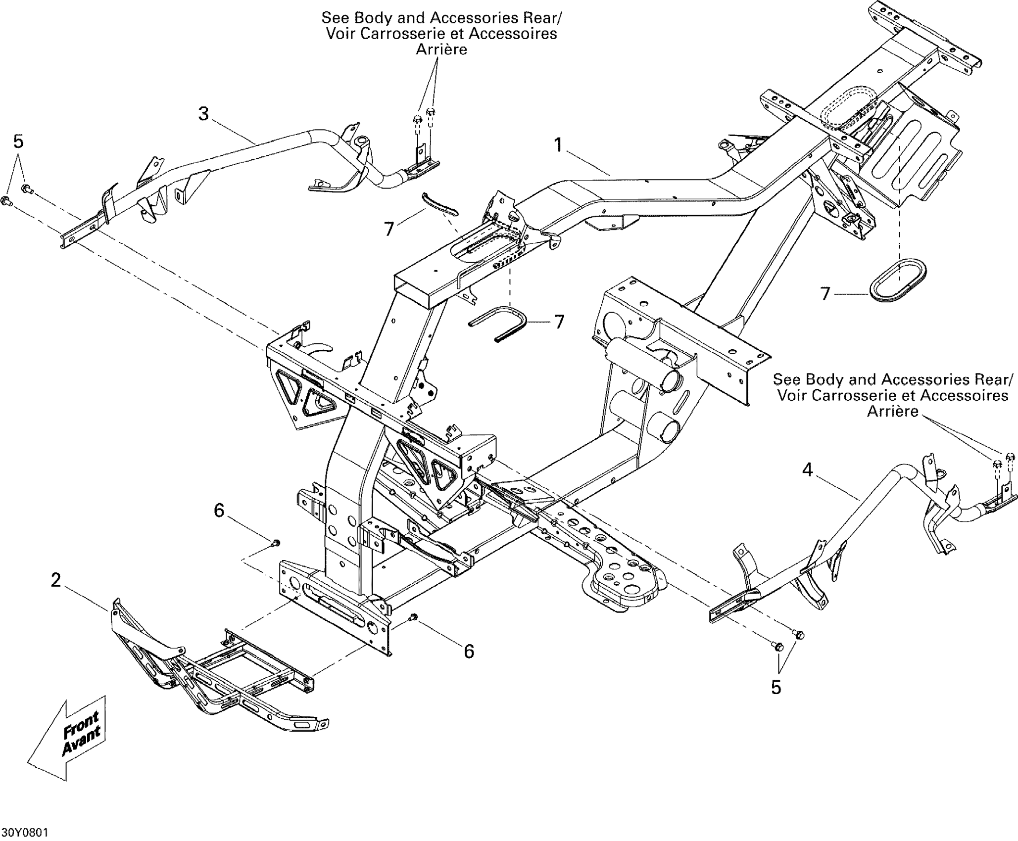
#

Description
Price

1

FRAME - Call your local BRP dealership

705201302

Unavailable

2

Front Frame

705201326

$81.99

3

SUPPORT RH - Call your local BRP dealership

705203272

Unavailable

4

LH.SUPPORT - Call your local BRP dealership

705203198

Unavailable

5

Hex. Flange Screw M8 X 16, Scotch Grip

207581644

$1.15

6

Hex. Flange Screw M6 X 12, Scotch Grip

207561244

$1.90

7

Trim 1000Mm Long

219704354

$15.99